电脑桌面
添加小米粒文库到电脑桌面
安装后可以在桌面快捷访问

给排水施技术交底VIP专享VIP免费

给排水施技术交底_第1页
1/13
给排水施技术交底_第2页
2/13
给排水施技术交底_第3页
3/13
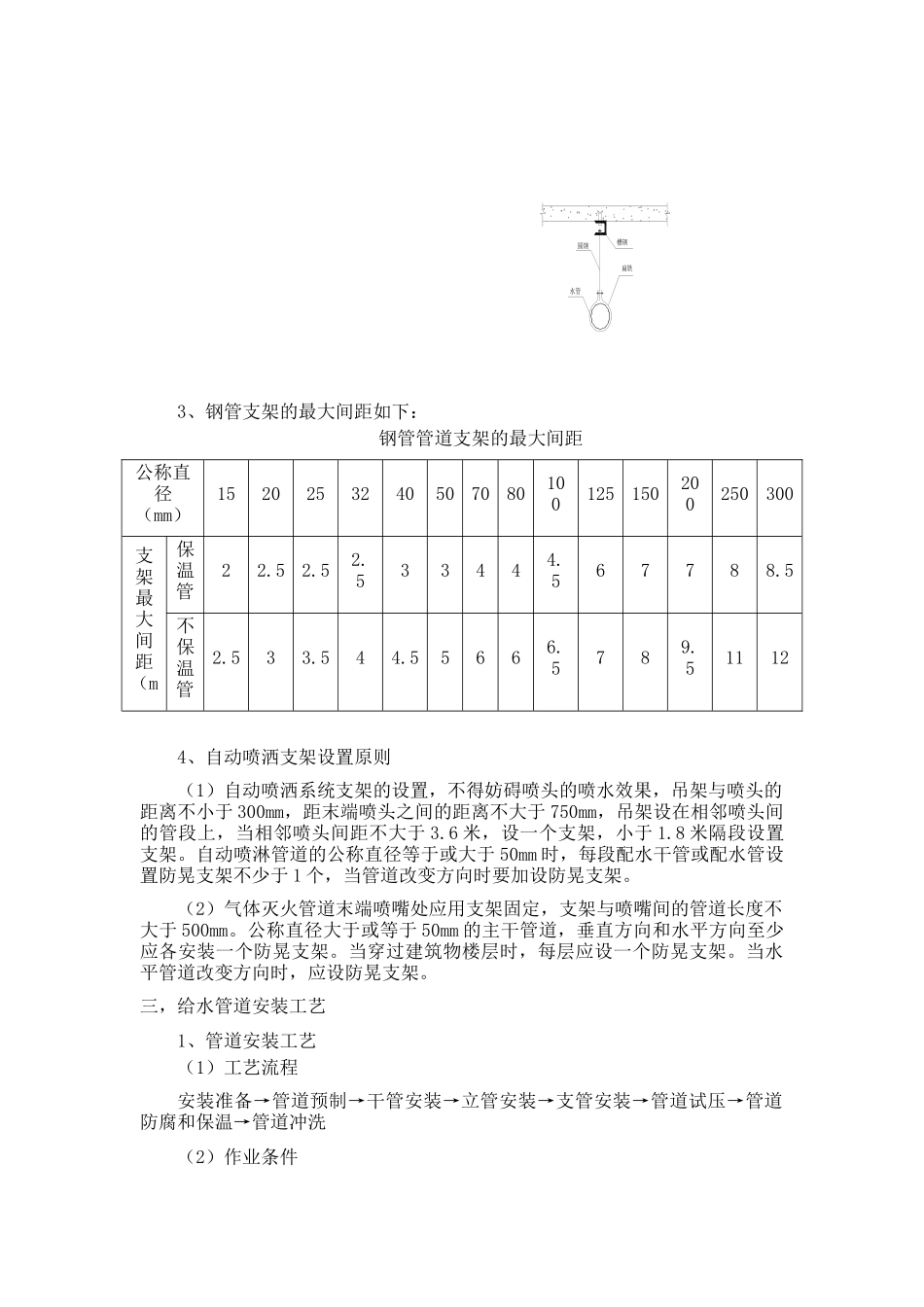
.给排水工程施工方案本工程给排水工程包括给排水,中水系统,雨水系统,有压力污水及废水系统。一,施工技术准备本工程工期紧,工程量大,专业项目种类多。为此我单位配备富有丰富现场管理经验的水暖专业技术负责人,高素质、高水平的专业施工队伍。在项目部各职能部门的配合下,齐心协力优质高效完成水暖专业的全部安装工作。1、图纸准备进入施工现场,组织专业技术人员进行仔细的图纸审核,发现问题及时记录汇总,并与设计单位、建设单位、监理单位共同进行图纸的交底工作。收集、熟悉设备施工规范,验收规范,操作规程,及政府部门的有关规范性的文件。由总工程师组织各专业的综合设计图纸交底,由专业工程师向施工工长进行详细的施工交底,事先对本工程水暖专业的难点,关键性工序,复杂综合部位,新工艺进行答疑,为安装工作打下良好的基础。2、绘制施工大样图根据施工图和变更洽商要求,对本工程的卫生间、管道井、生活消防水泵机房等与其他专业综合交叉等特殊部位绘制施工大样图,标注清晰。仔细制定对施工既有利又达到安装后美观使用的施工细节方案。与设计,监理单位及时联系,将问题消灭在施工之前。二,支吊架制作安装1、支架安装要求管道支架根据标准图集及设计要求进行制作安装,并考虑保温空间,优先选择可调支吊架,以保证施工方便及精度达标。水平管道安装时,在转折及受力处易变形部位需加设支架。管道支架切割及钻孔,采用砂轮切割机及电钻,煨制要圆滑均匀,安装时要牢固,标高一致。吊架的吊杆要牢固地固定在楼板、梁上,固定支架必须安装在设计规定的位置上,不得任意移动。各种支吊架要无毛刺、豁口、漏焊等缺陷,支架制作或安装后要及时刷漆防腐。在支架上固定管道,采用 U 型管卡。制作固定管卡时,卡圈必须与管子外径(保温管道除外)紧密吻合、拧紧固定螺母后,使管子牢固不动。U 型管卡在管道安装中用圆钢制作,先按尺寸锯割下好料,然后夹在台虎钳上,用螺丝板套好丝扣,最后煨成 U 型。2、型钢吊架安装按设计要求和施工规范,测定好吊架的位置和标高,找好坡度,将预制好的型钢吊架用膨胀螺栓固定在楼板上。安装如下图。3、钢管支架的最大间距如下:钢管管道支架的最大间距公称直径(mm)1520253240507080100125150200250300支架最大间距(m保温管22.52.52.533444.567788.5不保温管2.533.544.55666.5789.511124、自动喷洒支架设置原则(1)自动喷洒系统支架的设置,不得妨碍喷头的喷水效果,吊架与喷头的距离不...

1、当您付费下载文档后,您只拥有了使用权限,并不意味着购买了版权,文档只能用于自身使用,不得用于其他商业用途(如 [转卖]进行直接盈利或[编辑后售卖]进行间接盈利)。
2、本站所有内容均由合作方或网友上传,本站不对文档的完整性、权威性及其观点立场正确性做任何保证或承诺!文档内容仅供研究参考,付费前请自行鉴别。
3、如文档内容存在违规,或者侵犯商业秘密、侵犯著作权等,请点击“违规举报”。

碎片内容

给排水施技术交底

确认删除?
VIP
微信客服
  • 扫码咨询
会员Q群
  • 会员专属群点击这里加入QQ群
客服邮箱
回到顶部