电脑桌面
添加小米粒文库到电脑桌面
安装后可以在桌面快捷访问

某发电厂工程施工组织设计(DOC32页)VIP免费

某发电厂工程施工组织设计(DOC32页)_第1页
1/28
某发电厂工程施工组织设计(DOC32页)_第2页
2/28
某发电厂工程施工组织设计(DOC32页)_第3页
3/28
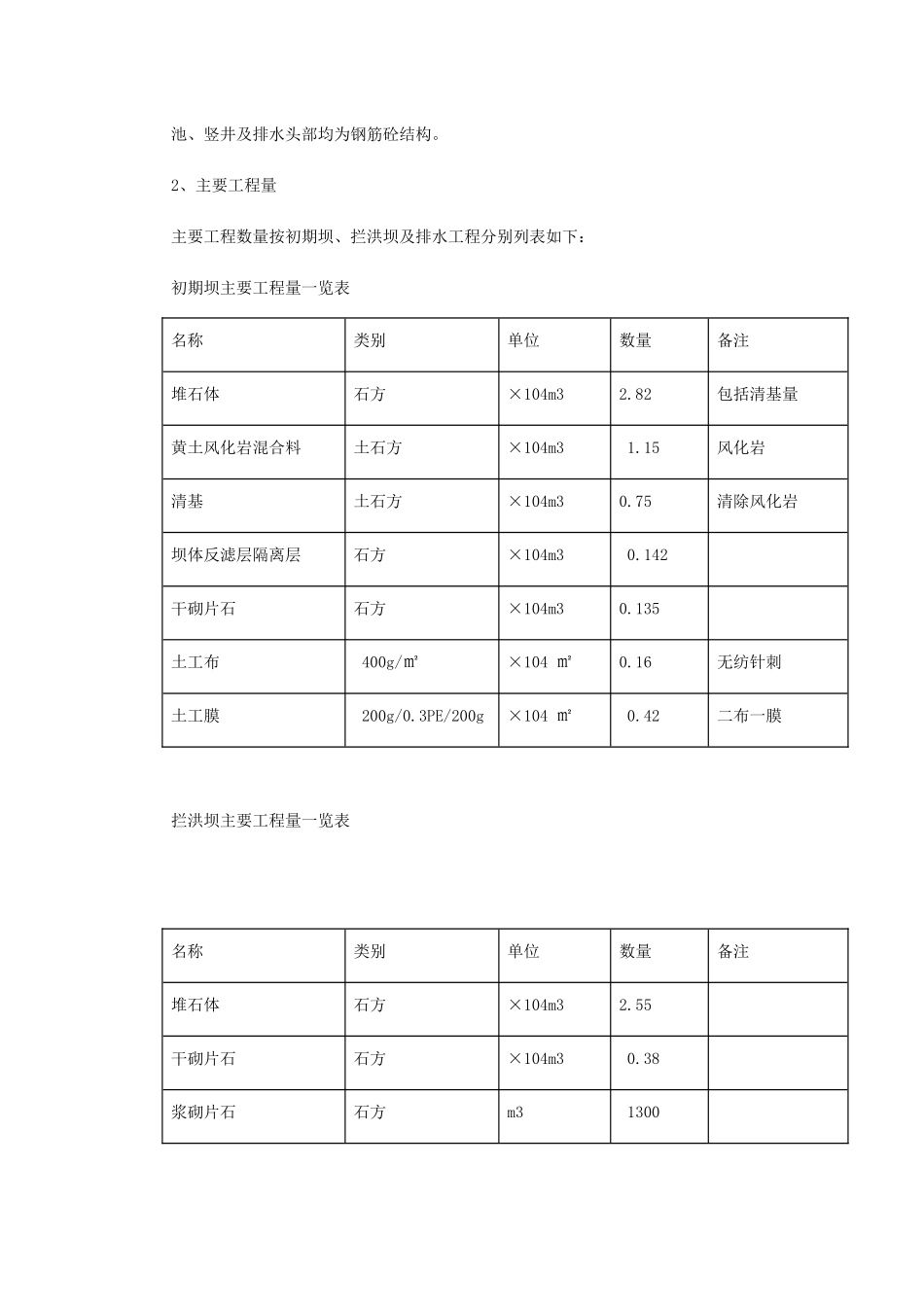
目录第一章 编制依据................................................................2第二章 工程概况................................................................2第三章 施工组织设计............................................................8第四章 施工方案及技术要点.....................................................14第五章 质量保证措施...........................................................29第六章 安全保证措施...........................................................30第一章编制依据1、贮灰场工程施工合同文件及工程施工设计图纸;2、《碾压式土坝施工技术规范》; 3、《电厂建设施工及验收规范》(水工结构篇); 4、国家现行的有关规定、规范、规程和定额。第二章工程概况1、基本状况本工程为××××发电厂×××贮灰场,位于×××××××发电公司东南 3KM 处,灰场占地总面积为 63.3389 公顷。灰场主要由两条自然冲沟组成,整个灰场长约 1.7KM,宽约1.4KM。灰场由初期坝、拦洪坝和排水系统组成。在灰场下游建有初期坝一道,坝体采用黄土及风化岩混合体碾压成形,上游坝面为堆石体,坝顶宽度为 6.0M, 坝顶高程为 D975.00M,上部设有道路,上下游设有浆砌片石排水沟。灰场上游建拦洪坝一座,坝体采用堆石体坝体,上游面为干砌片石并设置钢筋混凝土防浪墙,坝顶设有道路。灰场排水系统由排水明渠、消力池、Φ1200 钢筋砼排水管、Φ1600 钢筋混凝土砼排水管、竖井及排水头部组成,排水明渠为浆砌石结构,排水管为高覆土无粘结预应力砼结构,消力池、竖井及排水头部均为钢筋砼结构。2、主要工程量主要工程数量按初期坝、拦洪坝及排水工程分别列表如下: 初期坝主要工程量一览表名称类别单位数量备注堆石体石方×104m3 2.82 包括清基量黄土风化岩混合料土石方×104m3 1.15 风化岩清基土石方×104m3 0.75 清除风化岩坝体反滤层隔离层石方×104m3 0.142 干砌片石石方×104m3 0.135 土工布 400g/㎡×104 ㎡0.16 无纺针刺土工膜 200g/0.3PE/200g ×104 ㎡ 0.42 二布一膜拦洪坝主要工程量一览表名称类别单位数量备注堆石体石方×104m3 2.55 干砌片石石方×104m3 0.38 浆砌片石石方m3 1300 砾石碎石石方量 m3 450 砼保护层砼量m3 450 清基土石方×104m3 0.55 土工膜 200g/0.5PE/200g m² 1500 二布一膜排水构筑物统计一览表 名 称 数 量...

1、当您付费下载文档后,您只拥有了使用权限,并不意味着购买了版权,文档只能用于自身使用,不得用于其他商业用途(如 [转卖]进行直接盈利或[编辑后售卖]进行间接盈利)。
2、本站所有内容均由合作方或网友上传,本站不对文档的完整性、权威性及其观点立场正确性做任何保证或承诺!文档内容仅供研究参考,付费前请自行鉴别。
3、如文档内容存在违规,或者侵犯商业秘密、侵犯著作权等,请点击“违规举报”。

碎片内容

某发电厂工程施工组织设计(DOC32页)

确认删除?
VIP
微信客服
  • 扫码咨询
会员Q群
  • 会员专属群点击这里加入QQ群
客服邮箱
回到顶部