电脑桌面
添加小米粒文库到电脑桌面
安装后可以在桌面快捷访问

表格(江苏建筑给水排水)VIP专享VIP免费

表格(江苏建筑给水排水)_第1页
1/81
表格(江苏建筑给水排水)_第2页
2/81
表格(江苏建筑给水排水)_第3页
3/81
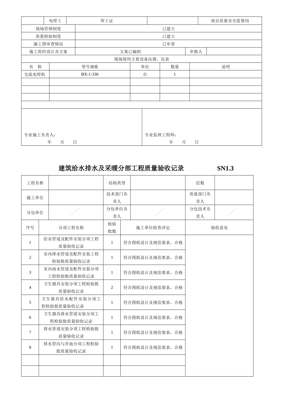
建筑给水排水及采暖工程概况表 SN1.1工程名称建设单位分部工程1、 2、 3、 4、子分部分项工程主要设备及材料型号规格单位数量安装地点室 内给水给水管道消火栓系统防腐、绝热室 内排水排水管道室 内热水管 道防腐、绝热室 外给水管 道消 防室 外排水管 道室 内采暖管 道采暖设备室 外供热管道配件防腐、绝热专业施工负责人(签字): 专业监理工程师(签字): 年 月 日 年 月 日 建筑给水排水及采暖工程施工现场质量管理记录 SN1.1工程名称施工许可证号建设单位项目负责人设计单位 项目负责人监理单位施工单位主 要 工 种姓 名工 种持证名称证 号发证部门管工管工管工管工电焊工焊工证南京质量安全监督局现场管理制度已建立质量检验制度已建立施工图审查情况已审查施工组织设计及方案方案已编制审批人现场使用主要设备仪器、仪表名 称型号规格单位数量说明交流电焊机BX-1-330台1专业施工负责人: 年 月 日专业监理工程师: 年 月 日 建筑给水排水及采暖分部工程质量验收记录 SN1.3工程名称结构类型层数施工单位技术部门负责人质量部门负责人分包单位分包单位负责人分包技术负责人序号分项工程名称检验批数施工单位检查评定验收意见1给水管道及配件安装分项工程质量验收记录1符合图纸设计及规范要求,合格2室内排水管道及配件安装工程检验批质量验收记录1符合图纸设计及规范要求,合格3室内雨水管道及配件安装分项工程检验批质量验收记录1符合图纸设计及规范要求,合格4卫生器具安装分项工程检验批质量验收记录2符合图纸设计及规范要求,合格5卫生器具给水配件安装分项工程检验批质量验收记录1符合图纸设计及规范要求,合格6卫生器具排水管道安装分项工程检验批质量验收记录1符合图纸设计及规范要求,合格7排水管道安装分项工程检验批质量验收记录1符合图纸设计及规范要求,合格8排水管沟与井池分项工程检验批质量验收记录1符合图纸设计及规范要求,合格质量控制资料应查项数12 项核查结果齐全、完整、合格安全和功能检验(检测报告)应查项数6 项核查结果齐全、完整、合格观感质量验收应查项数6 项好: 6 项一般: 0 项差: 0 项验收意见分包单位项目经理: 年 月 日施工单位项目经理: 年 月 日设计单位项目负责人: 年 月 日监理(建设)单 位总监理工程师:(建设单位项目专业负责人) 年 月 日 建筑给水排水及采暖工程质量控制资料核查记录 SN1.5工程名称发电机重型厂房扩...

1、当您付费下载文档后,您只拥有了使用权限,并不意味着购买了版权,文档只能用于自身使用,不得用于其他商业用途(如 [转卖]进行直接盈利或[编辑后售卖]进行间接盈利)。
2、本站所有内容均由合作方或网友上传,本站不对文档的完整性、权威性及其观点立场正确性做任何保证或承诺!文档内容仅供研究参考,付费前请自行鉴别。
3、如文档内容存在违规,或者侵犯商业秘密、侵犯著作权等,请点击“违规举报”。

碎片内容

表格(江苏建筑给水排水)

确认删除?
VIP
微信客服
  • 扫码咨询
会员Q群
  • 会员专属群点击这里加入QQ群
客服邮箱
回到顶部