电脑桌面
添加小米粒文库到电脑桌面
安装后可以在桌面快捷访问

机械设计课程设计任务书,课程设计任务书(带式输送机传VIP免费

机械设计课程设计任务书,课程设计任务书(带式输送机传_第1页
1/34
机械设计课程设计任务书,课程设计任务书(带式输送机传_第2页
2/34
机械设计课程设计任务书,课程设计任务书(带式输送机传_第3页
3/34
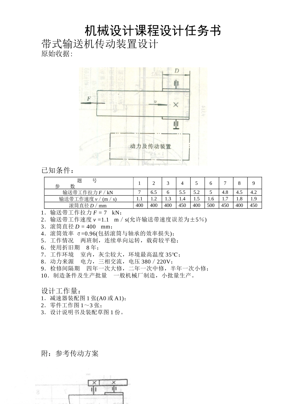
机械设计课程设计任务书带式输送机传动装置设计原始收据:已知条件:1.输送带工作拉力 F = 7 kN;2.输送带工作速度 v =1.1 m/s(允许输送带速度误差为±5%)3.滚筒直径 D = 400 mm;4.滚筒效率 η=0.96(包括滚筒与轴承的效率损失);5.工作情况 两班制,连续单向运转,载荷较平稳;6.使用折旧期 8 年;7.工作环境 室内,灰尘较大,环境最高温度 35℃;8.动力来源 电力,三相交流,电压 380/220V;9.检修间隔期 四年一次大修,二年一次中修,半年一次小修;10.制造条件及生产批量 一般机械厂制造,小批量生产。设计工作量:1.减速器装配图 1 张(A0 或 A1);2.零件工作图 1~3 张;3.设计说明书及装配草图 1 份。附:参考传动方案 题 号参 数123456789输送带工作拉力 F/kN76.565.55.254.84.54.2输送带工作速度 v/(m/s)1.11.21.31.41.51.61.71.81.9滚筒直径 D/mm400400400450400500450400450方案四方案三目录绪 论..................................................................................................................................................................3Ⅰ 课题题目及主要技术参数说明..................................................................................................................41.1.设计题目................................................................................................................................................41.2.设计任务................................................................................................................................................41.3.主要技术参数说明................................................................................................................................51.4.传动系统工作条件................................................................................................................................51.5.设计进度................................................................................................................................................5 Ⅱ 传动装置的总体设计..............................................................................................

1、当您付费下载文档后,您只拥有了使用权限,并不意味着购买了版权,文档只能用于自身使用,不得用于其他商业用途(如 [转卖]进行直接盈利或[编辑后售卖]进行间接盈利)。
2、本站所有内容均由合作方或网友上传,本站不对文档的完整性、权威性及其观点立场正确性做任何保证或承诺!文档内容仅供研究参考,付费前请自行鉴别。
3、如文档内容存在违规,或者侵犯商业秘密、侵犯著作权等,请点击“违规举报”。

碎片内容

机械设计课程设计任务书,课程设计任务书(带式输送机传

确认删除?
VIP
微信客服
  • 扫码咨询
会员Q群
  • 会员专属群点击这里加入QQ群
客服邮箱
回到顶部