电脑桌面
添加小米粒文库到电脑桌面
安装后可以在桌面快捷访问

煤矿用阻燃通信电缆(doc9)(1)VIP专享VIP免费

煤矿用阻燃通信电缆(doc9)(1)_第1页
1/10
煤矿用阻燃通信电缆(doc9)(1)_第2页
2/10
煤矿用阻燃通信电缆(doc9)(1)_第3页
3/10
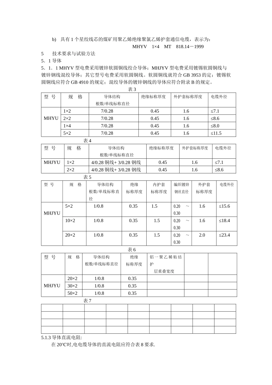
煤矿用阻燃通信电缆1 范围本标准规定了煤矿用阻燃通信电缆(以下简称电缆)的定义、检验规则、标志、包装、运输和贮存。本标准适用于煤矿用聚乙烯绝缘聚乙烯护套通信电缆。2引用标准下列标准所包含的条文,通过在本标准中引用而构成为本标准的条文。本标准出版时,所示版本均为有效。所有标准都会被修订,使用本标准的各方应探讨使用下列标准最新版本的可能性。GB 228-1987 金属拉伸试验方法GB 239-1984 金属线材扭转试验方法GB 2423.4-1981 电工电子产品基本环境试验规程 试验 Db :交变湿热试验方法GB 2900.10-1984 电工名词术语 电线电缆GB/T 2951..1-1997 电线绝缘和护套材料通用试验方法 第 1 部分:通用试验方法 第 1 节:厚度和尺寸测量一机械性能试验GB/T 2591.2-1997 电缆绝缘和护套材料通用试验方法 第 1 部分:通用试验方法 第 2 节热老化试验方法GB/T 2591.4-1997 电缆绝缘和护套材料通用试验方法 第 1 部分:通用试验方法 第 4 节:低温试验GB/T 2972-1991 镀锌钢丝锌层硫酸铜试验方法GB/T 2976-1988 金属线材缠绕试验方法GB/T 3048.4-1994 电线电缆电性能试验方法 导体直流电阻试验GB/T 3048.6-1994 电线电缆电性能试验方法 绝缘电阻试验 检流计比较法GB/T 3048.8-1994 电线电缆电性能试验方法 绝缘电阻试验 电压一电流法GB 3082-1984 铠装电缆用镀锌低碳钢丝GB 3953-1983 电工圆铜线GB 4910-1985 镀锡圆铜线GB 5441.2-1985 通信电缆试验方法 工作电容试验 电桥法GB 5441.6-1985 通信电缆试验方法 串音衰减试验 比较法GB 5441.7-1985 通信电缆试验方法 衰减常数试验 开短路法GB 8170-1987 数值修约规则GB 8815-1988 电线电缆用软聚氯乙烯塑料MT 386-1995 煤矿用阻燃电缆阻燃性的试验方法和判定规则HG 2-1398-1981 <低密度聚乙烯树脂>JB/T 8173-1995 (GB 4005-1983)电线电缆交货盘3定义本标准采用 GB 2900.10 和下列定义批 批是指一次订货的产品数量。 如果一次订货中有不同型号规格的产品,则不同的型号规格应视为不同的批。型式试验(T)型式试验是制造厂在供应电缆标准中规定的某一种电缆之前所进行的试验。其特点是,在做过一次试验后一般不再重做,但在电线电缆所用材料、结构和工艺有了变更而影响电线电缆的性能时,必须重复进行试验;或者在产品中另有规定,如定期进行试验等,也应按规定得利进行试验。抽样试验(S)抽样试验...

1、当您付费下载文档后,您只拥有了使用权限,并不意味着购买了版权,文档只能用于自身使用,不得用于其他商业用途(如 [转卖]进行直接盈利或[编辑后售卖]进行间接盈利)。
2、本站所有内容均由合作方或网友上传,本站不对文档的完整性、权威性及其观点立场正确性做任何保证或承诺!文档内容仅供研究参考,付费前请自行鉴别。
3、如文档内容存在违规,或者侵犯商业秘密、侵犯著作权等,请点击“违规举报”。

碎片内容

煤矿用阻燃通信电缆(doc9)(1)

确认删除?
VIP
微信客服
  • 扫码咨询
会员Q群
  • 会员专属群点击这里加入QQ群
客服邮箱
回到顶部