电脑桌面
添加小米粒文库到电脑桌面
安装后可以在桌面快捷访问

OB_2203设计指南VIP专享VIP免费

OB_2203设计指南_第1页
1/20
OB_2203设计指南_第2页
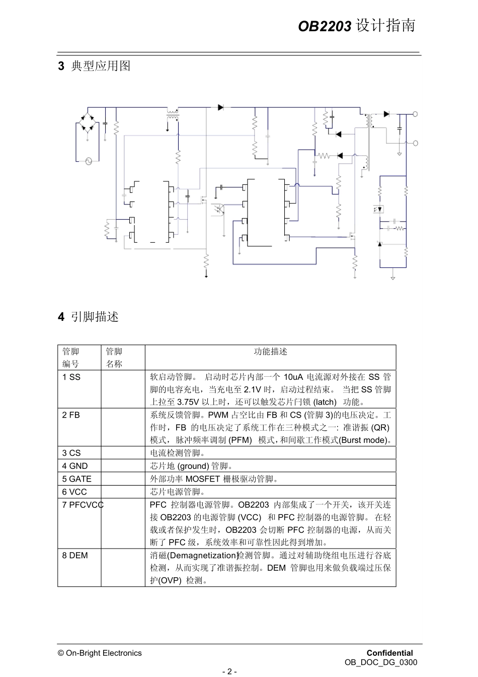
2/20
OB_2203设计指南_第3页
3/20
OB2203 设计指南 © On-Bright Electronics Confidential OB_DOC_DG_0300 - 1 - OB2203 设计指南 1 OB2203 简介 OB2203 是昂宝电子推出的一款应用在反激变换器场合的多模式(Multi Mode)准谐振(QR, Quasi-Resonant) PWM 控制器。 在正常负载时,系统工作在准谐振(QR)模式, 这样可以提高系统的效率,同时减小 EMI。准谐振系统是一个变频系统,其系统工作频率随着交流(AC)输入电压和负载的变化而变化。为了满足 150KHz 的CISPR-22 对 EMI 的要求,OB2203 将系统最高开关频率钳位在130KHz。在轻载时,系统工作在脉冲频率调制(PFM)模式,系统开关频率随着负载的减小而减小,从而提高了系统在轻载时的效率。在接近空载时,系统进入昂宝电子专利的“扩展间歇工作模式”, 从而大大提高了系统的空载效率,减小了待机功耗。OB2203 内置了一个 P 沟道 MOS开关,该开关连接 OB2203 的电源管脚和 PFC 控制器的电源管脚,可以省掉外部开关功率级,同时 OB2203 还集成了 PFC 控制电路,系统在轻载时关掉 PFC,提高系统在轻载时的效率。在与昂宝电子的PFC 控制器OB6563 组成的90W 系统中,系统待机功耗可以降至 0.3W 以下。 OB2203 集成了诸多的保护功能,包括:逐周期电流限制,欠压保护(UVLO),芯片过压保护,可编程的输出过压保护(Load OVP) , 过载保护(OLP), 芯片过温度保护(OTP),可编程的软启动功能,外部可触发的闩锁功能,最大导通时间限制,在QR 模式下最高和最低频率限制等。 2 芯片内部模块图 OB2203 设计指南 © On-Bright Electronics Confidential OB_DOC_DG_0300 - 2 - 3 典型应用图 4 引脚描述 管脚 编号 管脚 名称 功能描述 1 SS 软启动管脚。 启动时芯片内部一个 10uA 电流源对外接在 SS 管脚的电容充电,当充电至 2.1V 时,启动过程结束。 当把 SS 管脚上拉至 3.75V 以上时,还可以触发芯片闩锁 (latch) 功能。 2 FB 系统反馈管脚。PWM 占空比由 FB 和 CS (管脚3)的电压决定。工作时,FB 的电压决定了系统工作在三种模式之一: 准谐振 (QR) 模式, 脉冲频率调制 (PFM) 模式,和间歇工作模式(Burst mode)。 3 CS 电流检测管脚。 4 GND 芯片地 (ground) 管脚。 5 GATE 外部功率 MOSFET 栅极驱动管脚。 6 VCC 芯片电源管脚。 7 PFCVCC PFC 控制器电源管脚。OB2203 内部集成了一个开关,该开关连接 OB2203...

1、当您付费下载文档后,您只拥有了使用权限,并不意味着购买了版权,文档只能用于自身使用,不得用于其他商业用途(如 [转卖]进行直接盈利或[编辑后售卖]进行间接盈利)。
2、本站所有内容均由合作方或网友上传,本站不对文档的完整性、权威性及其观点立场正确性做任何保证或承诺!文档内容仅供研究参考,付费前请自行鉴别。
3、如文档内容存在违规,或者侵犯商业秘密、侵犯著作权等,请点击“违规举报”。

碎片内容

OB_2203设计指南

确认删除?
VIP
微信客服
  • 扫码咨询
会员Q群
  • 会员专属群点击这里加入QQ群
客服邮箱
回到顶部