电脑桌面
添加小米粒文库到电脑桌面
安装后可以在桌面快捷访问

动力触探试验VIP免费

动力触探试验_第1页
1/7
动力触探试验_第2页
2/7
动力触探试验_第3页
3/7
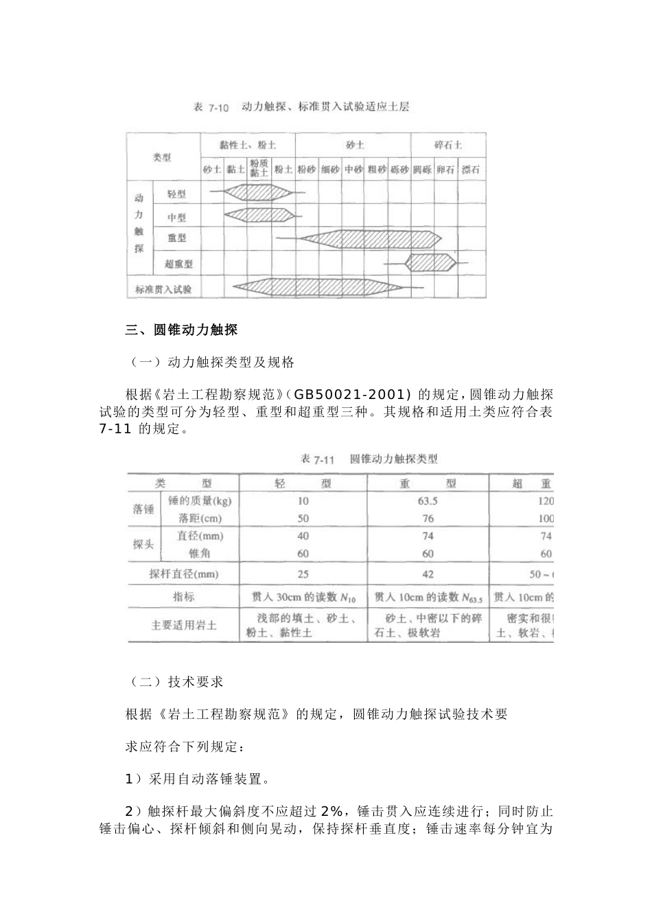
第四节动力触探试验一、概述动力触探(DynamicPenetrationTest简称DPT)是利用一定的落锤能量,将一定尺寸、一定形状的探头打入土中,根据打入的难易程度(可用贯入度、锤击数或单位面积动贯入阻力来表示)判定土层性质的一种原位测试方法。可分为圆锥动力触探和标准贯入试验两种。圆锥动力触探(DPT)是利用一定的锤击能量,将一定的圆锥探头打入土中,根据打入土中的阻抗大小判别土层的变化,对土层进行力学分层,并确定土层的物理力学性质,对地基土作出工程地质评价。通常以打入土中一定距离所需的锤击数来表示土的阻抗,也有以动贯入阻力来表示土的阻抗。圆锥动力触探的优点是设备简单、操作方便、工效较高、适应性强,并具有连续贯入的特性。对难以取样的砂土、粉土、碎石类土等,对静力触探难以贯入的土层,圆锥动力触探是十分有效的勘探测试手段。圆锥动力触探的缺点是不能采样对土进行直接鉴别描述,试验误差较大,再现性差。如将探头换为标准贯入器,则称标准贯入试验(StandardPenetrationTest简称SPT)。利用动力触探试验可以解决如下问题:1)划分不同性质的土层。当土层的力学性质有显著差异,而在触探指标上有显著反映时,可利用动力触探进行分层和定性地评价土的均匀性,检查填土质量,探查滑动带、土洞和确定基岩面或碎石土层的埋藏深度等。2)确定土的物理力学性质。确定砂土的密实度和黏性土的状态,评价地基土和桩基承载力,估算土的强度和变形参数等。二、适用范围动力触探和标准贯入试验的适用范围见表7-10三、圆锥动力触探(一)动力触探类型及规格根据《岩土工程勘察规范》(GB50021-2001)的规定,圆锥动力触探试验的类型可分为轻型、重型和超重型三种。其规格和适用土类应符合表7-11的规定。(二)技术要求根据《岩土工程勘察规范》的规定,圆锥动力触探试验技术要求应符合下列规定:1)采用自动落锤装置。2)触探杆最大偏斜度不应超过2%,锤击贯入应连续进行;同时防止锤击偏心、探杆倾斜和侧向晃动,保持探杆垂直度;锤击速率每分钟宜为15~30击。3)每贯入1m,宜将探杆转动一圈半;当贯入深度超过10m,每贯入20cm宜转动探杆一次。次时,可停止试验;锤击数超过对轻型动力触探,当或贯入时,可停止试验或改用超重型动力触探对重型动力触探,当连续三次。(三)试验方法1.轻型动力触探1)试验设备轻型动力触探试验设备主要由圆锥头、触探杆、穿心锤三部分组成,如图7-10所示。2)试验要点先用轻便钻具钻至试验土层标高,然后对土层连续进行触探,使穿心锤自由落下将触探杆竖直锤击数打入土层中,记录每打入土层30cm锤击书N103)适用范围一般用于贯入深度小于4m的一般黏性土和黏性素填土层。2.重型动力触探1)试验设备重型动力触探试验的设备主要由触探头(见图7-11)、触探杆及穿心锤三部分组成。2)试验要点1)贯入前,触探架应安装平稳,保持触探孔垂直。试验时穿心锤应自由下落并应尽量连续贯入,锤击速率宜为15~30击/min2)量尺读数。除了及时记录贯入深度外,对触探指标(锤击数)有下列两种量读方法:①记录一阵击的贯入量及相应的锤击数,并由式(7-25)算得每贯入10cm所需锤击数N63.5。一般以5击为一阵击,土较松软时应少于5击.。式中N——每贯入的实测锤击数;K——一阵击的锤击数;S——相应于一阵击的贯入量,②当土层较为密实时(5击贯入量小于10cm时)可直接记读每贯入10cm所需的锤击数。3)影响因数的校正1)侧壁摩擦影响的校正。对于砂土和松散中密的圆砾、卵石,触探深度在1~15m的范围内时,一般可不考虑侧壁摩擦的影响。2)触探杆长度的修正。当触探杆长度大于2m时,需按下式校正:N63.5=aN(7-26)式中N63.5————重型动力触探试验锤击数;N’63.5——的实测锤贯入击数;a——触探杆长度校正系数,可按规范确定。3)地下水影响的校正。对于地下水位以下的中、粗、砾砂和圆砾、卵石,锤击数可按下式修正:N63.5=1.1N’63.5+1.0(7-27)式中N63.5————经地下水影响校正后的锤击数;N’63.5————未经地下水影响校正而经触探杆长度影响校正后的锤击数。4)适用范围一般适用于砂土和碎石土。3.超重型动力触探1)试验设备超重型动力触探试验的...

1、当您付费下载文档后,您只拥有了使用权限,并不意味着购买了版权,文档只能用于自身使用,不得用于其他商业用途(如 [转卖]进行直接盈利或[编辑后售卖]进行间接盈利)。
2、本站所有内容均由合作方或网友上传,本站不对文档的完整性、权威性及其观点立场正确性做任何保证或承诺!文档内容仅供研究参考,付费前请自行鉴别。
3、如文档内容存在违规,或者侵犯商业秘密、侵犯著作权等,请点击“违规举报”。

碎片内容

动力触探试验

确认删除?
VIP
微信客服
  • 扫码咨询
会员Q群
  • 会员专属群点击这里加入QQ群
客服邮箱
回到顶部