电脑桌面
添加小米粒文库到电脑桌面
安装后可以在桌面快捷访问

完整版5s管理表格大全整理版,推荐文档VIP免费

完整版5s管理表格大全整理版,推荐文档_第1页
1/12
完整版5s管理表格大全整理版,推荐文档_第2页
2/12
完整版5s管理表格大全整理版,推荐文档_第3页
3/12
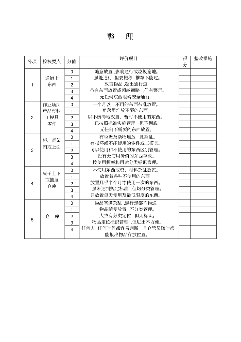
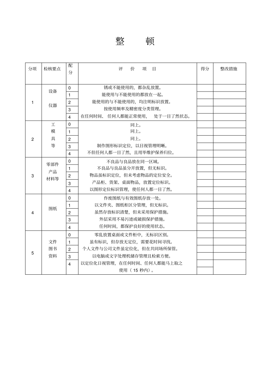
整理分项检核要点分值评价项目得分整改措施1 通道上东西0 随意放置 ,影响通行或垃圾遍地。虽能通行 ,但要搬移 ,推车不能过。放置物品 ,超出通行道。虽有东西放置或超越通路 ,但有警示。无任何东西阻碍安全通行。1 2 3 4 2 作业场所产品材料工模具零件0 一个月以上不用的东西杂乱放置。角落里堆放不要的东西。以不妨碍地放置,暂时不使用的东西。已按照标准实施管理 ,但不彻底。无任何不需要的东西放置。1 2 3 4 3 柜、货架内或上面0 有垃圾及杂物堆放 ,且杂乱。有损坏或不能使用的零件或工模具。可以使用和不使用的东西区别管理。没有无使用价值的东西存放。按使用频率和用途分类标识管理。1 2 3 4 4 桌子上下或抽屉仓库0 不使用东西或资、材料杂乱放置。放置着各种不使用的东西。放置几乎半个月才使用一次的东西。虽未达到规定标准 ,但均分类管理。只放置每天使用及最低限度的东西。1 2 3 4 5 仓库0 物品塞满杂乱 ,连行走都不畅通。物品随便放置 ,不分类管理。大致有分类定位 ,但无标识。物品定位标识管理 ,但进出不方便。任何人 任何时间都容易判断 ,且仓管员随时都能报出物品存放位置。1 2 3 4 整顿分项检核要点配分评价项目得分整改措施1 设备仪器0 锈或不能使用的,都杂乱放置。能使用与不能使用的都放在一起。能使用的与不能使用的,均注明标识放置。按使用频率及精密度分类管理。在任何时间、 任何人都能正常使用,处于一目了然状态。1 2 3 4 2 工模具等0 同上。同上。同上。制作图形标识定位,以目视管理明晰。不但任何人都一目了然,且用毕维护保养归位。1 2 3 4 3 零部件产品材料等0 不良品与良品放在同一区域。不良品与良品虽分开放置,但无标识。物品虽标识定位,但未考虑物品的定位安全。产品柜、货架、桌面物品,放置定位标识。以图形定位标识管理,使任何人都一目了然。1 2 3 4 4 图纸0 作废图纸与有效图纸存放一处。以文件夹、图纸柜区分管理,但无标识。虽然存放标识清楚,但未采用保护措施。外层采用不易污迹或破损保护措施。任何时间,都保护良好的使用状态。1 2 3 4 5 文件图书资料0 零乱放置桌面或文件柜中,无标识区别。虽有标识,但存放无定位,需要花时间寻找。个人文件与公司文件虽定位化,但在共同场所保管。以电脑或文字处理机储存管理且检索方便。以定位化日视管理,在任何时间、任何人都能马上取之使用( 15 秒内)。1 2 3 4 清扫分项...

1、当您付费下载文档后,您只拥有了使用权限,并不意味着购买了版权,文档只能用于自身使用,不得用于其他商业用途(如 [转卖]进行直接盈利或[编辑后售卖]进行间接盈利)。
2、本站所有内容均由合作方或网友上传,本站不对文档的完整性、权威性及其观点立场正确性做任何保证或承诺!文档内容仅供研究参考,付费前请自行鉴别。
3、如文档内容存在违规,或者侵犯商业秘密、侵犯著作权等,请点击“违规举报”。

碎片内容

完整版5s管理表格大全整理版,推荐文档

确认删除?
VIP
微信客服
  • 扫码咨询
会员Q群
  • 会员专属群点击这里加入QQ群
客服邮箱
回到顶部