电脑桌面
添加小米粒文库到电脑桌面
安装后可以在桌面快捷访问

完整版冷水机组设备选型VIP专享VIP免费

完整版冷水机组设备选型_第1页
1/4
完整版冷水机组设备选型_第2页
2/4
完整版冷水机组设备选型_第3页
3/4
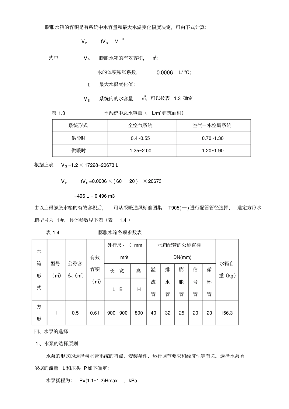
一、冷水机组选型本设计选用螺杆式冷水机组。机组选型计算:整栋大楼的最大冷负荷 Q= 2473KW,考虑风机、风管、水管、冷水管及水箱温升引起的附加冷负荷,修正后: Q=1.1*2473=2720KW根据以上数据选择冷水机组见下表(表 1.1 )表 1.1 冷水机组性能参数型号数量( 台) 制冷量( KW)冷冻水流量(m3/h )冷却水流量(m3/h )冷冻水接管径( mm)冷却水接管径( mm)30HXC400A 2 1392 239 287 200 200 该冷水机组采用R134a 制冷工质,两台机组完全运行时,总制冷量为:2784 KW,可满足最大负荷的情况;运行一台30HXC400A时,制冷量为: 1392KW,满足约 50%最大负荷的情况。二、冷却塔选型冷水机组所需要冷却水的流量及其参数冷却塔的水流量 = 冷却水系统水量×1.2 =287*2*1.2 =688 m3/h 具体参数为:进水温度为 32 ℃ ,出水温度为37℃,湿球温度为28℃根据此选择马利冷却塔2 台,其参数如下表(表 1.2 )表 1.2 冷却塔性能参数型号流量( m3/h )动力系统扬程mH2O 风机直径( mm)电机功率( Kw)SC-G-350UL 350 2910 11 5.5 型号接管管径进水( mm)出水( mm)满水( mm)补水( mm)排污( mm)SC-G-350UL 150*2 250 80 50 50 三、膨胀水箱的选择膨胀水箱的容积是有系统中水容量和最大水温变化幅度决定,可由下式计算:SPtVV M3式中PV膨胀水箱的有效容积,m3;水的体积膨胀系数,0006.0,L/ ℃; t最大水温变化值;SV系统内的水容量,m3。可以按表1.3 确定表 1.3 水系统中总水容量(L/m2 建筑面积)系统形式全空气系统空气—水空调系统供冷时0.4~0.55 0.70~1.30 供暖时1.25~2.00 1.20~1.90 根据上表SV =1.2 × 17228=20673 L SPtVV=0.0006 ×( 60 -20 ) ×20673 =496 L = 0.496 m3 由以上得膨胀水箱的有效容积后,可从采暖通风标准图集T905( 一) 进行配管管径选择,选定方形水箱型号为 1#。具体参数见下表(表1.4 )表 1.4 膨胀水箱各项参数表水箱形式型号(m3)公称容积(m3)有效容积(m3)外行尺寸( mmmm)水箱配管的公称直径DN(mm) 水箱自重(kg)长宽高溢流管排水管膨胀管信号管循环管LB H 方形1 0.5 0.61 900900 800 40 32 25 20 20 156.3 四、水泵的选择 1 、水泵的选择原则水泵的形式的选择与水管系统的特点、安装条件、运行调节要求和经济性等有关。选择水泵所依据的流量L 和压头 P如下确定:水泵扬程为: P=(1.1...

1、当您付费下载文档后,您只拥有了使用权限,并不意味着购买了版权,文档只能用于自身使用,不得用于其他商业用途(如 [转卖]进行直接盈利或[编辑后售卖]进行间接盈利)。
2、本站所有内容均由合作方或网友上传,本站不对文档的完整性、权威性及其观点立场正确性做任何保证或承诺!文档内容仅供研究参考,付费前请自行鉴别。
3、如文档内容存在违规,或者侵犯商业秘密、侵犯著作权等,请点击“违规举报”。

碎片内容

完整版冷水机组设备选型

确认删除?
VIP
微信客服
  • 扫码咨询
会员Q群
  • 会员专属群点击这里加入QQ群
客服邮箱
回到顶部