电脑桌面
添加小米粒文库到电脑桌面
安装后可以在桌面快捷访问

圆体成形车刀的课程设计VIP免费

圆体成形车刀的课程设计_第1页
1/6
圆体成形车刀的课程设计_第2页
2/6
圆体成形车刀的课程设计_第3页
3/6
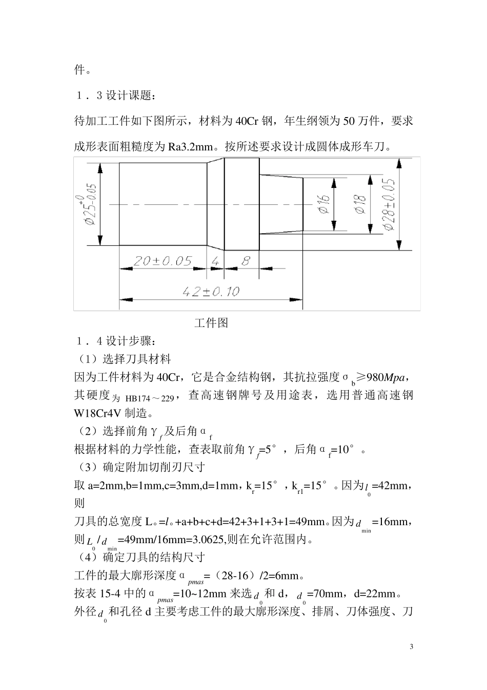
1 圆体成形车刀的课程设计 设计题目: 圆体成形车刀 专业:机械设计与制造 班级:机制(1 ,2 ) 学生姓名:*** 学号 :********* 指导老师:*** 教师评分: 2 圆 体 成 形 车 刀 设 计 1.1 前 言 : 成 形 车 刀 又 称 为 样 板 刀 ,它 是 加 工 回 转 体 成 形 表 面 的 专 用 刀 具 ,它 的 切 削 刃 形 状 是 根 据 工 件 廓 形 设 计 的 。 成 型 车 刀 主 要 用 于 大 量 生 产 ,在 半 自 动 或 自 动 车 床 上 加 工 内 、 外 回 转 体 的 成 型 表 面 。 当 生 产 批 量 较小 时 , 也 可 以 在 普 通 车 床 上 加 工 成 形 表 面 。 成 型 车 刀 的 种 类 很 多 ,按 照 刀 具 本 身 的 结 构 和 形 状 分 为 :平 体 成形 车 刀 ,棱 体 成 形 车 刀 和 圆 体 成 形 车 刀 三 种 。 相 较 传 统 的 车 刀 , 成 形车 刀 的 具 有 显 著 的 优 势 :稳 定 的 加 工 质 量 ,生 产 率 较 高 ,刀 具 的 可 重 磨次 数 多 , 使 用 期 限 长 。 但 是 它 的 设 计 、 计 算 和 制 造 比 较 麻 烦 ,制 造 成本 也 比 较 高 。 一 般 是 在 成 批 、 大 量 生 产 中 使 用 。 目 前 多 在 纺 织 机 械 厂 ,汽 车 厂 ,拖 拉 机 厂 ,轴 承 厂 等 工 厂 中 使 用 。 1.2 设计目的 金 属 切 削 刀 具 课 程 设 计 是 学生 在 学完“金 属 切 削 原理及刀 具 ”等有 关课 程 的 基础上 进行的 重 要 的 实践性教学环节, 其目 的 是 使 学生 巩固和 深化课 堂理论教学内 容, 锻炼和 培养学生 综合运 用 所 学知 识 和 理论的 能 力 , 是 对 学生 进行独 立 分 析 、 解 决 问 题 能 力 的 强 化训 练 。 通 过 金 属 切 削 刀 具 课 程 设 计 , 具 体 应 使 学生 做 到 : (1 ) 掌 握 金 属 切 削 刀 具 的 设 计 和 计 算 的 基本 方 法 ; (2 ) 学会 运 用 各 种 设 计 资 料 、 手 册 和 国 家 标 难 ; (3 ) 学会 绘 制 符 合标 准 要 求 的 刀 具 工 作 图 , 能 标 注 出 必...

1、当您付费下载文档后,您只拥有了使用权限,并不意味着购买了版权,文档只能用于自身使用,不得用于其他商业用途(如 [转卖]进行直接盈利或[编辑后售卖]进行间接盈利)。
2、本站所有内容均由合作方或网友上传,本站不对文档的完整性、权威性及其观点立场正确性做任何保证或承诺!文档内容仅供研究参考,付费前请自行鉴别。
3、如文档内容存在违规,或者侵犯商业秘密、侵犯著作权等,请点击“违规举报”。

碎片内容

圆体成形车刀的课程设计

小辰8+ 关注
实名认证
内容提供者

出售各种资料和文档

确认删除?
VIP
微信客服
  • 扫码咨询
会员Q群
  • 会员专属群点击这里加入QQ群
客服邮箱
回到顶部