电脑桌面
添加小米粒文库到电脑桌面
安装后可以在桌面快捷访问

岩棉生产流程VIP免费

岩棉生产流程_第1页
1/12
岩棉生产流程_第2页
2/12
岩棉生产流程_第3页
3/12
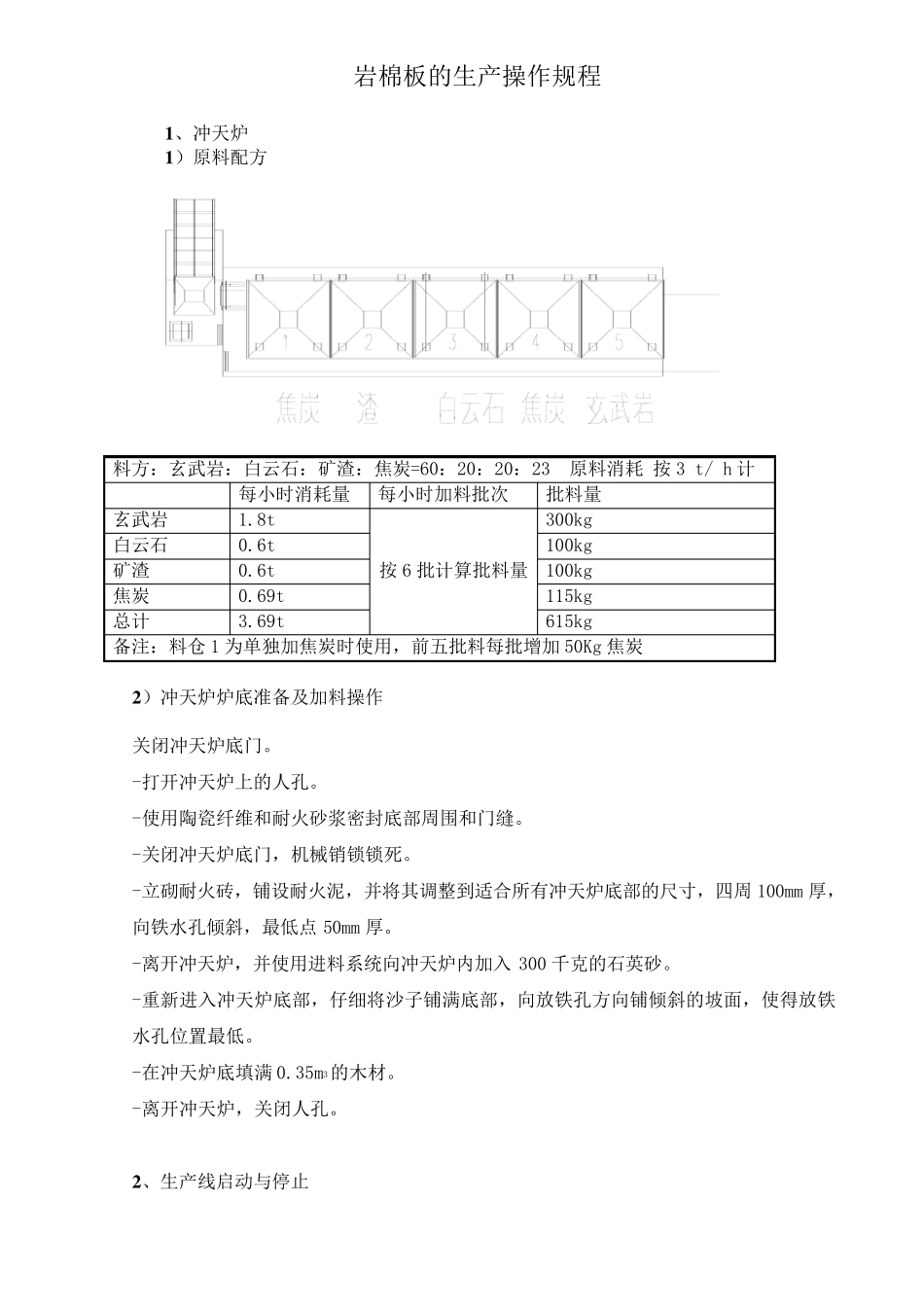
岩棉板的生产工艺流程图 → → 称量 熔体流槽 纤维形成室 集棉机 冲天炉 提升机 四辊离心机 纵切切片 固化炉 打摺机 横切 贴面机 焦炭堆场 原材堆场 循环冷却水 润滑脂 高压风 流量计 喷嘴 树脂供应 冷却 包装 入库 抽风机 热风循环 热风炉 岩棉板的生产操作规程 1 、冲天炉 1 )原料配方 料方:玄武岩:白云石:矿渣:焦炭=60:20:20:23 原料消耗 按 3 t/ h 计 每小时消耗量 每小时加料批次 批料量 玄武岩 1.8t 按 6 批计算批料量 300kg 白云石 0.6t 100kg 矿渣 0.6t 100kg 焦炭 0.69t 115kg 总计 3.69t 615kg 备注:料仓 1 为单独加焦炭时使用,前五批料每批增加 50Kg 焦炭 2 )冲天炉炉底准备及加料操作 关闭冲天炉底门。 -打开冲天炉上的人孔。 -使用陶瓷纤维和耐火砂浆密封底部周围和门缝。 -关闭冲天炉底门,机械销锁锁死。 -立砌耐火砖,铺设耐火泥,并将其调整到适合所有冲天炉底部的尺寸,四周 100mm 厚,向铁水孔倾斜,最低点 50mm 厚。 -离开冲天炉,并使用进料系统向冲天炉内加入 300 千克的石英砂。 -重新进入冲天炉底部,仔细将沙子铺满底部,向放铁孔方向铺倾斜的坡面,使得放铁水孔位置最低。 -在冲天炉底填满 0.35m3的木材。 -离开冲天炉,关闭人孔。 2 、生产线启动与停止 1)焚烧热风系统启动 启动离心机冷却水泵;点燃焚烧炉,升温开始 焚烧炉出口温度 0~200℃ 200℃ 200~400℃ 400~700℃ 废气引风机HZ 5 保持 30min 15 30 冷却器冷却风机 开启 开启 开启 焚烧炉助燃空气进风阀的开度% 30 30 30 焚烧炉助燃空气放空阀的开度% 100 100 100 保持冲天炉出口负压mmH2O -8~-3 -8~-3 -8~-3 冲天 炉助燃风机 HZ 10 15 15 风量 Nm3/h 1500 2500 2500 冲天炉助燃空气进风阀开度% 0 0 0 冲天炉助燃空气放空阀开度% 100 100 100 升温速度℃/min 20 10 10 2)冲天炉启动与停止 A、冲天炉启动 打开应急烟囱; 启动冲天炉冷却水泵,开启阀门,确认冲天炉冷却塔工作正常; 炉底准备完毕后分 4 次加入 800kg 底焦;向冲天炉内加料,开始的 5 批按比正常生产时多加 50Kg 焦炭加料。 从放铁水口点燃冲天炉; 逐步调节冲天炉助燃风进风阀门的开度至 100% 助燃风量 3500Nm 3/h(最少 350℃),同时调节冲天炉助燃风机和烟气引风机,将冲天炉出口负压控制在-8~-3mmH2O 关...

1、当您付费下载文档后,您只拥有了使用权限,并不意味着购买了版权,文档只能用于自身使用,不得用于其他商业用途(如 [转卖]进行直接盈利或[编辑后售卖]进行间接盈利)。
2、本站所有内容均由合作方或网友上传,本站不对文档的完整性、权威性及其观点立场正确性做任何保证或承诺!文档内容仅供研究参考,付费前请自行鉴别。
3、如文档内容存在违规,或者侵犯商业秘密、侵犯著作权等,请点击“违规举报”。

碎片内容

岩棉生产流程

确认删除?
VIP
微信客服
  • 扫码咨询
会员Q群
  • 会员专属群点击这里加入QQ群
客服邮箱
回到顶部