电脑桌面
添加小米粒文库到电脑桌面
安装后可以在桌面快捷访问

第五篇地下管网与地下结构设施613VIP免费

第五篇地下管网与地下结构设施613_第1页
1/10
第五篇地下管网与地下结构设施613_第2页
2/10
第五篇地下管网与地下结构设施613_第3页
3/10
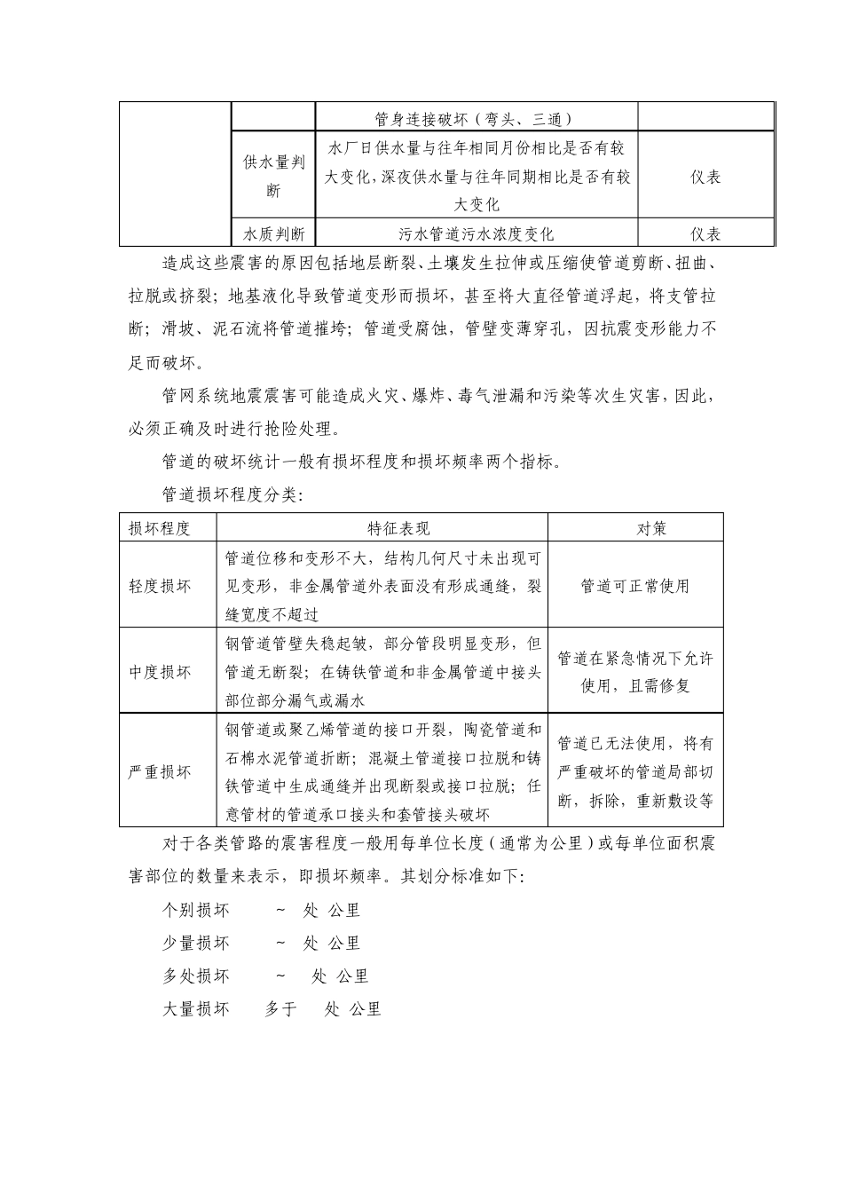
第五篇 地下管网与地下结构设施 一 概 述 电力、燃气、给排水、交通、通信、热力等是城市和企业基础公共设施的重要组成部分,它像人体内的“神经”和“血管”,日夜担负着传送信息、能量、养分的作用,是城市和企业得以生存和正常生产的重要物质基础,被称为“生命线”。这里我们主要关注最不易被人们见到的地下管网。而其中最常见的是地下水管和燃气管道。对农村、城镇和大型城市,地下管网的数量和规模是不同的,相对来说,地震对城市地下管网系统的破坏性更大。 地下结构设施包括地铁、人防、管沟、地下隧道、采矿巷道等,地震对地下结构的破坏较地面结构相对较轻,但有时破坏也是灾难性的。 世界上差不多每次地震都有管网工程破坏的记载。管网工程的破坏更会扩大灾情,造成抗震救灾受阻,生产难以恢复,甚至造成社会混乱。 地震后水管常会发生泄露和破坏,影响灾民生活,有时会淹没低洼地区。燃气管道破裂,燃气外溢,遇明火就会引起火灾,又因给水系统破坏,火灾不易扑灭,大火蔓延更会造成更大损失。所以做好管网系统的抗震救灾工作是非常重要的。 二 相关知识 管网材料分类 (1) 钢管 (2) 球墨铸铁管 (3) 混凝土管 (4) 热塑性塑料管 (5) 热固性塑料管 (6) 塑料结构壁管 (7) 钢—塑复合管 1. 管网介质分类 (1) 水(給 水、排水) (2) 燃气(天然气,人工煤气,液化石油气) (3) 其他工业气体或液体(热力、电力等) 三 地下管网地震破坏初步判别 地下管网的抗震诊断一般通过以下三个途径: 1. 利用远程监测系统、GIS地理信息系统等,震后实时显示震害地点、破坏程度等; 2. 利用仪器仪表进行现场探测; 3. 人工直观目测或简单判断。 快速判别一般采用人工简单判断或辅以简单设备。具体方法见下表: 管道种类 部位 检查内容要点 方法 燃气管道 井 及附属设备 有无泄漏 生产设备震坏 焊接部位裂纹 有无腐蚀变形 有无松动损伤 目测 肥皂水气泡检查 安全装臵 确认排放系统机能 确认紧急切断装臵机能 开关调压阀门或仪器仪表不动作或误动作 目测 开闭试验 管道主体 有无泄漏 有无腐蚀损伤 管道位移、折断、变形、龟裂、接头拔脱或松动 目测或燃气泄漏检测仪 给排水管道 阀门井及附件 有无泄漏、有无腐蚀 焊接部位裂纹 有无腐蚀变形 有无松动 目测 水源设施 确认运转正常 水池是否出现裂缝、设施设备破坏 目测 水量示值 管线主体 有无泄漏...

1、当您付费下载文档后,您只拥有了使用权限,并不意味着购买了版权,文档只能用于自身使用,不得用于其他商业用途(如 [转卖]进行直接盈利或[编辑后售卖]进行间接盈利)。
2、本站所有内容均由合作方或网友上传,本站不对文档的完整性、权威性及其观点立场正确性做任何保证或承诺!文档内容仅供研究参考,付费前请自行鉴别。
3、如文档内容存在违规,或者侵犯商业秘密、侵犯著作权等,请点击“违规举报”。

碎片内容

第五篇地下管网与地下结构设施613

您可能关注的文档

小辰9+ 关注
实名认证
内容提供者

出售各种资料和文档

确认删除?
VIP
微信客服
  • 扫码咨询
会员Q群
  • 会员专属群点击这里加入QQ群
客服邮箱
回到顶部