电脑桌面
添加小米粒文库到电脑桌面
安装后可以在桌面快捷访问

等级保护2.0基本要求二级三级对比表VIP免费

等级保护2.0基本要求二级三级对比表_第1页
1/22
等级保护2.0基本要求二级三级对比表_第2页
2/22
等级保护2.0基本要求二级三级对比表_第3页
3/22
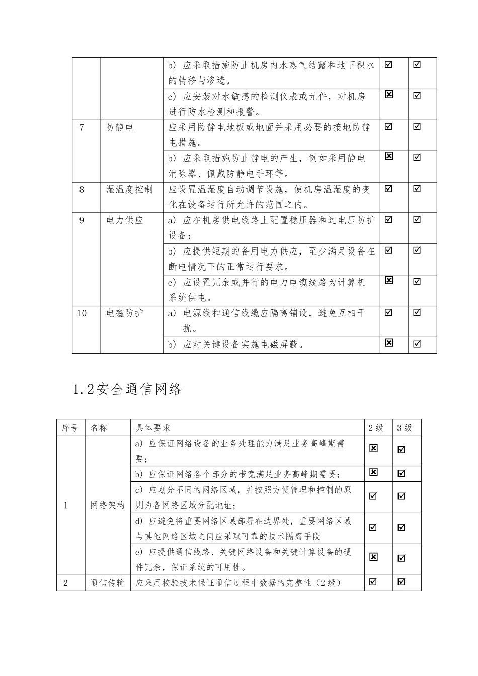
1 通用技术要求 1.1 安全物理环境 需要满足符合项的,不需要满足符合项的或者空 序号 名称 具体要求 2 级 3 级 1 物理位置的选择 a) 机房场地应选择在具有防震、防风和防雨等能力的建筑内;   b) 机房场地应避免设在建筑物的顶层或地下室,否则应加强防水和防潮措施。   2 物理访问控制 机房出入口应安排专人值守或配置电子门禁系统,控制、鉴别和记录进入的人员。   机房出入口应配置电子门禁系统,控制、鉴别和记录进入的人员。   3 防盗窃和防破坏 a) 应将设备或主要部件进行固定,并设置明显的不易除去的标识;   b) 应将通信线缆铺设在隐蔽安全处。   c) 应设置机房防盗报警系统或设置有专人值守的视频监控系统。   4 防雷击 应将各类机柜、设施和设备等通过接地系统安全接地。   b) 应采取措施防止感应雷,例如设置防雷保安器或过压保护装置等。   5 防火 a) 机房应设置火灾自动消防系统,能够自动检测火情、自动报警,并自动灭火;   b) 机房及相关的工作 房间 和辅 助 房应采用具有耐火等级的建筑材 料 。   c) 应对 机房划 分 区 域 进行管 理,区 域 和区 域 之间 设置隔 离 防火措施。   6 防水和防潮 a) 应采取措施防止雨水通过机房窗 户 、屋 顶和墙壁 渗 透 ;   b) 应采取措施防止机房内水蒸气结露和地下积水的转移与渗透。   c) 应安装对水敏感的检测仪表或元件,对机房进行防水检测和报警。   7 防静电 应采用防静电地板或地面并采用必要的接地防静电措施。   b) 应采取措施防止静电的产生,例如采用静电消除器、佩戴防静电手环等。   8 湿温度控制 应设置温湿度自动调节设施,使机房温湿度的变化在设备运行所允许的范围之内。   9 电力供应 a) 应在机房供电线路上配置稳压器和过电压防护设备;   b) 应提供短期的备用电力供应,至少满足设备在断电情况下的正常运行要求。   c) 应设置冗余或并行的电力电缆线路为计算机系统供电。   10 电磁防护 a) 电源线和通信线缆应隔离铺设,避免互相干扰。   b) 应对关键设备实施电磁屏蔽。   1.2 安全通信网络 序号 名称 具体要求 2 级 3 级 1 网络架构 a) 应保证网络设备的业务处理能力满足业务高峰期需要;   ...

1、当您付费下载文档后,您只拥有了使用权限,并不意味着购买了版权,文档只能用于自身使用,不得用于其他商业用途(如 [转卖]进行直接盈利或[编辑后售卖]进行间接盈利)。
2、本站所有内容均由合作方或网友上传,本站不对文档的完整性、权威性及其观点立场正确性做任何保证或承诺!文档内容仅供研究参考,付费前请自行鉴别。
3、如文档内容存在违规,或者侵犯商业秘密、侵犯著作权等,请点击“违规举报”。

碎片内容

等级保护2.0基本要求二级三级对比表

小辰3+ 关注
实名认证
内容提供者

出售各种资料和文档

确认删除?
VIP
微信客服
  • 扫码咨询
会员Q群
  • 会员专属群点击这里加入QQ群
客服邮箱
回到顶部