电脑桌面
添加小米粒文库到电脑桌面
安装后可以在桌面快捷访问

实木家具生产工艺流程VIP免费

实木家具生产工艺流程_第1页
1/3
实木家具生产工艺流程_第2页
2/3
实木家具生产工艺流程_第3页
3/3
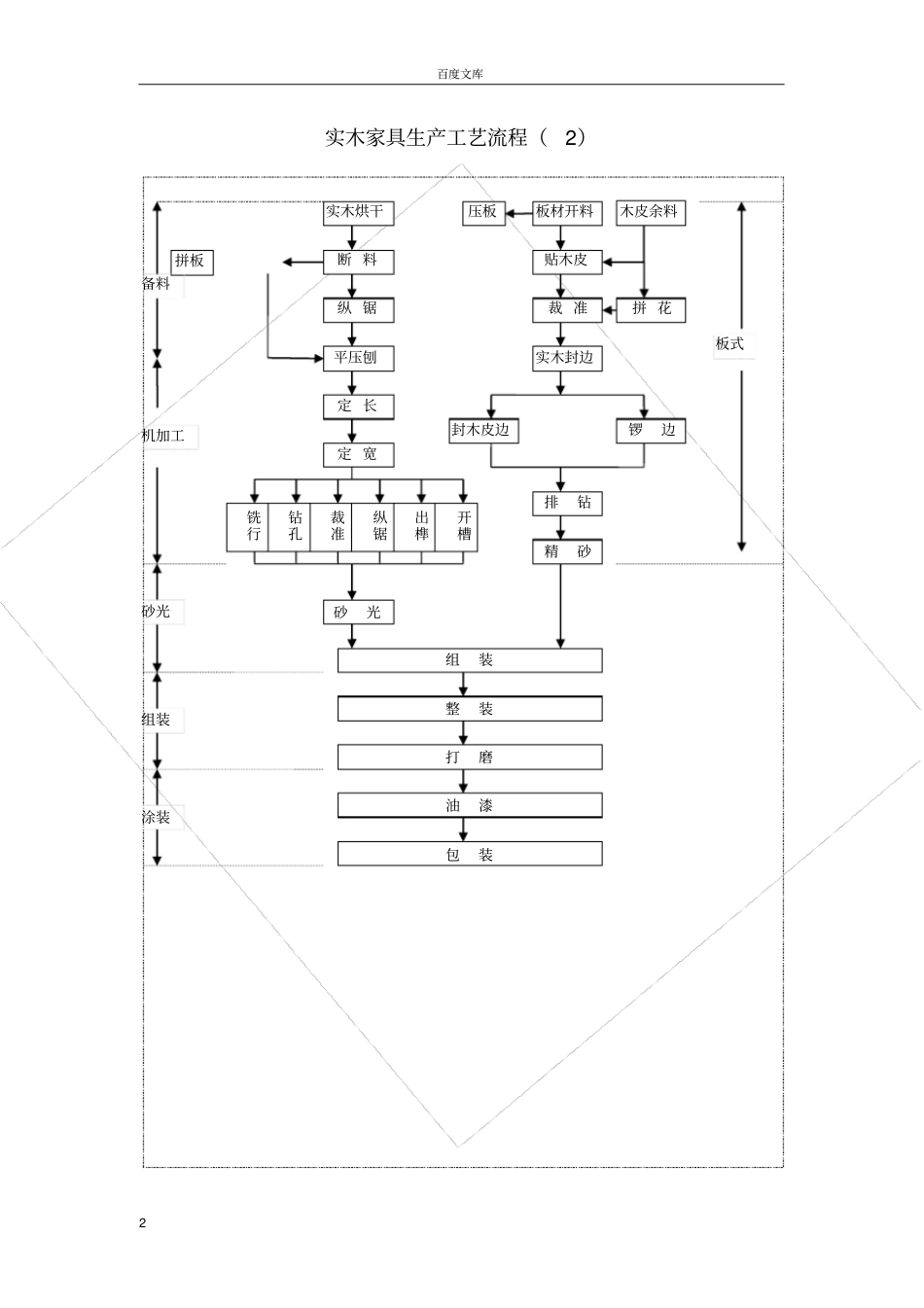
百度文库1 实木生产工艺流程图(1)一、实木生产工艺流程图(1)实木余料实木烘干实木余料指接拼板断料拼板带锯纵锯平压刨定 长定 宽雕刻返烘铣形裁准线锯出榫钻孔开槽补烂一度 80、二度 120一度 180、二度 240补 腻 子手机砂 =360°上胶、装木榫上夹具、 组装、清整装、 清胶、 角磨定 厚锣 机备 料机 加砂 磨组 装清补、手清砂白坯成品检验、 入百度文库2 实木家具生产工艺流程(2)断 料纵 锯平压刨定 长定 宽实木烘干板材开料贴木皮裁 准实木封边压板拼板木皮余料拼 花封木皮边锣边排钻精砂铣行钻孔裁准纵锯出榫开槽砂光组装整装打磨油漆包装机加工备料砂光组装涂装板式百度文库3 开 料冷 压裁 准封实木边定 厚 砂 光拼花热压裁 准封实木边锣 边排钻组合整装油漆包装备 料机加工热压砂 光拼 花组 装涂 装压 板精妙

1、当您付费下载文档后,您只拥有了使用权限,并不意味着购买了版权,文档只能用于自身使用,不得用于其他商业用途(如 [转卖]进行直接盈利或[编辑后售卖]进行间接盈利)。
2、本站所有内容均由合作方或网友上传,本站不对文档的完整性、权威性及其观点立场正确性做任何保证或承诺!文档内容仅供研究参考,付费前请自行鉴别。
3、如文档内容存在违规,或者侵犯商业秘密、侵犯著作权等,请点击“违规举报”。

碎片内容

实木家具生产工艺流程

确认删除?
VIP
微信客服
  • 扫码咨询
会员Q群
  • 会员专属群点击这里加入QQ群
客服邮箱
回到顶部