电脑桌面
添加小米粒文库到电脑桌面
安装后可以在桌面快捷访问

实践初步试验报告VIP免费

实践初步试验报告_第1页
1/10
实践初步试验报告_第2页
2/10
实践初步试验报告_第3页
3/10
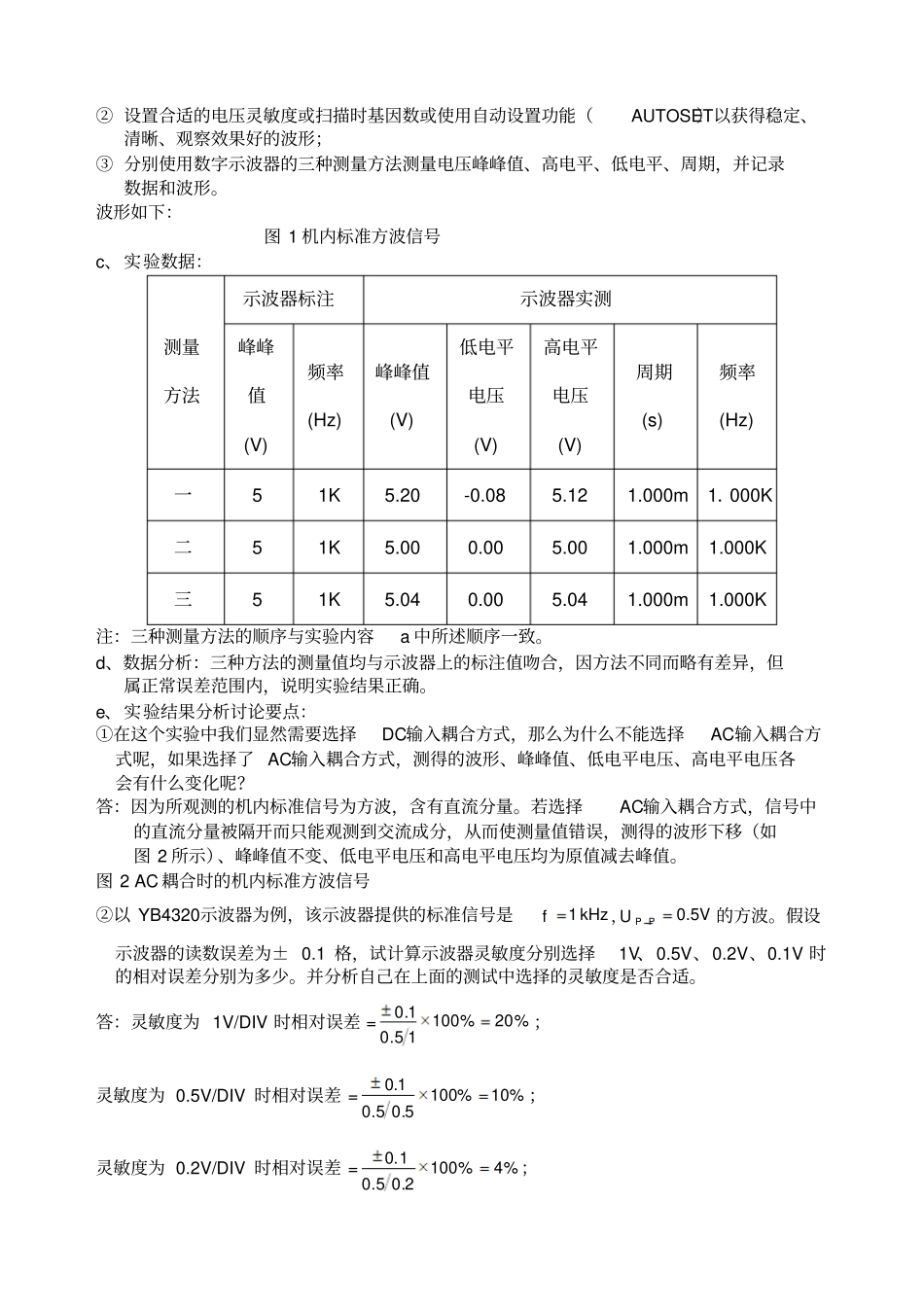
东南大学电工电子中心实验报告课程名称: 电工电子实践初步第 1~2 次实验实验名称:常用电子仪器的使用院(系):自动化学院 专业:自动化姓名: XXX学号: 0800XX实验室: 8 室实验组别: XX 同组人员:实验时间:2010 年 8 月 21~9 月 9 日评定成绩:审阅教师:一、实验目的1、掌握常用电子仪器的使用方法;2、掌握几种典型信号的幅值、有效值和周期的测量;3、学会识别常用电子元器件;4、学会用万用表测量电阻、电容的方法。二、实验仪器设备1、TDS1001型数字示波器;2、F05A型数字合成函数 / 任意波信号发生器 / 计数器;3、UT803型数字万用表4、YB2172型交流毫伏表三、实验内容1、示波器测量前的调节与准备内容:根据测量要求设置菜单变量。2、机内标准信号测量a、内容:将机内的标准方波信号输入到CH1通道,用示波器测量这个信号,将波形画在坐标纸上,测量数据记录到表3 中并分析讨论(峰峰值和周期要按所列格式记录)。用数字示波器测量电压峰峰值、高电平、低电平、周期时必须用三种方法:第一种方法是直接使用面板上的“ MEASURE”按钮,然后在显示屏上读数;第二种方法是先读出波形垂直所占格数或水平所占格数,然后用“格数×倍率(V/DIV,S/DIV)”方式计算相应电压或时间;第三种方法是用游标来测量。b、操作过程:① 将机内标准方波信号接入CH1通道;② 设置合适的电压灵敏度或扫描时基因数或使用自动设置功能(AUTOSET)以获得稳定、清晰、观察效果好的波形;③ 分别使用数字示波器的三种测量方法测量电压峰峰值、高电平、低电平、周期,并记录数据和波形。波形如下:图 1 机内标准方波信号c、实验数据:测量方法示波器标注示波器实测峰峰值(V) 频率(Hz) 峰峰值(V) 低电平电压(V) 高电平电压(V) 周期(s) 频率(Hz) 一5 1K 5.20 -0.08 5.12 1.000m 1.000K 二5 1K 5.00 0.00 5.00 1.000m 1.000K 三5 1K 5.04 0.00 5.04 1.000m 1.000K 注:三种测量方法的顺序与实验内容a 中所述顺序一致。d、数据分析:三种方法的测量值均与示波器上的标注值吻合,因方法不同而略有差异,但属正常误差范围内,说明实验结果正确。e、实验结果分析讨论要点:①在这个实验中我们显然需要选择DC输入耦合方式,那么为什么不能选择AC输入耦合方式呢,如果选择了 AC输入耦合方式,测得的波形、峰峰值、低电平电压、高电平电压各会有什么变化呢?答:因为所观测的机内标准信号为方波,含有直流分...

1、当您付费下载文档后,您只拥有了使用权限,并不意味着购买了版权,文档只能用于自身使用,不得用于其他商业用途(如 [转卖]进行直接盈利或[编辑后售卖]进行间接盈利)。
2、本站所有内容均由合作方或网友上传,本站不对文档的完整性、权威性及其观点立场正确性做任何保证或承诺!文档内容仅供研究参考,付费前请自行鉴别。
3、如文档内容存在违规,或者侵犯商业秘密、侵犯著作权等,请点击“违规举报”。

碎片内容

实践初步试验报告

您可能关注的文档

确认删除?
VIP
微信客服
  • 扫码咨询
会员Q群
  • 会员专属群点击这里加入QQ群
客服邮箱
回到顶部