电脑桌面
添加小米粒文库到电脑桌面
安装后可以在桌面快捷访问

10KV断路器安装施工四措VIP免费

10KV断路器安装施工四措_第1页
1/10
10KV断路器安装施工四措_第2页
2/10
10KV断路器安装施工四措_第3页
3/10
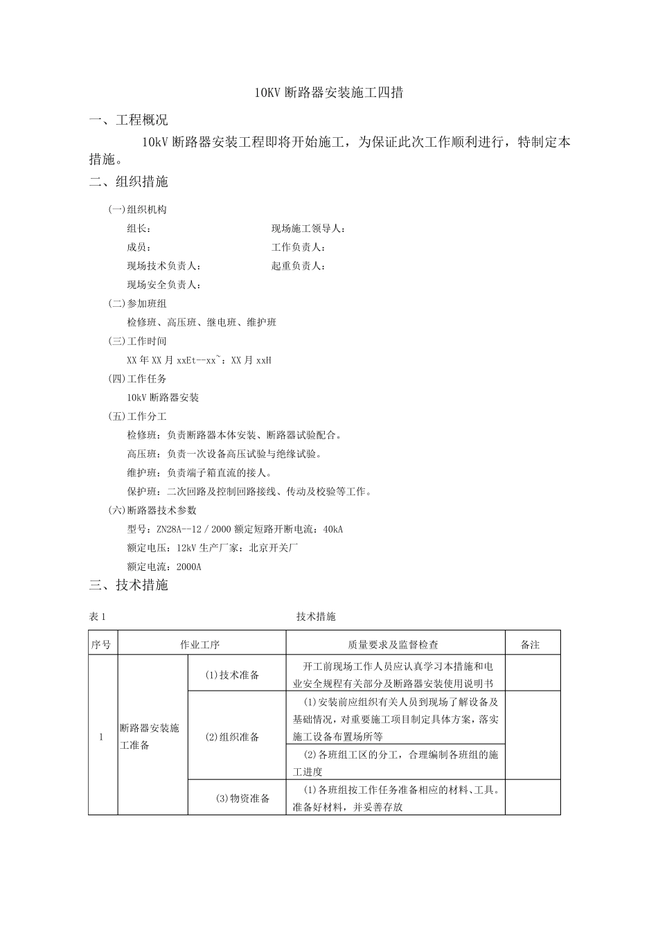
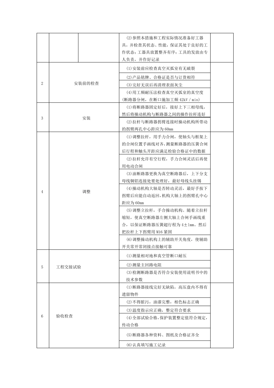
10KV 断路器安装施工四措 一、工程概况 10kV 断路器安装工程即将开始施工,为保证此次工作顺利进行,特制定本措施。 二、组织措施 (一)组织机构 组长: 现场施工领导人: 成员: 工作负责人: 现场技术负责人: 起重负责人: 现场安全负责人: (二)参加班组 检修班、高压班、继电班、维护班 (三)工作时间 XX 年 XX 月 xxEt--xx~:XX 月 xxH (四)工作任务 10kV 断路器安装 (五)工作分工 检修班:负责断路器本体安装、断路器试验配合。 高压班:负责一次设备高压试验与绝缘试验。 维护班:负责端子箱直流的接人。 保护班:二次回路及控制回路接线、传动及校验等工作。 (六)断路器技术参数 型号:ZN28A--12/2000 额定短路开断电流:40kA 额定电压:12kV 生产厂家:北京开关厂 额定电流:2000A 三、技术措施 表 1 技术措施 序号 作业工序 质量要求及监督检查 备注 1 断路器安装施工准备 (1)技术准备 开工前现场工作人员应认真学习本措施和电业安全规程有关部分及断路器安装使用说明书 (2)组织准备 (1)安装前应组织有关人员到现场了解设备及基础情况,对重要施工项目制定具体方案,落实施工设备布置场所等 (2)各班组工区的分工,合理 编 制各班组的施工进度 (3)物 资 准备 (1)各班组按 工作任务准备相 应的材 料 、工具。准备好 材 料 ,并 妥 善 存 放 (2)参 照 本 措 施 和 工 程 实 际 情 况 准 备 好 工 器具 , 并 检 查 其 状 态 、 性 能 , 保 证 其 处 于 良 好 的 工作 状 态 ; 工 器 具 放 置 整 齐 有 序 ; 工 具 的 发 放 由 专人 负 责 , 并 作 好 记 录 2 安 装 前 的 检 查 (1)安 装 前 应 检 查 真 空 灭 弧 室 有 无 破 裂 (2)产 品 铭 牌 、 合 格 证 是 否 与 订 货 相 符 (3)完 好 无 误 后 再 清 理 表 面 灰 尘 (4)用 工 频 耐 压 法 检 查 真 空 灭 弧 室 的 真 空 度(断 路 器 分 闸 , 在 断 口 施 加 工 频 42kV/ min) 3 安 装 (1)将 断 路 器 固 定 好 后 , 接 好 上 下 三 相 母 线 ,然 后 将 操 动 机 构 与 断 路 器 之 间 的 操 作 拉 杆 连 好 (2)拉 杆 与 断 路 器 拐 臂 连 接 时 操 动 机 构 所 带 动的 拐 臂 ...

1、当您付费下载文档后,您只拥有了使用权限,并不意味着购买了版权,文档只能用于自身使用,不得用于其他商业用途(如 [转卖]进行直接盈利或[编辑后售卖]进行间接盈利)。
2、本站所有内容均由合作方或网友上传,本站不对文档的完整性、权威性及其观点立场正确性做任何保证或承诺!文档内容仅供研究参考,付费前请自行鉴别。
3、如文档内容存在违规,或者侵犯商业秘密、侵犯著作权等,请点击“违规举报”。

碎片内容

10KV断路器安装施工四措

确认删除?
VIP
微信客服
  • 扫码咨询
会员Q群
  • 会员专属群点击这里加入QQ群
客服邮箱
回到顶部