电脑桌面
添加小米粒文库到电脑桌面
安装后可以在桌面快捷访问

PKPM构件配筋详解VIP免费

PKPM构件配筋详解_第1页
1/24
PKPM构件配筋详解_第2页
2/24
PKPM构件配筋详解_第3页
3/24
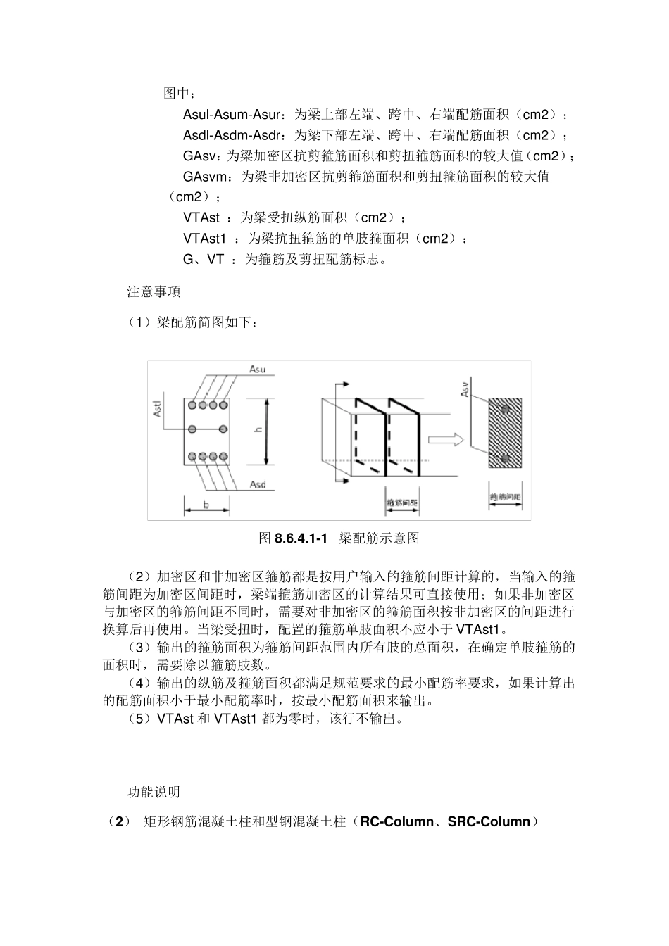
功能说明 这项菜单主要以图形方式显示各构件设计及验算结果,可以直接输出DW G 图形文件。 图8.6.4 构件计算配筋简图 8.6.4.1 各构件设计及验算结果 功能说明 简图上各构件的配筋结果表达方式如下: (1)钢筋混凝土梁和型钢混凝土梁(RC-Beam 、SRC-Beam ) 图中: Asul-Asum-Asur:为梁上部左端、跨中、右端配筋面积(cm2); Asdl-Asdm-Asdr:为梁下部左端、跨中、右端配筋面积(cm2); GAsv:为梁加密区抗剪箍筋面积和剪扭箍筋面积的较大值(cm2); GAsvm:为梁非加密区抗剪箍筋面积和剪扭箍筋面积的较大值(cm2); VTAst :为梁受扭纵筋面积(cm2); VTAst1 :为梁抗扭箍筋的单肢箍面积(cm2); G、VT :为箍筋及剪扭配筋标志。 注意事項 (1)梁配筋简图如下: 图8.6.4.1-1 梁配筋示意图 (2)加密区和非加密区箍筋都是按用户输入的箍筋间距计算的,当输入的箍筋间距为加密区间距时,梁端箍筋加密区的计算结果可直接使用;如果非加密区与加密区的箍筋间距不同时,需要对非加密区的箍筋面积按非加密区的间距进行换算后再使用。当梁受扭时,配置的箍筋单肢面积不应小于 VTAst1。 (3)输出的箍筋面积为箍筋间距范围内所有肢的总面积,在确定单肢箍筋的面积时,需要除以箍筋肢数。 (4)输出的纵筋及箍筋面积都满足规范要求的最小配筋率要求,如果计算出的配筋面积小于最小配筋率时,按最小配筋面积来输出。 (5)VTAst 和 VTAst1 都为零时,该行不输出。 功能说明 (2) 矩形钢筋混凝土柱和型钢混凝土柱(RC-Column、SRC-Column) 图中: Asc :为柱1 根角筋的总面积(cm2); Asy、Asz:分别为柱B 边和 H 边的单边面积,包括两根角筋面积(cm2); Asvj:为柱节点域抗剪箍筋面积(cm2); GAsv :为柱加密区抗剪箍筋面积(cm2); GAsvm :为柱非加密区抗剪箍筋面积(cm2); Uc :为非地震作用效应荷载组合下柱的轴压比; Ucs :为地震作用效应荷载组合下柱的轴压比; G :为箍筋配筋标志。 注意事項 (1)柱配筋简图如下: 图8 .6 .4 .1 -2 柱纵筋简图 图8.6.4.1-3 柱箍筋简图 (2)柱子全截面配筋面积计算方法:As=2*( Asx + Asy)-4*Asc (3)柱子的箍筋是按用户输入的箍筋间距计算的,并满足加密区内最小体积配箍率的要求控制。柱子的体积配箍率是按普通箍和复合箍的要求取值的。输出的箍筋面积为箍筋间距范围内所有肢的总面积,在确定单肢箍筋的面积时,...

1、当您付费下载文档后,您只拥有了使用权限,并不意味着购买了版权,文档只能用于自身使用,不得用于其他商业用途(如 [转卖]进行直接盈利或[编辑后售卖]进行间接盈利)。
2、本站所有内容均由合作方或网友上传,本站不对文档的完整性、权威性及其观点立场正确性做任何保证或承诺!文档内容仅供研究参考,付费前请自行鉴别。
3、如文档内容存在违规,或者侵犯商业秘密、侵犯著作权等,请点击“违规举报”。

碎片内容

PKPM构件配筋详解

您可能关注的文档

确认删除?
VIP
微信客服
  • 扫码咨询
会员Q群
  • 会员专属群点击这里加入QQ群
客服邮箱
回到顶部