电脑桌面
添加小米粒文库到电脑桌面
安装后可以在桌面快捷访问

PLC课程设计报告三人抢答器VIP免费

PLC课程设计报告三人抢答器_第1页
1/12
PLC课程设计报告三人抢答器_第2页
2/12
PLC课程设计报告三人抢答器_第3页
3/12
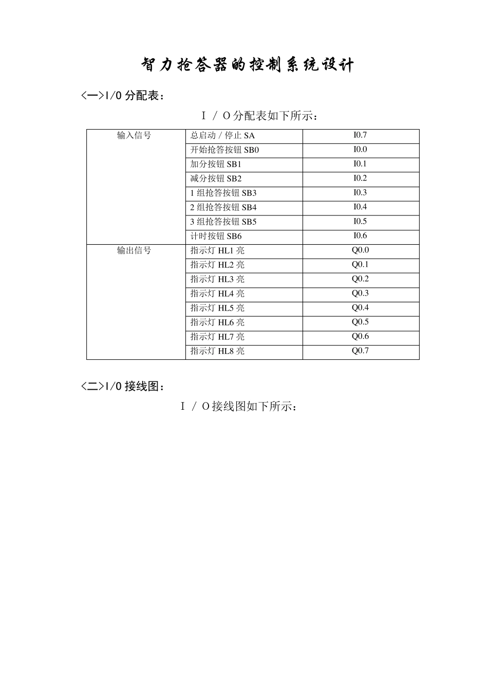
目录 1.课程设计任务书……………………………………………………………………1 1.1 课程设计的内容……………………………………………………………1 1.2 课程设计的要求与数据……………………………………………………2 1.3 课程设计应完成的工作……………………………………………………2 1.4 课程设计进程安排…………………………………………………………2 1.5 应收集的资料及主要参考文献……………………………………………3 2. 智力抢答器的控制系统设计……………………………………………………4 2.1 I/O 分配表…………………………………………………………………4 2.2 I/O 接线图…………………………………………………………………4 2.3 顺序功能图…………………………………………………………………5 2.4 系统运行框图或流程图……………………………………………………7 2.5 控制梯形图…………………………………………………………………9 2.6 调试与测试…………………………………………………………………13 2.7 心得体会与体会……………………………………………………………14 智 力 抢 答 器 的 控 制 系 统 设 计 <一>I/O 分配表: I/O分配表如下所示: 输入信号 总启动/停止 SA I0.7 开始抢答按钮 SB0 I0.0 加分按钮 SB1 I0.1 减分按钮 SB2 I0.2 1 组抢答按钮 SB3 I0.3 2 组抢答按钮 SB4 I0.4 3 组抢答按钮 SB5 I0.5 计时按钮 SB6 I0.6 输出信号 指示灯 HL1 亮 Q0.0 指示灯 HL2 亮 Q0.1 指示灯 HL3 亮 Q0.2 指示灯 HL4 亮 Q0.3 指示灯 HL5 亮 Q0.4 指示灯 HL6 亮 Q0.5 指示灯 HL7 亮 Q0.6 指示灯 HL8 亮 Q0.7 <二>I/O 接线图: I/O接线图如下所示: 1L Q0.0 Q0.1 Q0.2 Q0.3 Q0.4 Q0.5 Q0.6 Q0.7 …… 1M I0.0 I0.1 I0.2 I0.3 I0.4 I0.5 I0.6 I0.7 …… <三>顺序功能图: 顺序功能图如下所示: ~ 2 灯HL2 亮 3 灯HL3 亮 4 灯HL5 亮 5 灯HL7 亮 0 初始化 1 灯HL1 亮 6 灯HL3 灭 7 灯HL5 灭 8 灯HL7 灭 9 HL3 闪烁 10 HL4 闪烁 11 HL5 闪烁 12 HL6 闪烁 13 HL7 闪烁 14 HL8 闪烁 15 灯HL3 亮 16 灯HL5 亮 17 灯HL7 亮 步9、步10、步11、步12、步13、步14 的子步顺序功能图分别如下: <四>系统运行框图或流...

1、当您付费下载文档后,您只拥有了使用权限,并不意味着购买了版权,文档只能用于自身使用,不得用于其他商业用途(如 [转卖]进行直接盈利或[编辑后售卖]进行间接盈利)。
2、本站所有内容均由合作方或网友上传,本站不对文档的完整性、权威性及其观点立场正确性做任何保证或承诺!文档内容仅供研究参考,付费前请自行鉴别。
3、如文档内容存在违规,或者侵犯商业秘密、侵犯著作权等,请点击“违规举报”。

碎片内容

PLC课程设计报告三人抢答器

小辰3+ 关注
实名认证
内容提供者

出售各种资料和文档

确认删除?
VIP
微信客服
  • 扫码咨询
会员Q群
  • 会员专属群点击这里加入QQ群
客服邮箱
回到顶部