电脑桌面
添加小米粒文库到电脑桌面
安装后可以在桌面快捷访问

ProE培训练习题汇总VIP免费

ProE培训练习题汇总_第1页
1/22
ProE培训练习题汇总_第2页
2/22
ProE培训练习题汇总_第3页
3/22
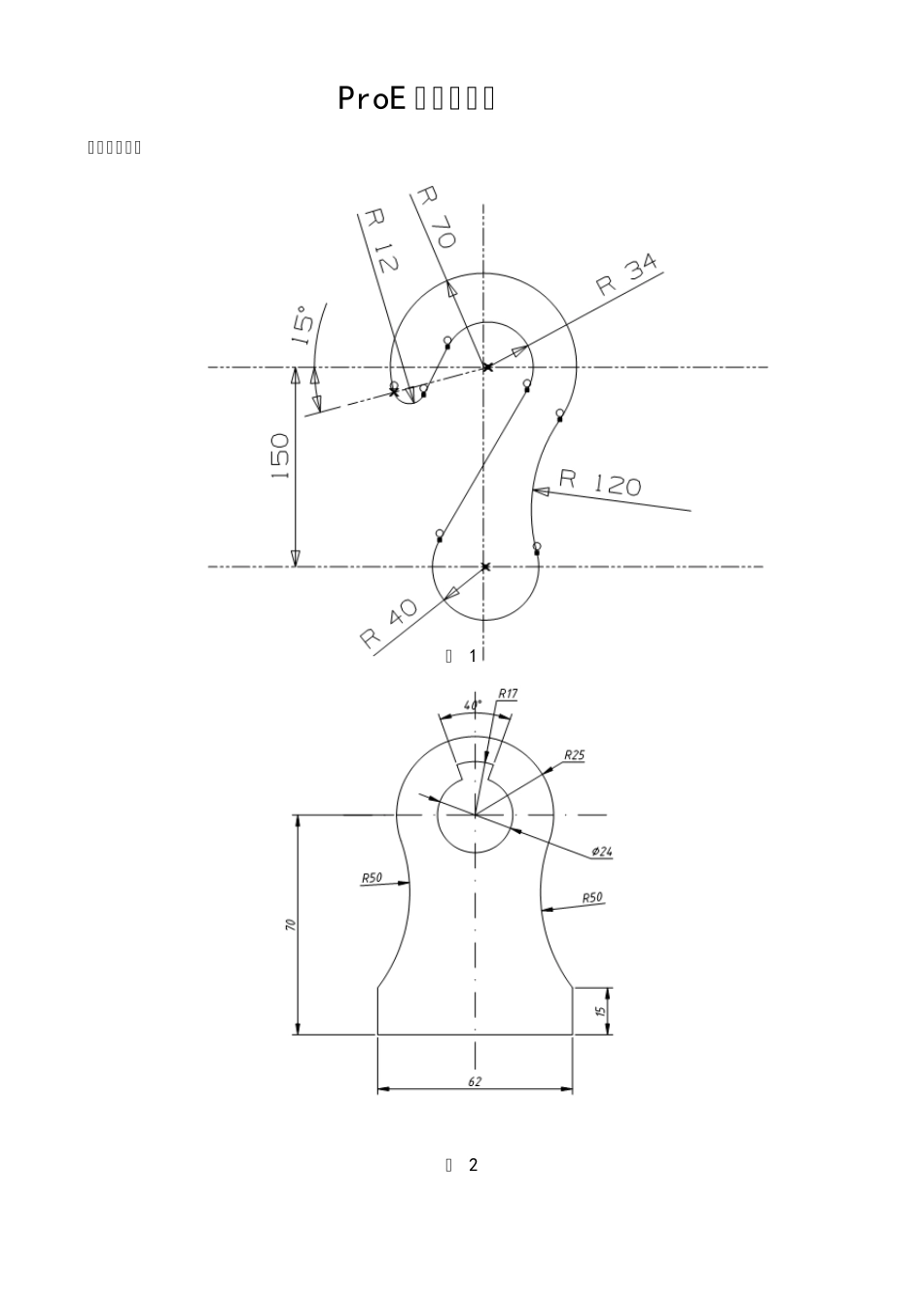
ProE 培训练习题 一、草绘部分 题 1 题 2 题 3 题 4 二、零件建模部分 题 2.1 题 2.3 题 2.4 题 2.5 题 2.6 题 2.7 题 2.8 题 2.9 三、综合类 题 3.1 题 3.2 题 3.3 题 3.4 题 3.5 题 3.6 完成下图零件的实体建模 Pro/E 工程图模板 1、建立下图A 4 图框和标题栏,外框尺寸为 297*210, 内框距外框左边距为 25,其余边距均为 5;标题栏140*24(三行均分为 8),从左至右列宽为 10,20,20,50。标题栏中须写入制图、校核和你自己的姓名。(5) 2、 分别对格式和工程图文件进行配置,参数改动见附件, 生成的文件名保存为:(5) 格式 format.dtl a4.frm 工程图mya4.dtl mya4.drw 图纸格式的变量值 drawing_text_height 3.5 text_thickness 0.2 text_width_factor 0.8 default_font font draw_arrow_length 3 draw_arrow_style filled draw_arrow_width 1 leader_elbow_length 3 draft_scale 1 drawing_units MM line_style_standard STD_ANSI 工程图格式的变量值 drawing_text_height 3.5 text_thickness 0.2000 text_width_factor 0.8000 projection_type FIRST_ANGLE Show_total_unfold_seam NO view_scale_denominator 10 crossec_arrow_length 5 crossec_text_place BEFORE_TAIL dim_leader_length 8.0 dim_text_gap 1 lead_trail_zeros std_default ord_dim_standard STD_ISO text_orientation ISO_PARALLEL_DIAM_HORIZ tol_display NO witness_line_delta 2.000000 witness_line_offset 1.5 default_font font draw_arrow_length 3 draw_arrow_style filled draw_arrow_width 1 leader_elbow_length 7 drawing_units MM 工程图模板创建 一、定制绘图格式文件 1、新建——草绘——输入文件名例如:A4——进入草绘环境 2、绘制图纸边框、装订线及标题栏 3、保存成 A4.sec 二、创建新的图纸格式文件 1、新建——格式——输入文件名,例如:frmA4——不使用缺省模板。 2、指定模板——截面为空——浏览导入 A4.sec——确定,进入格式环境 3、文件——属性——根据给定图纸格式的变量值 设置相应变量。——保存当前显示的配置文件,例如保存成 frmA4.dtl。 4、设置边框线的线型和宽度:选择线——右键——线型 5、填写标题栏中的固定文字:插入——注释——制作注释——点击插入点——输入文字即可。 6、保存 frmA4.frm 三、创建工程图 1、新建——绘图——输入名字例如:myA4——不使用缺省模板——确定 2、指定模板——格式为空——浏览导入第二步生产的 frmA4.frm——确定,进入工程图环境 3、文件——属性——绘图选项——根据工程图格式的变量值 进行相应设置——应用——保存配置文件,例如:my A4.dtl 4、工具——选项——不选择:仅从文件中选中——设置如下变量: Format_setup_file 浏览——选中第二步生成的: frma4.dtl ——添加更改 Drawing_setup_file 浏览——选中第三步生成的:myA4.dtl——添加更改。 5、保存

1、当您付费下载文档后,您只拥有了使用权限,并不意味着购买了版权,文档只能用于自身使用,不得用于其他商业用途(如 [转卖]进行直接盈利或[编辑后售卖]进行间接盈利)。
2、本站所有内容均由合作方或网友上传,本站不对文档的完整性、权威性及其观点立场正确性做任何保证或承诺!文档内容仅供研究参考,付费前请自行鉴别。
3、如文档内容存在违规,或者侵犯商业秘密、侵犯著作权等,请点击“违规举报”。

碎片内容

ProE培训练习题汇总

确认删除?
VIP
微信客服
  • 扫码咨询
会员Q群
  • 会员专属群点击这里加入QQ群
客服邮箱
回到顶部