电脑桌面
添加小米粒文库到电脑桌面
安装后可以在桌面快捷访问

内部资料整理资料RC降压电路的电源方案设计规范VIP免费

内部资料整理资料RC降压电路的电源方案设计规范_第1页
1/8
内部资料整理资料RC降压电路的电源方案设计规范_第2页
2/8
内部资料整理资料RC降压电路的电源方案设计规范_第3页
3/8
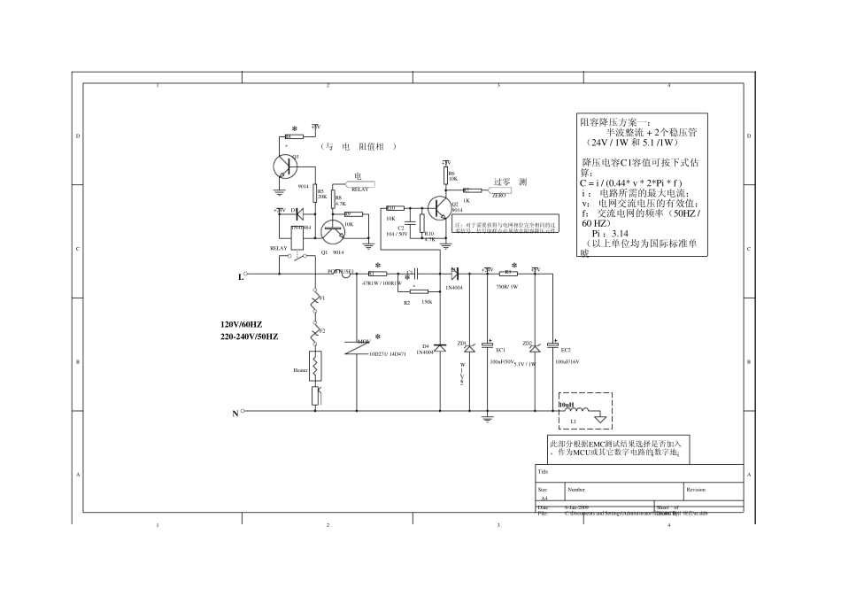
采用 R C 阻容降压电源方案设计规范 由于采用阻容降压供电替代变压器供电,具有电路简单体积小且价格低廉等优点,因此在安规要求和 EMC 要求满足的前提下,可以采用该方案来减少产品成本,现将我公司在电路设计中,经常用到的几种 RC 阻容降压电源方案以及电路中关键元件的选择归纳如下: 方案一:主电路采用半波整流 + 1 个 24V/1W 稳压管和一个 5.1V/1W 稳压管; 该方案适用控制线路消耗很小电流的线路板中,如:主要使用 LCD+背光显示(或少量的 LED 显示)的产品中; 方案二:主电路采用全波整流 + 1 个 24V/1W 稳压管和一个 5.1V/1W 稳压管; 该方案适用于控制线路消耗稍大电流的线路板中,如:主要使用位数较多的数码管+LED 显示的产品中; 方案三:主电路采用全波整流 + 1 个 12V/1W 稳压管和一个三端稳压 78L05; 该方案适用于控制线路负载较大的线路板中,如:使用了带背光的 LCD显示或数码管显示同时还需要驱动蜂鸣器的线路板中; 关键元件的选择 一.阻容降压中降压电容类型及参数的选择: 1. 降压电容的类型选择: 降压电容可以选取CBB 电容、CL21 电容,对于出口南美的产品或需要满足IEC 安规要求的必须选择 X2 安规电容。 2. 降压电容的参数选择: ① 容值的选择: 由于电容降压电源相当于一个恒流源,电容的容值一旦选定后,不管负载工作与否,它提供的电流始终是一样的,所以在待机状态下(背光或 LED 数码管熄灭,继电器释放等状态)也会有比较大的功耗,长期接在市电中其耗电量不容忽视,另外如果电容量过大,提供了多余的电流也会对电路中的别的一些元件造成过大发热的损耗,对这些元件的寿命带来负面影响。所以降压电容的容值要选择得适宜,既要能保证在电网电压在额定值的+5%~-10%范围内波动仍然能正常工作(继电器能正常动作,LED\背光亮度不闪烁,芯片正常工作),还要保证线路中的稳压二极管和大功率电阻的温度不要过高。 可以预先估计最大的负载电流来选取电容的容值,对于半波整流电路电容值按下式估算: C = i / (0.44* v * 2*Pi * f ) 对于全波整流电路,电容值可按下式估算: C = i / (0.89* v * 2*Pi * f ) i : 电路所需的最大电流; v: 电网交流电压的有效值; f: 交流电网的频率(50HZ / 60 HZ) Pi :3.14 (以上单位均为国际标准单位) ② 电容耐压值的选择: 电容的耐压值应大于额定交流电压的峰值电压的...

1、当您付费下载文档后,您只拥有了使用权限,并不意味着购买了版权,文档只能用于自身使用,不得用于其他商业用途(如 [转卖]进行直接盈利或[编辑后售卖]进行间接盈利)。
2、本站所有内容均由合作方或网友上传,本站不对文档的完整性、权威性及其观点立场正确性做任何保证或承诺!文档内容仅供研究参考,付费前请自行鉴别。
3、如文档内容存在违规,或者侵犯商业秘密、侵犯著作权等,请点击“违规举报”。

碎片内容

内部资料整理资料RC降压电路的电源方案设计规范

确认删除?
VIP
微信客服
  • 扫码咨询
会员Q群
  • 会员专属群点击这里加入QQ群
客服邮箱
回到顶部