电脑桌面
添加小米粒文库到电脑桌面
安装后可以在桌面快捷访问

冲裁力计算剪切强度VIP免费

冲裁力计算剪切强度_第1页
1/10
冲裁力计算剪切强度_第2页
2/10
冲裁力计算剪切强度_第3页
3/10
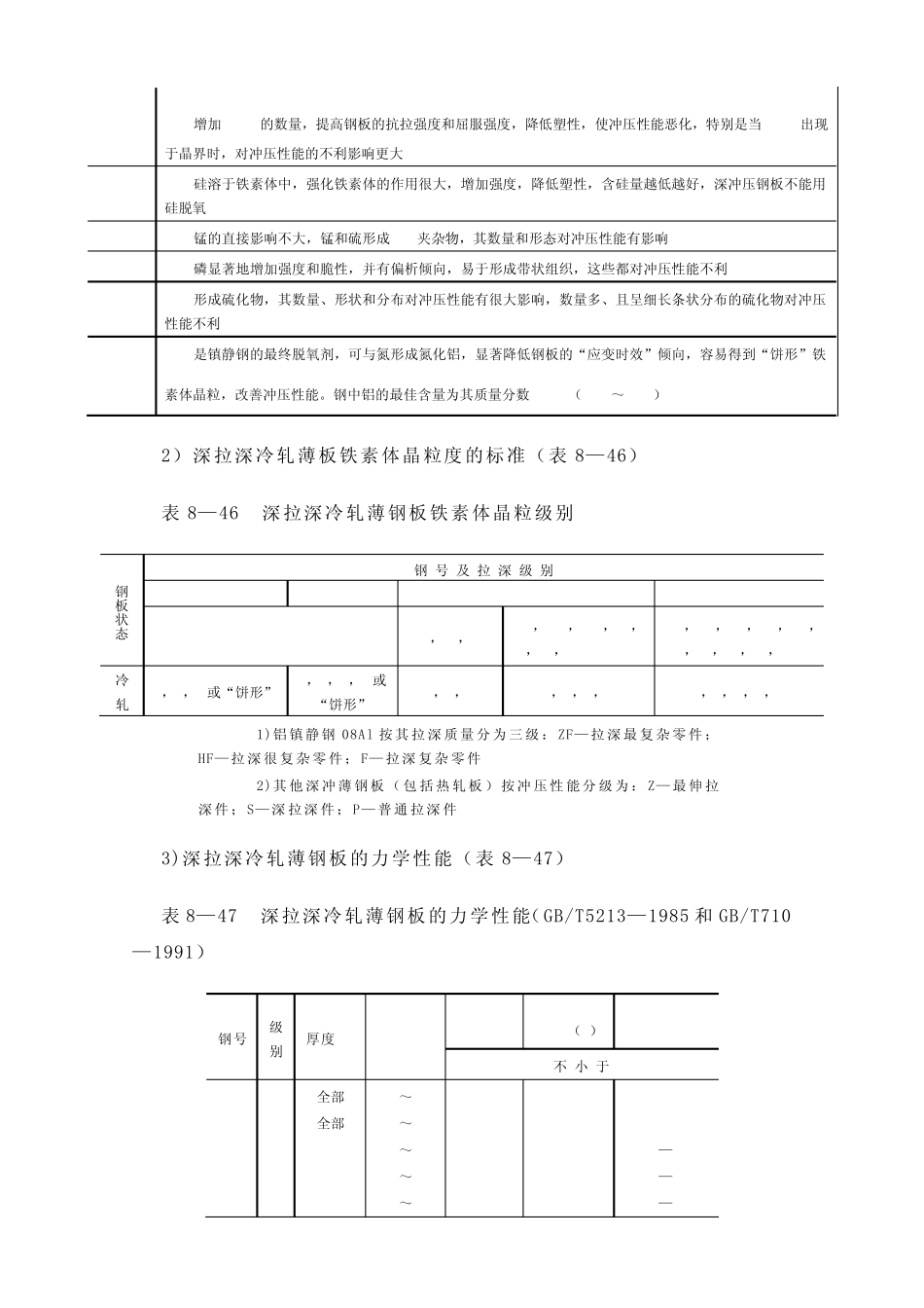
一、黑色金属 1.深拉深用冷轧钢板发化学成分和力学性能 1)深拉深钢板的化学成分 深拉深用冷轧钢板主要有08Al、08F、08、及10、15、20 钢。其化学成分如表8—44 所示。 表8—44 深拉深冷轧薄钢板的化学成分(GB/T5213—1985 和GB/T710—1991) 钢板 化学成分(质量分数 %) C Si Mn P S Ni Cr Cu Al 08Al ≤0.08 ≤0.03 0.35~0.45 ≤0.020 ≤0.03 ≤0.01 ≤0.03 ≤0.15 0.02~0.07 08F 0.05~0.11 ≤0.03 0.25~0.50 ≤0.040 ≤0.04 ≤0.25 ≤0.10 ≤0.25 — 08 0.05~0.12 0.17~0.37 0.35~0.65 ≤0.035 ≤0.04 ≤0.25 ≤0.10 ≤0.25 — 10 0.07~0.14 0.17~0.37 0.35~0.65 ≤0.035 ≤0.04 ≤0.25 ≤0.15 ≤0.25 — 15 0.12~0.19 0.17~0.37 0.35~0.65 ≤0.040 ≤0.04 ≤0.25 ≤0.25 ≤0.25 — 20 0.17~0.24 0.17~0.37 0.35~0.65 ≤0.040 ≤0.04 ≤0.25 ≤0.25 ≤0.25 — (2)影响钢板冲压性能的主要因素 化学成分、金属组织、力学性能和表面质量等均影响冲压性能 在上述钢号中用量最大的是 08 钢,并有沸腾钢与镇静钢之分,沸腾钢08F 价廉,表面质量好,但偏析比较严重,且有“应变时效”倾向,对于冲压性能要求高,外观要求严格的零件不适合。08Al 镇静钢板价格较高,但性能均匀,“应变时效”倾向小,适用于汽车、拖拉机覆盖件的拉深 。 1)08 钢中主要元素对冲压性能的影响(表8—45) 表8—45 主要元素对 08 钢冲压性能的影响 元 素 名称 对 冲 压 性 能 的 影 响 C 增加 FeC的数量,提高钢板的抗拉强度和屈服强度,降低塑性,使冲压性能恶化,特别是当 FeC出现于晶界时,对冲压性能的不利影响更大 Si 硅溶于铁素体中,强化铁素体的作用很大,增加强度,降低塑性,含硅量越低越好,深冲压钢板不能用硅脱氧 Mn 锰的直接影响不大,锰和硫形成 MnS夹杂物,其数量和形态对冲压性能有影响 P 磷显著地增加强度和脆性,并有偏析倾向,易于形成带状组织,这些都对冲压性能不利 S 形成硫化物,其数量、形状和分布对冲压性能有很大影响,数量多、且呈细长条状分布的硫化物对冲压性能不利 Al 是镇静钢的最终脱氧剂,可与氮形成氮化铝,显著降低钢板的“应变时效”倾向,容易得到“饼形”铁素体晶粒,改善冲压性能。钢中铝的最佳含量为其质量分数=(0.03~0.05)% 2)深拉深冷轧薄板铁素体晶粒度的标准(表8—46)...

1、当您付费下载文档后,您只拥有了使用权限,并不意味着购买了版权,文档只能用于自身使用,不得用于其他商业用途(如 [转卖]进行直接盈利或[编辑后售卖]进行间接盈利)。
2、本站所有内容均由合作方或网友上传,本站不对文档的完整性、权威性及其观点立场正确性做任何保证或承诺!文档内容仅供研究参考,付费前请自行鉴别。
3、如文档内容存在违规,或者侵犯商业秘密、侵犯著作权等,请点击“违规举报”。

碎片内容

冲裁力计算剪切强度

小辰+ 关注
实名认证
内容提供者

出售各种文档和资料

相关文档

确认删除?
VIP
微信客服
  • 扫码咨询
会员Q群
  • 会员专属群点击这里加入QQ群
客服邮箱
回到顶部