电脑桌面
添加小米粒文库到电脑桌面
安装后可以在桌面快捷访问

出厂验收测试(FAT)检验表VIP免费

出厂验收测试(FAT)检验表_第1页
1/13
出厂验收测试(FAT)检验表_第2页
2/13
出厂验收测试(FAT)检验表_第3页
3/13
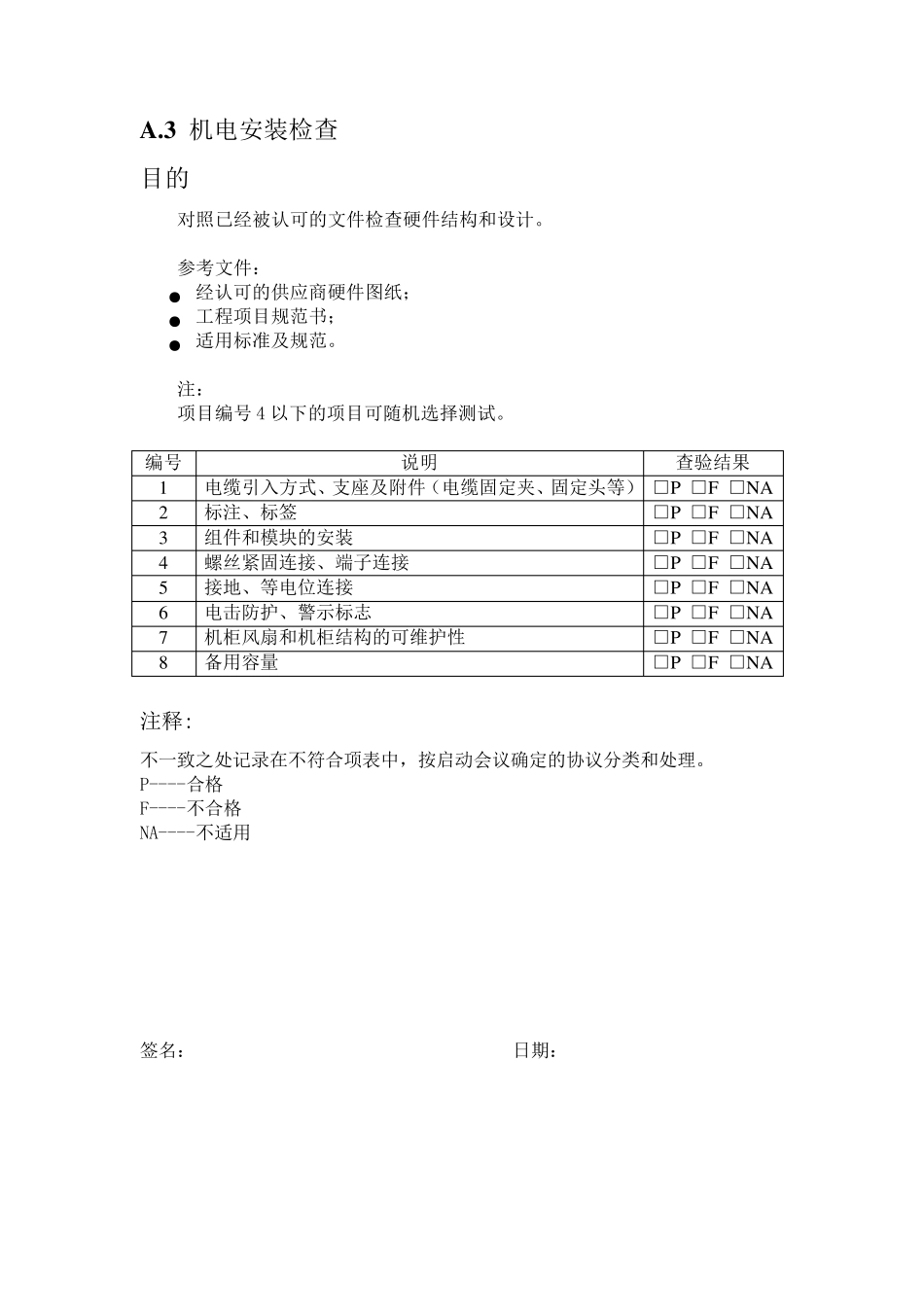
A .1 文件检查 目的 审查所有FAT 相关文件。 编号 查验文件 查验结果 备注 1 □P □F □NA 2 □P □F □NA 3 □P □F □NA 4 □P □F □NA 5 □P □F □NA 6 □P □F □NA 7 □P □F □NA 8 □P □F □NA 注释: 不一致之处记录在不符合项表中,按启动会议确定的协议分类和处理。 P----合格 F----不合格 NA----不适用 签名: 日期: A .2 软硬件一般检查 目的 验证硬件结构、数量、尺寸、喷漆等内容与相关文档的一致性。此外,也应检查软件授权、备品备件、耗材等内容。 参考文件: ● 经认可的供应商硬件图纸; ● 订单。 注: 建议:相关图纸的副本应由用户和其所聘的检验人员核对并签字确认。 编号 说明 查验结果 1 硬件检查 □P □F □NA 2 软件授权、版本(包括固件)检查 □P □F □NA 3 备品备件、耗材和工具检查 □P □F □NA 注释: 不一致之处记录在不符合项表中,按启动会议确定的协议分类和处理。 P----合格 F----不合格 NA----不适用 签名: 日期: A .3 机电安装检查 目的 对照已经被认可的文件检查硬件结构和设计。 参考文件: ● 经认可的供应商硬件图纸; ● 工程项目规范书; ● 适用标准及规范。 注: 项目编号4 以下的项目可随机选择测试。 编号 说明 查验结果 1 电缆引入方式、支座及附件(电缆固定夹、固定头等) □P □F □NA 2 标注、标签 □P □F □NA 3 组件和模块的安装 □P □F □NA 4 螺丝紧固连接、端子连接 □P □F □NA 5 接地、等电位连接 □P □F □NA 6 电击防护、警示标志 □P □F □NA 7 机柜风扇和机柜结构的可维护性 □P □F □NA 8 备用容量 □P □F □NA 注释: 不一致之处记录在不符合项表中,按启动会议确定的协议分类和处理。 P----合格 F----不合格 NA----不适用 签名: 日期: A .4 接地和端子检查 目的 检验接线符合工程项目规范书中所提供的指导方针,经认可的硬件文档及工艺符合工业标准。 参考文件: ● 经认可的供应商硬件图纸; ● 工程项目规范书; ● 适用标准及规范。 注: 项目5 和6 可随机选择测试。 编号 说明 查验结果 1 接地和布线、内部电路布线 □P □F □NA 2 熔断、断路开关 □P □F □NA 3 标签、标注 □P □F □NA 4 线缆、颜色、横截面、电压、防爆等级等的划分 □P □F □NA...

1、当您付费下载文档后,您只拥有了使用权限,并不意味着购买了版权,文档只能用于自身使用,不得用于其他商业用途(如 [转卖]进行直接盈利或[编辑后售卖]进行间接盈利)。
2、本站所有内容均由合作方或网友上传,本站不对文档的完整性、权威性及其观点立场正确性做任何保证或承诺!文档内容仅供研究参考,付费前请自行鉴别。
3、如文档内容存在违规,或者侵犯商业秘密、侵犯著作权等,请点击“违规举报”。

碎片内容

出厂验收测试(FAT)检验表

确认删除?
VIP
微信客服
  • 扫码咨询
会员Q群
  • 会员专属群点击这里加入QQ群
客服邮箱
回到顶部