电脑桌面
添加小米粒文库到电脑桌面
安装后可以在桌面快捷访问

在WINCC中使用WinSock控件进行TCP_IP通讯的例程VIP免费

在WINCC中使用WinSock控件进行TCP_IP通讯的例程_第1页
1/20
在WINCC中使用WinSock控件进行TCP_IP通讯的例程_第2页
2/20
在WINCC中使用WinSock控件进行TCP_IP通讯的例程_第3页
3/20
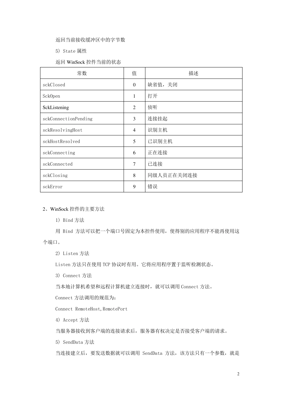
在WINCC 中使用WinSock 控件进行TCP/IP 通讯的例程 目录 一、Win So ck 控件介绍(以 VB 语言表述) ................................................................................ 1 1、Win So ck 控件的主要属性 ................................................................................................. 1 2、Win So ck 控件的主要方法 ................................................................................................. 2 3、Win So ck 控件的主要事件 ................................................................................................. 3 二、Win So ck 控件在WINCC 中的使用 ........................................................................................ 3 1、Win So ck 控件注册 ............................................................................................................. 3 2、在Win CC 中添加 Win So ck 控件 ...................................................................................... 4 三、服务器端程序介绍 ................................................................................................................... 4 四、Win CC 画面模板与结构变量的配合使用 .............................................................................. 6 1、结构变量定义 ..................................................................................................................... 6 2、画面模板组态 ..................................................................................................................... 7 3、调用画面模板及修改变量前缀 ......................................................................................... 7 4、将画面模板中的对象连接到变量 ..................................................................................... 8 五、建立 TCP/IP 连接 ..................................................................................................................... 8 六、接收数据包的处理 .........................................

1、当您付费下载文档后,您只拥有了使用权限,并不意味着购买了版权,文档只能用于自身使用,不得用于其他商业用途(如 [转卖]进行直接盈利或[编辑后售卖]进行间接盈利)。
2、本站所有内容均由合作方或网友上传,本站不对文档的完整性、权威性及其观点立场正确性做任何保证或承诺!文档内容仅供研究参考,付费前请自行鉴别。
3、如文档内容存在违规,或者侵犯商业秘密、侵犯著作权等,请点击“违规举报”。

碎片内容

在WINCC中使用WinSock控件进行TCP_IP通讯的例程

确认删除?
VIP
微信客服
  • 扫码咨询
会员Q群
  • 会员专属群点击这里加入QQ群
客服邮箱
回到顶部