电脑桌面
添加小米粒文库到电脑桌面
安装后可以在桌面快捷访问

地连墙的控制要点VIP免费

地连墙的控制要点_第1页
1/11
地连墙的控制要点_第2页
2/11
地连墙的控制要点_第3页
3/11
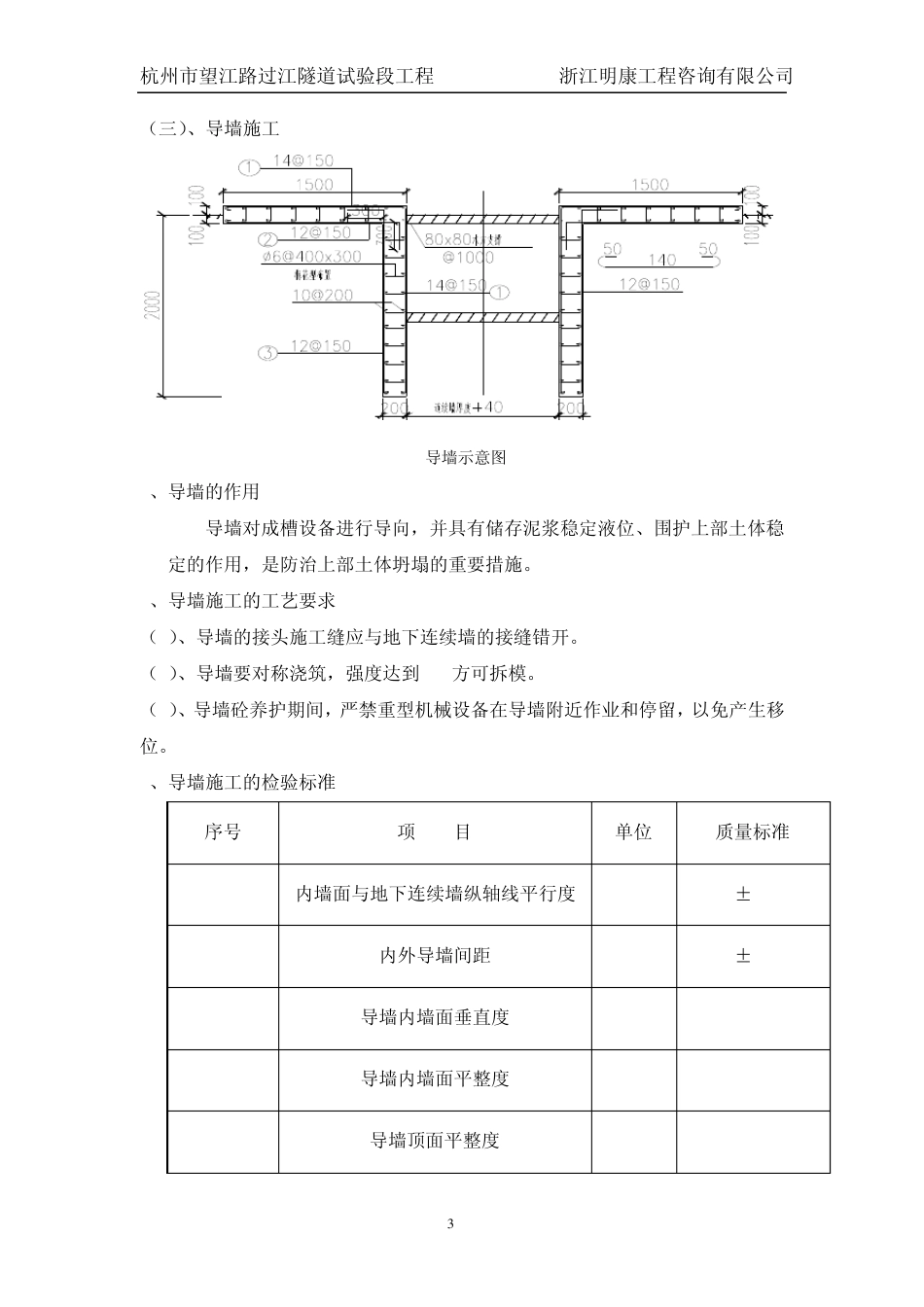
杭州市望江路过江隧道试验段工程 浙江明康工程咨询有限公司 1 地下连续墙施工控制要点 一、地下连续墙的施工原理 以专门的成槽设备,沿着深基础或者地下建筑物周边,在泥浆护壁的条件下,开挖出具有一定宽度的沟槽。然后将事先制作的钢筋笼吊放如沟槽,用导管以水下灌注的方式浇筑完成一个单元槽。各单元槽之间以特制的接头进行连接,如此往复循环施工,形成一个连续不间断、具有良好强度的钢筋砼墙体。 二、地下连续墙的特点 (一)、优点 1 、工效高、工期短、质量可靠、经济效益高。 2、施工时振动小,噪音低,适用于在城市施工。 3 、防渗性能好,辅以接缝处的止水处理,墙体几乎不透水。 4、墙体刚度大,用于基坑开挖时,可承受很大的土压力,极少发生地基沉降或塌方事故,是深基坑支护工程优选的挡土结构。另由于刚度大,易于设置埋设件,很适合于逆做法施工,可作永久性结构使用。 5、适用地基条件较为广泛。 (二)、缺点 1、城市施工时,废弃泥浆需外运。 2、若仅仅作为临时当土结构,相对排桩等其他方法费用较高。 3、相邻槽段间接缝,由于施工技术或地质条件等原因造成施工质量不易控制。 4 、由于是水下浇筑,墙面平整度较差。当两墙合一时,需对表面做进一步修整。 5 、如遇软淤泥质土、高硬度岩石或障碍物时,施工难度大。需对土体进行加固或清障处理,对进度及投资控制影响较大。 三、本工程地下连续墙概况 本工程基坑分两期施工,共 145m.一期工程基坑长约85m,其中东段56m采用800mm厚地下连续墙维护,另有29mTRD工法桩。其中左右线围护结构各11幅,墙厚 800mm,墙深30m;东端封堵墙8幅,墙厚 800mm,墙深 30m,共计 30幅。杭州市望江路过江隧道试验段工程 浙江明康工程咨询有限公司 2 相邻幅之间以HN700*300型钢接缝,并在分幅外侧采用Φ 800mm@600的三重管高压旋喷桩咬合止水,止水桩深度不小于基底以下3m。 地下连续墙施工工艺 注:其中红色字体是主要工序 (一)、测量放线 基于业主提供的导线及基准点,引出场内平面控制点及水准点。由此测设围护结构中线。(为保证围护结构施工不侵入主体结构界限,地连墙导墙中线一般需外放 3~5cm,由施工单位自行考虑。) (二)、槽壁加固 由于本工程位于原钱塘江漫滩,经围垦回填后,上部多为建筑垃圾等杂填土。地质较为复杂,土质松散,均一性差。为此在导墙及成槽施工前,需对该层土体进行加固改良,以确保成槽质量。 槽壁加固 导墙施工 槽...

1、当您付费下载文档后,您只拥有了使用权限,并不意味着购买了版权,文档只能用于自身使用,不得用于其他商业用途(如 [转卖]进行直接盈利或[编辑后售卖]进行间接盈利)。
2、本站所有内容均由合作方或网友上传,本站不对文档的完整性、权威性及其观点立场正确性做任何保证或承诺!文档内容仅供研究参考,付费前请自行鉴别。
3、如文档内容存在违规,或者侵犯商业秘密、侵犯著作权等,请点击“违规举报”。

碎片内容

地连墙的控制要点

您可能关注的文档

确认删除?
VIP
微信客服
  • 扫码咨询
会员Q群
  • 会员专属群点击这里加入QQ群
客服邮箱
回到顶部