电脑桌面
添加小米粒文库到电脑桌面
安装后可以在桌面快捷访问

工程测量规范GB500262007线路测量VIP专享VIP免费

工程测量规范GB500262007线路测量_第1页
1/8
工程测量规范GB500262007线路测量_第2页
2/8
工程测量规范GB500262007线路测量_第3页
3/8
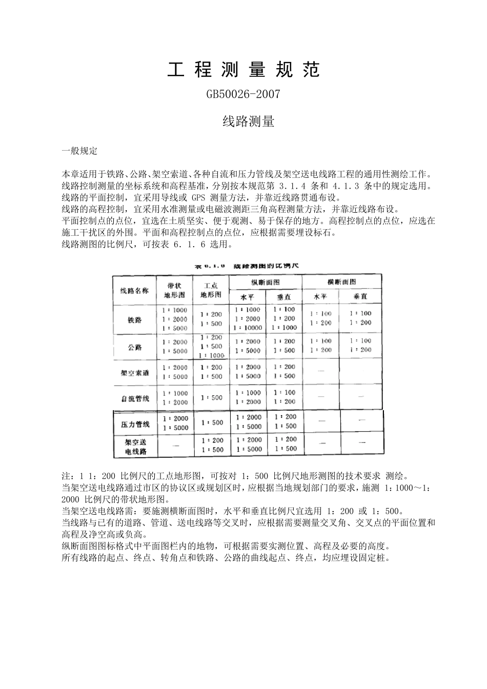
工 程 测 量 规 范 GB50026-2007 线路测量 一般规定 本章适用于铁路、公路、架空索道、各种自流和压力管线及架空送电线路工程的通用性测绘工作。 线路控制测量的坐标系统和高程基准,分别按本规范第 3.1.4 条和 4.1.3 条中的规定选用。 线路的平面控制,宜采用导线或 GPS 测量方法,并靠近线路贯通布设。 线路的高程控制,宜采用水准测量或电磁波测距三角高程测量方法,并靠近线路布设。 平面控制点的点位,宜选在土质坚实、便于观测、易于保存的地方。高程控制点的点位,应选在施工干扰区的外围。平面和高程控制点的点位,应根据需要埋设标石。 线路测图的比例尺,可按表 6.1.6 选用。 注:1 1:200 比例尺的工点地形图,可按对 1:500 比例尺地形测图的技术要求 测绘。 当架空送电线路通过市区的协议区或规划区时,应根据当地规划部门的要求,施测 1:1000~1:2000 比例尺的带状地形图。 当架空送电线路需:要施测横断面图时,水平和垂直比例尺宜选用 1:200 或 1:500。 当线路与已有的道路、管道、送电线路等交叉时,应根据需要测量交叉角、交叉点的平面位置和高程及净空高或负高。 纵断面图图标格式中平面图栏内的地物,可根据需要实测位置、高程及必要的高度。 所有线路的起点、终点、转角点和铁路、公路的曲线起点、终点,均应埋设固定桩。 线路施工前,应对其定测线路进行复测,满足要求后方可放样。 铁路、公路测量 高速公路和一级公路的控制测量。平面控制可采用 GPS 测量和导线测量等方法, 按本规范第 3.2 节、3.3 节中的有关规定执行,导线总长可放宽一倍;高程控制应布设成附合路线,按本规范第 4.2 节中四等水准测量的有关规定执行。 铁路、二级及以下等级公路的平面控制测量,应符合下列规定: 平面控制测量可采用导线测量方法。导线的起点、终点及每间隔不大于 30km 的点上,应与高等级控制点联测检核;当联测有困难时,可分段增设 GPS 控制点。 导线测量的主要技术要求,应符合表 6.2.2 的规定。 分段增设 GPS 控制点时,其测量的主要技术要求,按本规范 3.2 节的规定执行。 铁路、二级及以下等级公路的高程控制测量,应符合下列规定: 高程控制测量的主要技术要求,应符合表 6.2.3 的规定。 水准路线应每隔 30km 与高等级水准点联测一次。 定测放线测量,应符合下列规定: 作业前,应收集初测导线或航测外控点的测量成果,并应对初测...

1、当您付费下载文档后,您只拥有了使用权限,并不意味着购买了版权,文档只能用于自身使用,不得用于其他商业用途(如 [转卖]进行直接盈利或[编辑后售卖]进行间接盈利)。
2、本站所有内容均由合作方或网友上传,本站不对文档的完整性、权威性及其观点立场正确性做任何保证或承诺!文档内容仅供研究参考,付费前请自行鉴别。
3、如文档内容存在违规,或者侵犯商业秘密、侵犯著作权等,请点击“违规举报”。

碎片内容

工程测量规范GB500262007线路测量

确认删除?
VIP
微信客服
  • 扫码咨询
会员Q群
  • 会员专属群点击这里加入QQ群
客服邮箱
回到顶部