电脑桌面
添加小米粒文库到电脑桌面
安装后可以在桌面快捷访问

工程竣工验收表格VIP免费

工程竣工验收表格_第1页
1/10
工程竣工验收表格_第2页
2/10
工程竣工验收表格_第3页
3/10
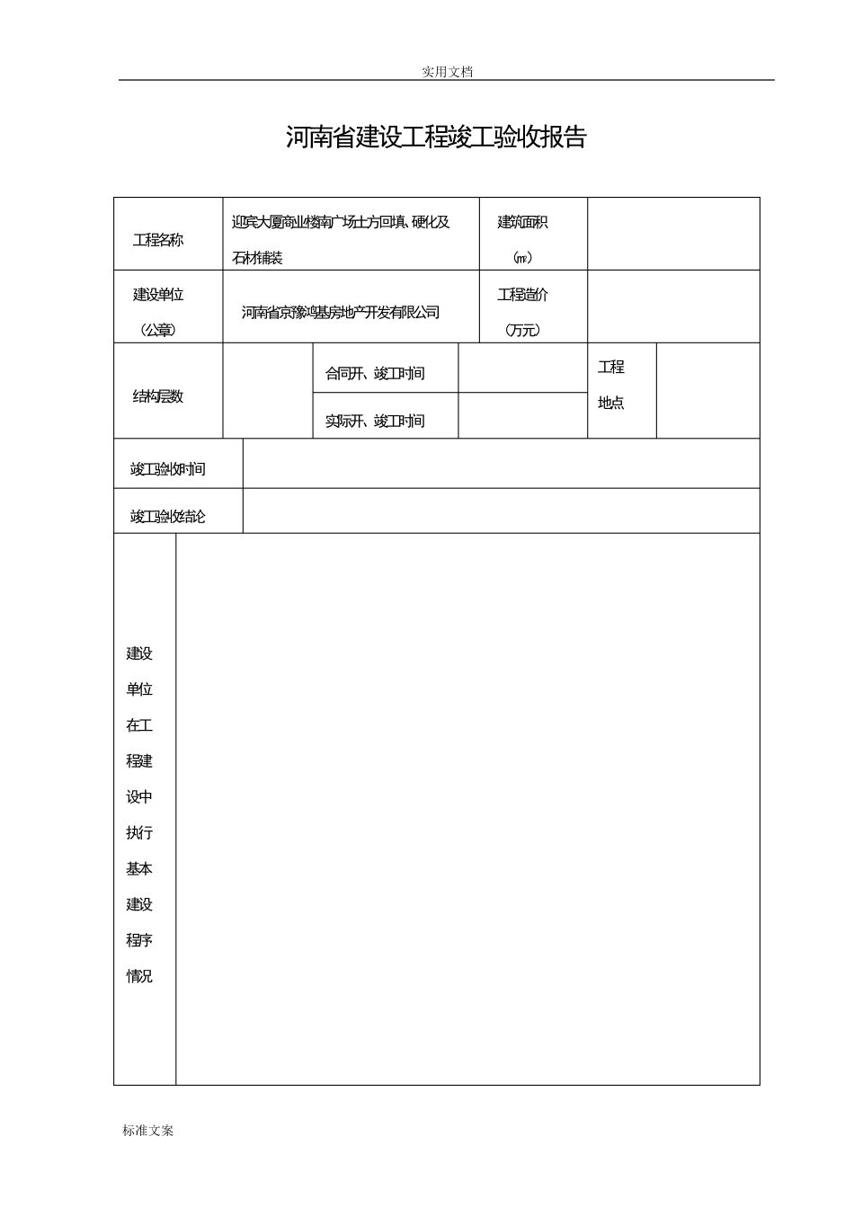
实用文档 标准文案 河南省建设工程竣工验收通知书 (监督机构): 我单位建设的 工程已具备工程竣工验收条件,现已通知施工、监理、设计等有关单位并定于 年 月 日进行竣工验收,请你单位派人参加予以监督。 签收人: 签收时间: 建设单位:(公章) 年 月 日 实用文档 标准文案 河南省建设工程竣工验收报告 工程名称 迎宾大厦商业楼南广场土方回填、硬化及石材铺装 建筑面积(m2) 建设单位 (公章) 河南省京豫鸿基房地产开发有限公司 工程造价 (万元) 结构层数 合同开、竣工时间 工程 地点 实际开、竣工时间 竣工验收时间 竣工验收结论 建设单位在工程建设中执行基本建设程序情况 实用文档 标准文案 对工程勘察单位工作评价 对 工程 设计 单位 工作 评 价 实用文档 标准文案 对工程监理单位工作评价 对工程施工单位工作评价 实用文档 标准文案 组织竣工验收程序: 竣工验收组织形式: 组织竣工验收内容: 实用文档 标准文案 河南省建设工程竣工验收意见书 工程名称 迎宾大厦商业楼南广场土方回填、硬化及石材铺装工程 结构类型 层数/ 建筑面积 施工单位 河南碧苑园林市政工程有限责任公司 技术负责人 开工日期 项目负责人 项目技术 负责 完工日期 序号 项 目 验 收 记 录 验 收 结 论 1 分部工程验收 共 分部,经查 分部, 符合设计及标准规定 分部 2 质量控制资料核查 共 项,经核查符合规定 项, 经核查不符合规定 项 3 安全和使用功能 核查及抽查结果 共核查 项,符合规定 项, 共抽查 项,符合规定 项, 经返工处理符合规定 项 4 观感质量验收 共抽查 项,符合规定 项, 不符合规定 项 5 综合验收结论 参 加 验 收 单 位 建设单位 监理单位 施工单位 设计单位 勘察单位 (公章) 项目负责人: 年 月 日 (公章) 总监理工程师: 年 月 日 (公章) 项目负责人: 年 月 日 (公章) 项目负责人: 年 月 日 (公章) 项目负责人: 年 月 日 实用文档 标准文案 施工单位工程竣工报告 工程名称 迎宾大厦商业楼南广场土方回填、硬化及石材铺装工程 工程地点 新乡市金穗大道与新二街交叉口东北角 建筑面积 结构类型 层 数 高 度 开工时间 竣工时间 工程概况 施工依据 施工质量 控制 施工企业自查情况 结 论 施工单位(公章) 项目经理(注册建造师):(签字...

1、当您付费下载文档后,您只拥有了使用权限,并不意味着购买了版权,文档只能用于自身使用,不得用于其他商业用途(如 [转卖]进行直接盈利或[编辑后售卖]进行间接盈利)。
2、本站所有内容均由合作方或网友上传,本站不对文档的完整性、权威性及其观点立场正确性做任何保证或承诺!文档内容仅供研究参考,付费前请自行鉴别。
3、如文档内容存在违规,或者侵犯商业秘密、侵犯著作权等,请点击“违规举报”。

碎片内容

工程竣工验收表格

确认删除?
VIP
微信客服
  • 扫码咨询
会员Q群
  • 会员专属群点击这里加入QQ群
客服邮箱
回到顶部