电脑桌面
添加小米粒文库到电脑桌面
安装后可以在桌面快捷访问

工程设计CAD制图统一标准VIP免费

工程设计CAD制图统一标准_第1页
1/11
工程设计CAD制图统一标准_第2页
2/11
工程设计CAD制图统一标准_第3页
3/11
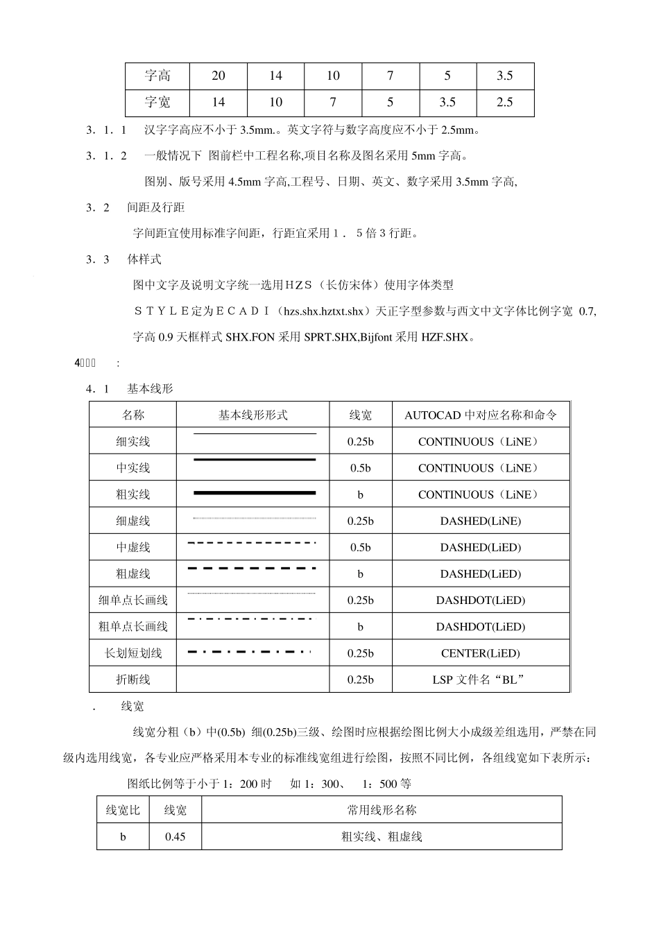
工程设计 C A D 制图统一标准 为了配合院生产组织模式,统一房屋建筑制图规则,保证制图质量,做到图面清晰,简明,符合设计、施工、存档的要求、适应工程建设的需要,并充分利用网络资源,解决资源共存问题,进一步提高设计效率。 一、 适用管理范围 本标准适用于中国建筑技术集团有限公司河南建筑设计分院下属的从事设计各设计所及使用我分院设计资质的合作单位,并以 CAD 方式制图的初步设计,施工图设计阶段的设计文件。 本标准建筑制图的基本规定,适用于总图、建筑、结构、给排水、暖通空调、电气等各专业制图,各专业详细制图规定适用于本专业制图要求。 二、 本标准引用标准 《房屋建筑 CAD 制图统一规则》 GB/T18112—2000 《CAD 工程制图规则》 GB/T18229—2000 《房屋建筑制图统一规则》 GB/T50001—2001 《建筑制图标准》 GB/T50104—2001 《给水排水制图标准》 GB/T50106—2001 《采暖通风与空气调节制图标准》 GB/T50114—2001 《民用建筑工程建筑施工设计深度图样》 《工程建筑标准强制性条文房屋建筑部分》 2002 年版 三、 基本要求 1、图框: 1.1 图幅与格式 幅面代号 A0 A1 A2 A3 A4 B×L 841×1189 594×841 420×594 297×420 210×297 图框边距 C 10 10 10 10 10 AO、A1 及 A2 图框允许加长,但必须按基本幅面的边长(L)成 1/4 倍增加,不可随意加长,其余图幅图纸不允许加长,同一工程项目,各专业所用图幅,除目录和材料表外不宜多于两种。 1.2 标题栏、会签栏 图纸的标题栏、会签栏尺寸按照总公司要求,见图 1、图 2,标准图框中的标题栏具备签字区,设计单位、工程、项目名称及代号区等,并作为统一标识不得随意修改。 专业 建筑 结构 给排水 暖通 电气 签字 日期 图1 会签栏 图2 标题栏 注:1)以上标题栏、会签栏尺寸为出图后的实际尺寸,图纸的标题栏,会签栏在CAD 制图时尺寸按照不同比例相应调整。 2)涉外及特殊工程项目的标题栏,会签栏根据实际情况相应调整,并报设计总院办公室备案。 3)标题栏中建筑注册人员必须在设计总负责人栏签字,其它专业注册人员在专业负责人栏签字即可。 4)工程名称栏填写工程全称,项目名称栏填写各分项工程名称。 5)工程号按照总公司要求河南建筑设计分院代号为AC3,分院代号AC3 前面为工程设计年份,分院代号AC3 后面为工程设计在本年度的第几项工程。 6)图别栏、填写方案,初步设...

1、当您付费下载文档后,您只拥有了使用权限,并不意味着购买了版权,文档只能用于自身使用,不得用于其他商业用途(如 [转卖]进行直接盈利或[编辑后售卖]进行间接盈利)。
2、本站所有内容均由合作方或网友上传,本站不对文档的完整性、权威性及其观点立场正确性做任何保证或承诺!文档内容仅供研究参考,付费前请自行鉴别。
3、如文档内容存在违规,或者侵犯商业秘密、侵犯著作权等,请点击“违规举报”。

碎片内容

工程设计CAD制图统一标准

确认删除?
VIP
微信客服
  • 扫码咨询
会员Q群
  • 会员专属群点击这里加入QQ群
客服邮箱
回到顶部