电脑桌面
添加小米粒文库到电脑桌面
安装后可以在桌面快捷访问

海绵城市监理实施细则VIP免费

海绵城市监理实施细则_第1页
1/46
海绵城市监理实施细则_第2页
2/46
海绵城市监理实施细则_第3页
3/46
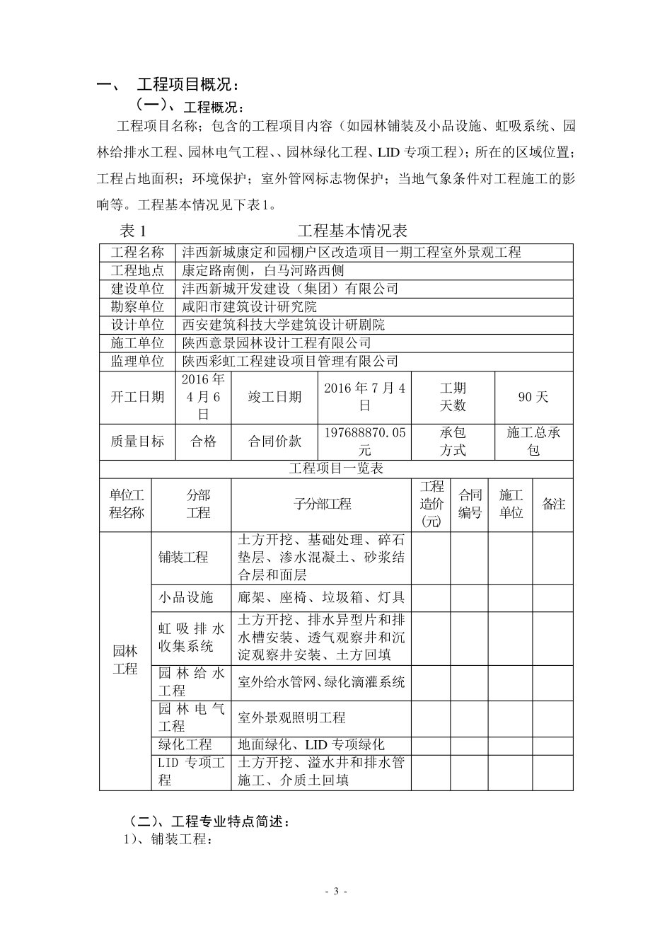
- 1 - 沣西新城康定和园棚户区改造项目一期工程 海绵城市建设监理实施细则 (室外景观工程监理规划) 编 制 :陈焕民 审 核:陈焕民 审 批:王向阳 陕西彩虹工程建设项目管理有限公司 2 0 1 6 年 2 月 2 8 日 - 2 - 目 录 一、工程概况 二、工程项目建设监理范围和目标 三、监理工作内容 四、监理工作依据 五、监理工作程序 六、监理工作方法与措施(含安全方面) 七、监理的组织机构、人员配备计划 八、项目监理机构的人员岗位职责和监理方权限 九、监理工作制度 十、监理设施 - 3 - 一、 工程项目概况: (一)、工程概况: 工程项目名称;包含的工程项目内容(如园林铺装及小品设施、虹吸系统、园林给排水工程、园林电气工程、、园林绿化工程、L ID 专项工程);所在的区域位置;工程占地面积;环境保护;室外管网标志物保护;当地气象条件对工程施工的影响等。工程基本情况见下表1。 表 1 工程基本情况表 工程名称 沣西新城康定和园棚户区改造项目一期工程室外景观工程 工程地点 康定路南侧,白马河路西侧 建设单位 沣西新城开发建设(集团)有限公司 勘察单位 咸阳市建筑设计研究院 设计单位 西安建筑科技大学建筑设计研剧院 施工单位 陕西意景园林设计工程有限公司 监理单位 陕西彩虹工程建设项目管理有限公司 开工日期 2016 年4 月6日 竣工日期 2016 年7 月4日 工期 天数 90 天 质量目标 合格 合同价款 197688870.05元 承包 方式 施工总承包 工程项目一览表 单位工程名称 分部 工程 子分部工程 工程造价(元) 合同编号 施工 单位 备注 园林工程 铺装工程 土方开挖、基础处理、碎石垫 层 、渗 水混 凝 土、砂 浆 结合层 和面层 小品设施 廊 架 、座 椅 、垃 圾 箱 、灯 具 虹 吸 排 水收 集系统 土方开挖、排水异 型 片 和排水槽 安装、透 气观察井 和沉淀 观察井 安装、土方回 填 园林给 水工程 室外给水管网、绿化滴 灌 系统 园林电 气工程 室外景观照 明 工程 绿化工程 地面绿化、L ID 专项绿化 LID 专项工程 土方开挖、溢 水井 和排水管施工、介 质土回 填 (二)、工程专业特点简述: 1)、铺装工程: - 4 - 2)、小品设施: 3)、虹吸排水收集系统: 4)、园林给水工程: 5)、园林电气工程: 6)、绿化工程: 8)、LID 专项工程: 二、工程项目建设监理范围和...

1、当您付费下载文档后,您只拥有了使用权限,并不意味着购买了版权,文档只能用于自身使用,不得用于其他商业用途(如 [转卖]进行直接盈利或[编辑后售卖]进行间接盈利)。
2、本站所有内容均由合作方或网友上传,本站不对文档的完整性、权威性及其观点立场正确性做任何保证或承诺!文档内容仅供研究参考,付费前请自行鉴别。
3、如文档内容存在违规,或者侵犯商业秘密、侵犯著作权等,请点击“违规举报”。

碎片内容

海绵城市监理实施细则

确认删除?
VIP
微信客服
  • 扫码咨询
会员Q群
  • 会员专属群点击这里加入QQ群
客服邮箱
回到顶部