电脑桌面
添加小米粒文库到电脑桌面
安装后可以在桌面快捷访问

消声器的设计(噪声污染控制)VIP免费

消声器的设计(噪声污染控制)_第1页
1/8
消声器的设计(噪声污染控制)_第2页
2/8
消声器的设计(噪声污染控制)_第3页
3/8
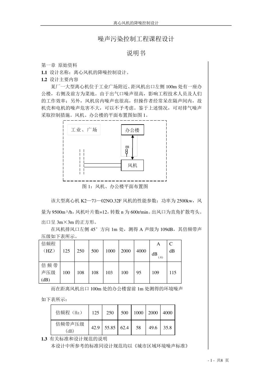
离 心 风 机 的 降 噪 控 制 设 计 - 1 - 共 8 页 噪 声 污 染 控 制 工 程 课 程 设 计 说 明 书 第 一 章 原 始 资 料 1 .1 设 计 名 称 : 离 心 风 机 的 降 噪 控 制 设 计 。 1 .2 设 计 主 要 内 容 某 厂 一 大 型 离 心 机 位 于 工 业 广 场 附 近 、 距 风 机 出 口 左 侧 100m 处 有 一 座 办公 楼 , 右 侧 及 前 方 为 菜 地 。 由 于 出 气 口 噪 声 很 高 , 影 响 工 程 技 术 人 员 及 人 们的 工 作 效 率 ; 另 外 , 风 机 房 内 噪 声 也 很 高 , 但 操 作 者 经 常 呆 在 隔 声 间 内 , 故机 壳 和 电 机 的 噪 声 危 害 不 大 , 可 以 不 予 考 虑 。 鉴 于 上 述 情 况 , 可 对 排 气 噪 声采 取 控 制 措 施 。 风 机 、 办 公 楼 的 平 面 布 置 图 如 图 1。 图 1: 风 机 、 办 公 楼 平 面 布 置 图 该 大 型 离 心 机 K2— 73— 02NO.32F 风 机 的 性 能参数: 功率 为 2500kw , 风量为 9500m 3 /h, 风 机 叶片数=12, 转数n 为 600r/min。 出 风 口 为 直角扩散弯头。出 口 呈3m×3m 的 正方 形。 在 风 机 排 风 口 左 侧 45°方 向1m 处 , 测得A 声 级为 109dB, 其倍频带声压级如 下表所示。 倍频程 ( HZ) 125 250 500 1000 2000 4000 A dB()A C dB 倍频带声 压级 (dB) 100 108 108 103 100 95 109 115 而 在 距 离 风 机 出 口 100m 处 的 办 公 楼 窗 前 1m 处 测得的 环 境 噪 声 如 下表所示: 倍频程 ( Hz) 125 250 500 1000 2000 4000 倍频带声 压级(dB) 42.9 55.85 62.4 58 49.6 35.8 1 .3 有 关 标 准 和 设 计 规 范 的 说 明 本 设 计 中 所参考 的 标 准 同 设 计 规 范 均 以 《 城 市 区 域 环 境 噪 声 标 准 》 100m 办 公 楼 风 机 工 业 、 广 场离心风机的降噪控制设计 - 2 - 共8 页 GB3096—93 及《工业企业噪声设计规范》GBJ87—85,为基准,以其它参考资料为辅。 1 .4 设计要求 (1)通过对排风机(离心风机)的消声器的设计,掌握有关...

1、当您付费下载文档后,您只拥有了使用权限,并不意味着购买了版权,文档只能用于自身使用,不得用于其他商业用途(如 [转卖]进行直接盈利或[编辑后售卖]进行间接盈利)。
2、本站所有内容均由合作方或网友上传,本站不对文档的完整性、权威性及其观点立场正确性做任何保证或承诺!文档内容仅供研究参考,付费前请自行鉴别。
3、如文档内容存在违规,或者侵犯商业秘密、侵犯著作权等,请点击“违规举报”。

碎片内容

消声器的设计(噪声污染控制)

确认删除?
VIP
微信客服
  • 扫码咨询
会员Q群
  • 会员专属群点击这里加入QQ群
客服邮箱
回到顶部