电脑桌面
添加小米粒文库到电脑桌面
安装后可以在桌面快捷访问

水喷雾灭火系统设计规范VIP免费

水喷雾灭火系统设计规范_第1页
1/7
水喷雾灭火系统设计规范_第2页
2/7
水喷雾灭火系统设计规范_第3页
3/7
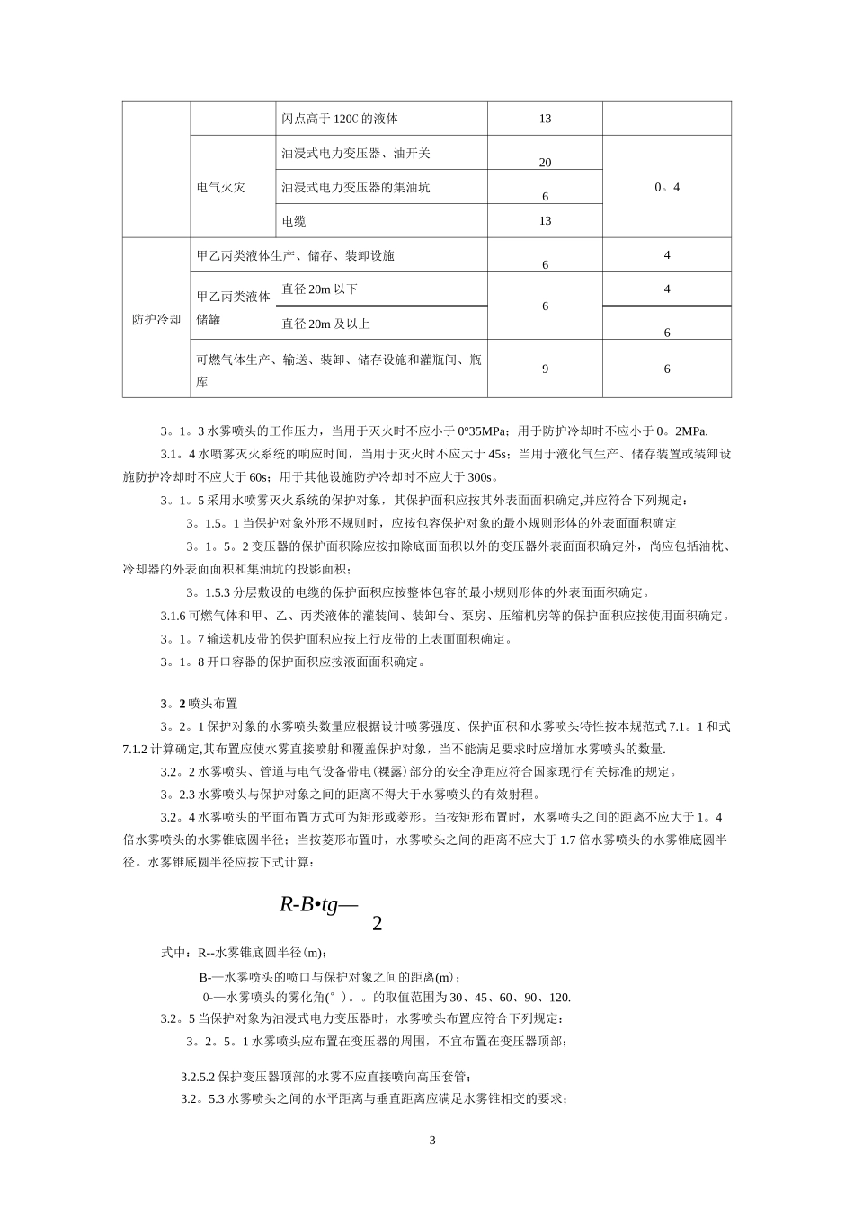
1水喷雾灭火系统设计规范1 总则1.0。1 为了合理地设计水喷雾灭火系统,减少火灾危害,保护人身和财产安全,制定本规范。1.0。2 本规范适用于新建、扩建、改建工程中生产、储存装置或装卸设施设置的水喷雾灭火系统的设计;本规范不适用于运输工具或移动式水喷雾灭火装置的设计.1.0.3 水喷雾灭火系统可用于扑救固体火灾,闪点高于 60°C 的液体火灾和电气火灾。并可用于可燃气体和甲、乙、丙类液体的生产、储存装置或装卸设施的防护冷却。1。0。4 水喷雾灭火系统不得用于扑救遇水发生化学反应造成燃烧、爆炸的火灾,以及水雾对保护对象造成严重破坏的火灾.1.0。5 水喷雾灭火系统的设计,除应执行本规范的规定外,尚应符合国家现行有关标准、规范的规定。2 术语、符号2。1 术语2.1。1 水喷雾灭火系统 watersprayextinguishingsystem 由水源、供水设备、管道、雨淋阀组、过滤器和水雾喷头等组成,向保护对象喷射水雾灭火或防护冷却的灭火系统。2。1。2 传动管 transferpipe 利用闭式喷头探测火灾,并利用气压或水压的变化传输信号的管道。2.1。3 响应时间 responsetime 由火灾自动报警系统发出火警信号起,至系统中最不利点水雾喷头喷出水雾的时间。2.1。4 水雾喷头 spraynozzle 在一定水压下,利用离心或撞击原理将水分解成细小水滴的喷头。2。1。5 水雾喷头的有效射程 effectiverangeofspraynozzle水雾喷头水平喷射时,水雾达到的最高点与喷口之间的距离.2.1。6 水雾锥 waterspraycone 在水雾喷头有效射程内水雾形成的圆锥体.2。1。7 雨淋阀组 delugevalvesunit 由雨淋阀、电磁阀、压力开关、水力警铃、压力表以及配套的通用阀门组成的阀组.2.2 符号条号符号单位涵义2。2.1Rm水雾锥底圆半径2.2.2Bm水雾喷头的喷口与保护对象之间的距离2.2。30水雾喷头的雾化角2.2。4QL/min水雾喷头的流量2。2.5PMPa水雾喷头的工作压力2.2.6K—水雾喷头的流量系数22。2。7N—保护对象的水雾喷头的计算数量2。2。8Sm2保护对象的保护面积2.2。9WL/min・m2保护对象的设计喷雾强度2。2。10QJL/s系统的计算流量2。2。11N--系统启动后同时喷雾的水雾喷头数量2.2.12%L/min水雾喷头的实际流量2.2。13PiMPa水雾喷头的实际工作压力2.2.14k--安全系数2。2。15iMPa/m管道的沿程水头损失2。2.16vm/s管道内水的流速2。2。17D.Jm管道的计算内径2.2.18hyMPa雨淋阀的局部水头损失2。2.19By——-雨淋阀的比阻值2。2。20QL/s雨淋阀的流量2。2.21HMPa系统管道入...

1、当您付费下载文档后,您只拥有了使用权限,并不意味着购买了版权,文档只能用于自身使用,不得用于其他商业用途(如 [转卖]进行直接盈利或[编辑后售卖]进行间接盈利)。
2、本站所有内容均由合作方或网友上传,本站不对文档的完整性、权威性及其观点立场正确性做任何保证或承诺!文档内容仅供研究参考,付费前请自行鉴别。
3、如文档内容存在违规,或者侵犯商业秘密、侵犯著作权等,请点击“违规举报”。

碎片内容

水喷雾灭火系统设计规范

您可能关注的文档

wxg+ 关注
实名认证
内容提供者

该用户很懒,什么也没介绍

相关文档

确认删除?
VIP
微信客服
  • 扫码咨询
会员Q群
  • 会员专属群点击这里加入QQ群
客服邮箱
回到顶部