电脑桌面
添加小米粒文库到电脑桌面
安装后可以在桌面快捷访问

小青瓦屋面分项工程质量检验评定表VIP免费

小青瓦屋面分项工程质量检验评定表_第1页
1/1
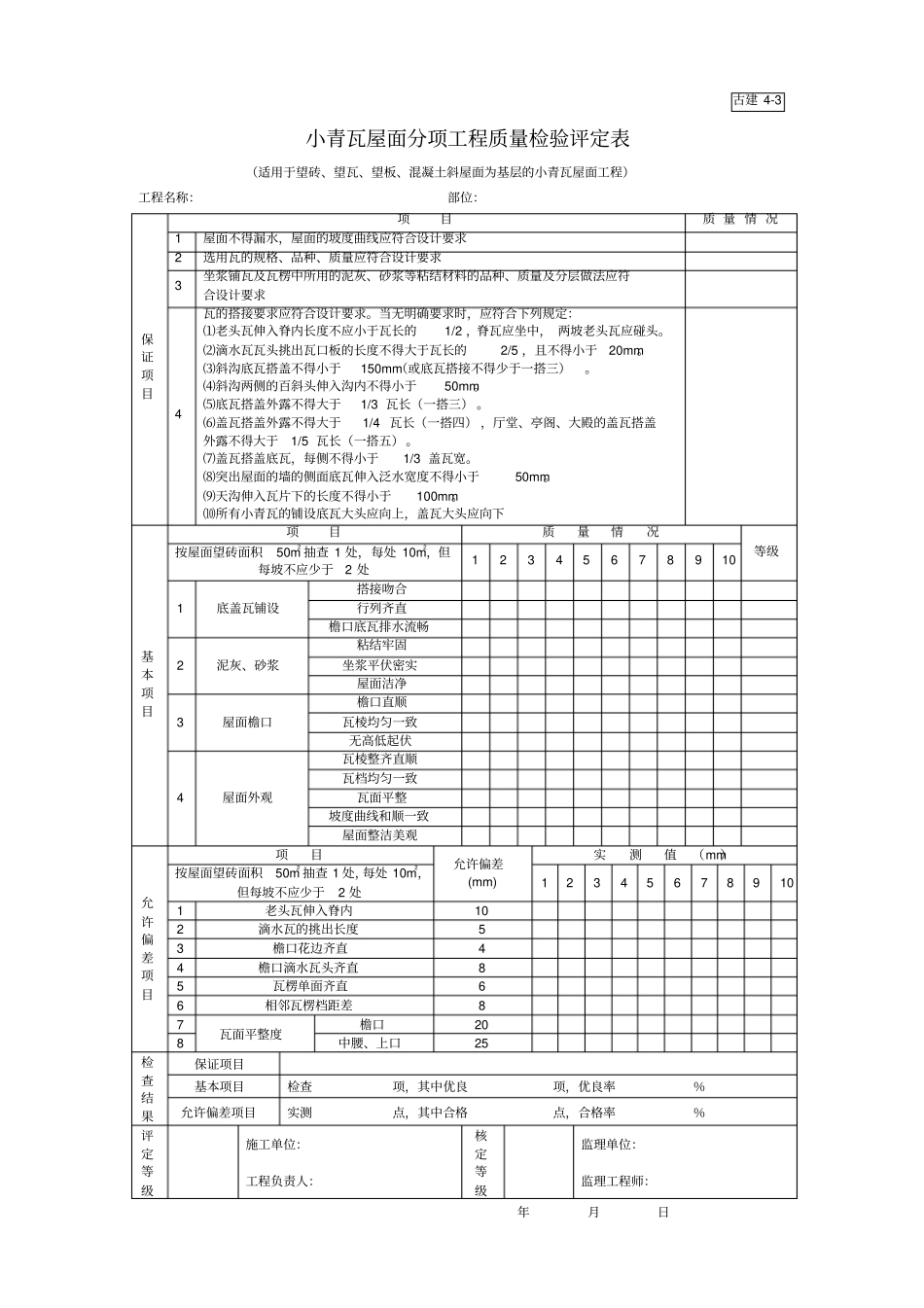
古建 4-3 小青瓦屋面分项工程质量检验评定表(适用于望砖、望瓦、望板、混凝土斜屋面为基层的小青瓦屋面工程)工程名称:部位:保证项目项目质 量 情 况1 屋面不得漏水,屋面的坡度曲线应符合设计要求2 选用瓦的规格、品种、质量应符合设计要求3 坐浆铺瓦及瓦楞中所用的泥灰、砂浆等粘结材料的品种、质量及分层做法应符合设计要求4 瓦的搭接要求应符合设计要求。当无明确要求时,应符合下列规定:⑴老头瓦伸入脊内长度不应小于瓦长的1/2 ,脊瓦应坐中, 两坡老头瓦应碰头。⑵滴水瓦瓦头挑出瓦口板的长度不得大于瓦长的2/5 ,且不得小于20mm。⑶斜沟底瓦搭盖不得小于150mm(或底瓦搭接不得少于一搭三)。⑷斜沟两侧的百斜头伸入沟内不得小于50mm。⑸底瓦搭盖外露不得大于1/3 瓦长(一搭三) 。⑹盖瓦搭盖外露不得大于1/4 瓦长(一搭四) ,厅堂、亭阁、大殿的盖瓦搭盖外露不得大于1/5 瓦长(一搭五) 。⑺盖瓦搭盖底瓦,每侧不得小于1/3 盖瓦宽。⑻突出屋面的墙的侧面底瓦伸入泛水宽度不得小于50mm。⑼天沟伸入瓦片下的长度不得小于100mm。⑽所有小青瓦的铺设底瓦大头应向上,盖瓦大头应向下基本项目项目质量情况等级按屋面望砖面积50m2 抽查 1 处,每处 10m2,但每坡不应少于2 处1 2 3 4 5 6 7 8 9 10 1 底盖瓦铺设搭接吻合行列齐直檐口底瓦排水流畅2 泥灰、砂浆粘结牢固坐浆平伏密实屋面洁净3 屋面檐口檐口直顺瓦棱均匀一致无高低起伏4 屋面外观瓦棱整齐直顺瓦档均匀一致瓦面平整坡度曲线和顺一致屋面整洁美观允许偏差项目项目允许偏差(mm)实测值(mm)按屋面望砖面积50m2 抽查 1 处,每处 10m2,但每坡不应少于2 处1 2 3 4 5 6 7 8 9 101 老头瓦伸入脊内10 2 滴水瓦的挑出长度5 3 檐口花边齐直4 4 檐口滴水瓦头齐直8 5 瓦楞单面齐直6 6 相邻瓦楞档距差8 7 瓦面平整度檐口20 8 中腰、上口25 检查结果保证项目基本项目检查项,其中优良项,优良率%允许偏差项目实测点,其中合格点,合格率%评定等级施工单位:工程负责人:核定等级监理单位:监理工程师:年月日

1、当您付费下载文档后,您只拥有了使用权限,并不意味着购买了版权,文档只能用于自身使用,不得用于其他商业用途(如 [转卖]进行直接盈利或[编辑后售卖]进行间接盈利)。
2、本站所有内容均由合作方或网友上传,本站不对文档的完整性、权威性及其观点立场正确性做任何保证或承诺!文档内容仅供研究参考,付费前请自行鉴别。
3、如文档内容存在违规,或者侵犯商业秘密、侵犯著作权等,请点击“违规举报”。

碎片内容

小青瓦屋面分项工程质量检验评定表

确认删除?
VIP
微信客服
  • 扫码咨询
会员Q群
  • 会员专属群点击这里加入QQ群
客服邮箱
回到顶部