电脑桌面
添加小米粒文库到电脑桌面
安装后可以在桌面快捷访问

屋面、卫生间防水施工方案77097VIP免费

屋面、卫生间防水施工方案77097_第1页
1/14
屋面、卫生间防水施工方案77097_第2页
2/14
屋面、卫生间防水施工方案77097_第3页
3/14
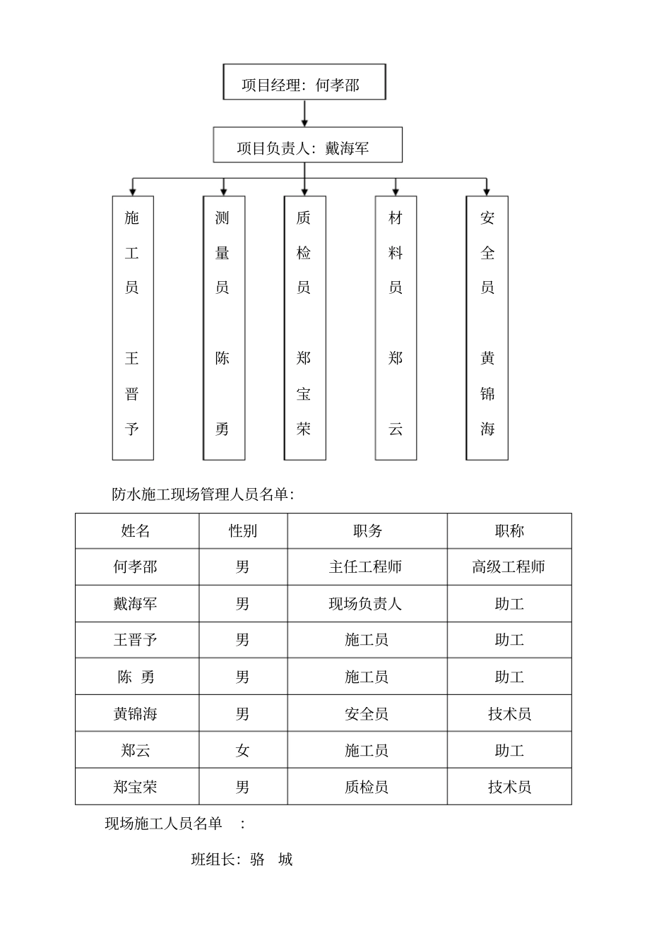
杨凌职业技术学院实训楼屋面、卫生间防水施工方案一、工程概况1、工程名称:杨陵职业技术学院2、建设地点:杨陵3、占地面积: 427.96m24、总建筑面积:1281m25、建筑层数:地上三层6、建筑高度: 10.800m 7、建筑分类:三级8、建筑耐火等级:二级9、结构使用年限:50 年10、建筑抗震设防烈度:七度11、建筑结构类型:砖混结构、框架结构12、屋面防水等级:三级二、设计依据1、建设单位提供的设计委托书2、建设单位确定的设计方案及修改意见3、设计合同4、建设单位提供的场地地形图5、现行国家、陕西省、有关规范规程及设计规范二、设计要求1、1、屋面防水:本工程屋面防水设计依据《屋面工程技术规范》(GB50345 — 2004)规定属一般民用建筑、屋面防水等级为三级2、屋面采用4mm 厚 SBS 改性沥性防水卷材3、本设计屋面防水层施工时应根据防水卷材、防水涂料的不同施工要求、由供应厂方负责指导和提供必要的施工要点、以保证施工质量本工程屋一、 屋二、屋三屋面防水按Ⅱ级防水设防,耐用年限为 15年,防水面积约为 10000 ㎡。设计屋面防水使用2 厚弹性防水涂料隔气层,双层高分子复合防水卷材3 ㎜厚,40 厚细石混凝土刚性防水层, 双向配筋 ?4@150。2、卫生间防水: 卫生间隔墙距地 300 ㎜范围内浇筑素砼挡水墙 (与墙体同厚),其标号同各层楼地面砼,在其上砌筑承重空心砖隔墙,卫生间地面做聚氨酯防水涂料2.0 ㎜厚,并上翻内墙面0.5m。防水面积约为 850 ㎡。三、管理人员及职责1、建立健全专业施工队伍:组织健全、责任明确的专业施工队伍,对防水工程施工实行质量责任承包全面负责,该专业队伍进行实际操作,施工队伍中班组长以上的骨干,必须取得市级主管部门组织培训合格的证书。2、技术人员技术交底:在防水工程正式施工之前,必须仔细熟悉设计图纸,并对防水工程设计进行复核,以确保工程质量,要以规范和工法为依据, 在施工方案经上级技术负责人批准之后对所有参加防水施工操作人员进行技术交底。 对所使用的防水材料一定要认真检查是否有“三证”即:出厂合格证、试验报告、见证取样检验合格证明。严格把好材料质量关,坚持工序交接管理制度,防水工程施工前,要监督上一道工序的工程质量,不符合要求的不能接收,更不能草率的进行防水施工。3、施工班组技术职责:对防水工程应严格按以上精神要求精心组织施工,认真自检, 确保防水工程质量, 服务下道工序。 做好原始记录,确保防水质量符合要求后才能...

1、当您付费下载文档后,您只拥有了使用权限,并不意味着购买了版权,文档只能用于自身使用,不得用于其他商业用途(如 [转卖]进行直接盈利或[编辑后售卖]进行间接盈利)。
2、本站所有内容均由合作方或网友上传,本站不对文档的完整性、权威性及其观点立场正确性做任何保证或承诺!文档内容仅供研究参考,付费前请自行鉴别。
3、如文档内容存在违规,或者侵犯商业秘密、侵犯著作权等,请点击“违规举报”。

碎片内容

屋面、卫生间防水施工方案77097

确认删除?
VIP
微信客服
  • 扫码咨询
会员Q群
  • 会员专属群点击这里加入QQ群
客服邮箱
回到顶部