电脑桌面
添加小米粒文库到电脑桌面
安装后可以在桌面快捷访问

0word新国标GB501742017数据中心设计规范VIP免费

0word新国标GB501742017数据中心设计规范_第1页
1/6
0word新国标GB501742017数据中心设计规范_第2页
2/6
0word新国标GB501742017数据中心设计规范_第3页
3/6
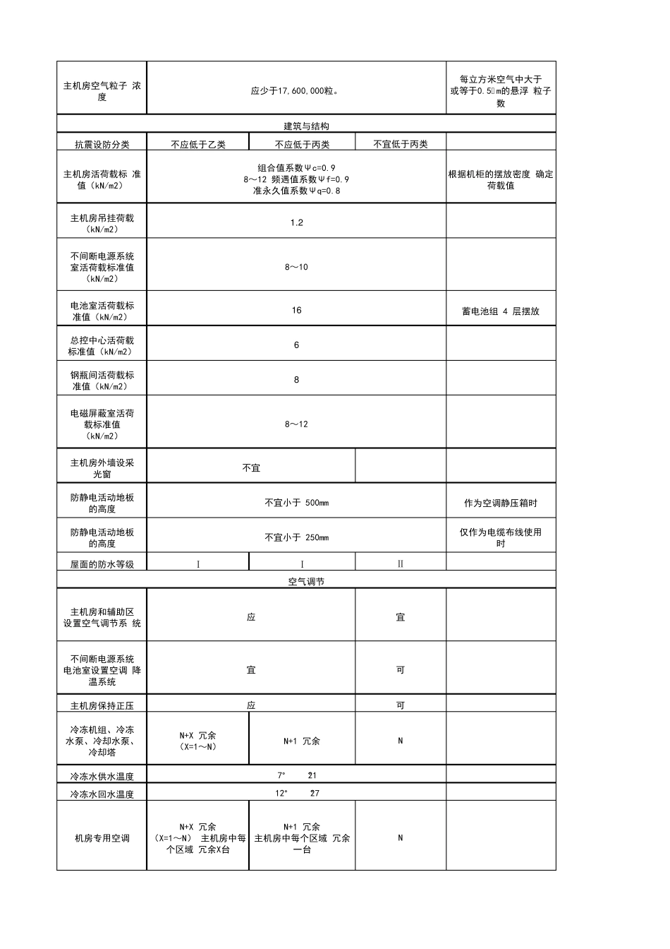
附录1 各级数据中心技术要求A 级C 级距离停车场不应小于20m包括自用和外部停车场距离铁路或高速公路的距离不应小于800米不包括各场所自身使用的数据中心距离地铁的距离不宜小于 100m不包括地铁公司自身使用的数据中心在飞机航道范围内建设数据中心 距离飞机场不宜小于8000m-不包括机场自身使用 的数据中心距离甲、乙类厂房和仓库、垃圾 填埋场-不包括甲、乙类厂房和仓库自身使用的数 据中心距离火药炸药库-不包括火药炸药库自身使用的数据中心距离核电站的危险区域不包括核电站自身使用的数据中心距离住宅-有可能发生洪水的区域不宜设置数据中心地震断层附近或 有滑坡危险区域不宜设置数据 中心从火车站、飞机场到达数据中心 的交通道路不应少于2条道路--冷通道或机柜进风区域的温度冷通道或机柜进风区域的相对湿 度和露点温度主机房环境温度和相对湿度(停机时)主机房和辅助区温度变化率辅助区温度、相对湿度(开机时)辅助区温度、相对湿度(停机时)不间断电源系统电池室温度使用磁带驱动时<5℃/h,使用磁盘驱动时<20℃/h,18° C ~28° C、35%~75%5° C ~35° C、20%~80%20° C ~30° C不应小于2000m不应小于3000m不应小于 40000m不宜小于100m不应设置数据中心不应设置数据中心-环境要求18° C ~27° C不得结露露点温度5.5° C ~15° C,同时相对湿度不大于60%5° C ~45℃,8%~80%,同时露点温度不大于27° C项目技术要求备注B 级选址不宜小于10m不宜小于100米不宜小于 80m不宜小于1600m主 机 房 空 气 粒 子 浓度每 立 方 米 空 气 中 大 于或 等 于 0.5μ m的 悬 浮 粒 子数抗 震 设 防 分 类不 应 低 于 乙 类不 应 低 于 丙 类-主 机 房 活 荷 载 标 准值 ( kN/m2)根 据 机 柜 的 摆 放 密 度 确 定荷 载 值主 机 房 吊 挂 荷 载( kN/m2)不 间 断 电 源 系 统室 活 荷 载 标 准 值( kN/m2)电 池 室 活 荷 载 标准 值 ( kN/m2)蓄 电 池 组 4 层 摆 放总 控 中 心 活 荷 载标 准 值 ( kN/m2)钢 瓶 间 活 荷 载 标准 值 ( kN/m2)电 磁 屏 蔽 室 活 荷载 标 准 值( kN/m2)主 机 房 外 墙 设 采光 窗防 静 电 活 动 地 板的 高 度作 为 空 调 静 压 箱 时防 静 电 活 动 地 板的 高 度仅 作 为 电 缆 布 线 使 用时屋 ...

1、当您付费下载文档后,您只拥有了使用权限,并不意味着购买了版权,文档只能用于自身使用,不得用于其他商业用途(如 [转卖]进行直接盈利或[编辑后售卖]进行间接盈利)。
2、本站所有内容均由合作方或网友上传,本站不对文档的完整性、权威性及其观点立场正确性做任何保证或承诺!文档内容仅供研究参考,付费前请自行鉴别。
3、如文档内容存在违规,或者侵犯商业秘密、侵犯著作权等,请点击“违规举报”。

碎片内容

0word新国标GB501742017数据中心设计规范

您可能关注的文档

小辰7+ 关注
实名认证
内容提供者

出售各种资料和文档

确认删除?
VIP
微信客服
  • 扫码咨询
会员Q群
  • 会员专属群点击这里加入QQ群
客服邮箱
回到顶部