电脑桌面
添加小米粒文库到电脑桌面
安装后可以在桌面快捷访问

10KV干式铁芯串联电抗器试验报告VIP免费

10KV干式铁芯串联电抗器试验报告_第1页
1/7
10KV干式铁芯串联电抗器试验报告_第2页
2/7
10KV干式铁芯串联电抗器试验报告_第3页
3/7
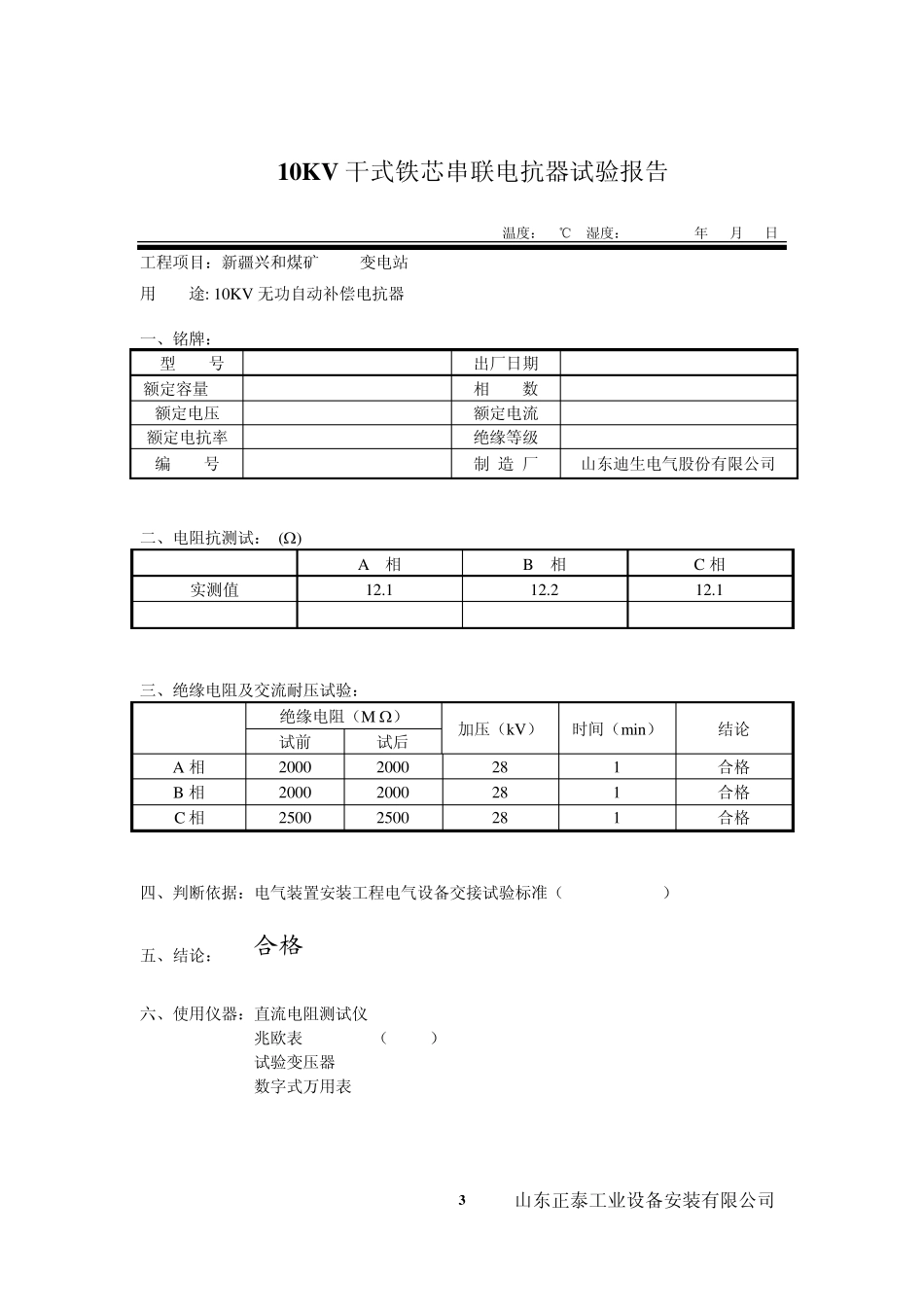
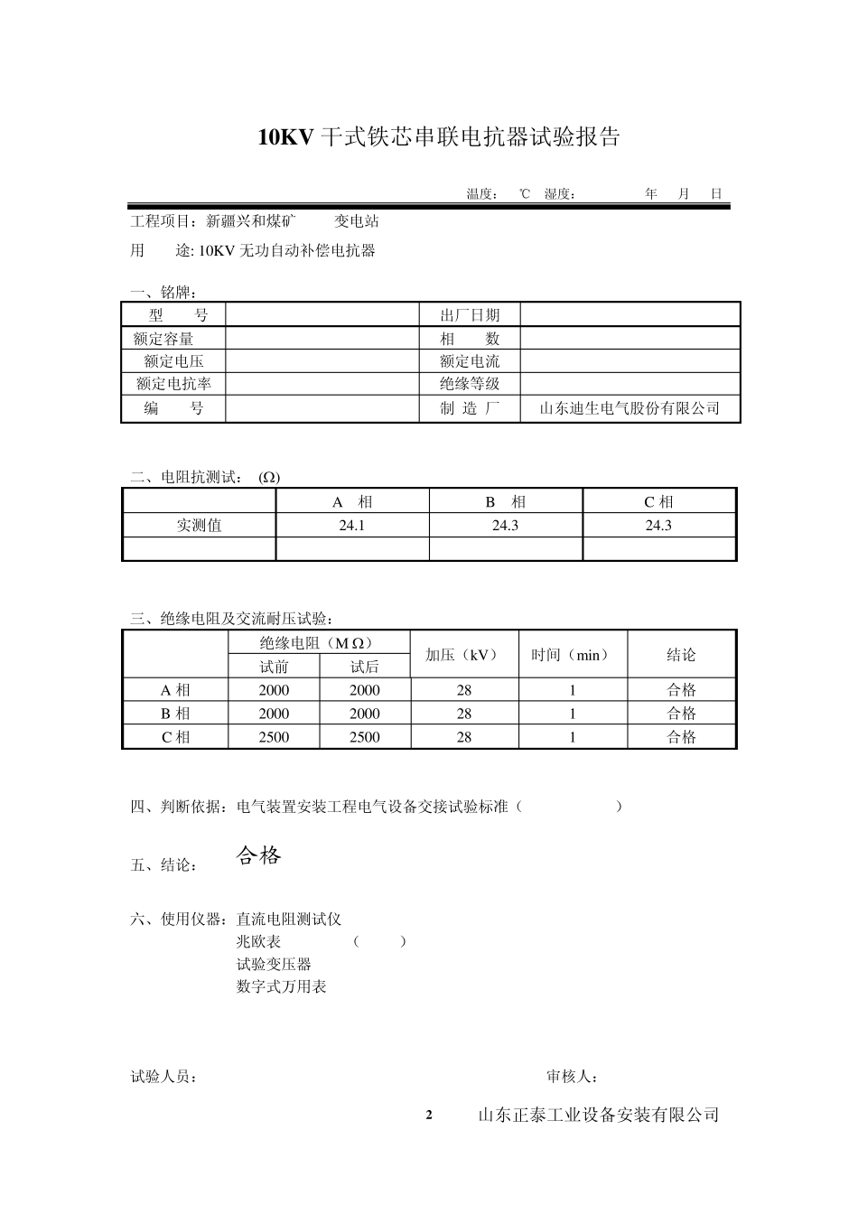
山东正泰工业设备安装有限公司 1 10KV 干式铁芯串联电抗器试验报告 温度:20℃ 湿度:40% 2011年 10月 03日 工程项目:新疆兴和煤矿 35KV变电站 用 途: 10KV 无功自动补偿电抗器 一、铭牌: 型 号 CKSC-18/10-6 出厂日期 2011.7 额定容量 18Kvar 相 数 3 额定电压 10KV 额定电流 15.7A 额定电抗率 6% 绝缘等级 F 编 号 1107054 制 造 厂 山东迪生电气股份有限公司 二、电阻抗测试: () A 相 B 相 C 相 实测值 24.3 24.4 24.3 三、绝缘电阻及交流耐压试验: 绝缘电阻(M ) 加压(kV) 时间(min) 结论 试前 试后 A 相 2000 2000 28 1 合格 B 相 2000 2000 28 1 合格 C 相 2500 2500 28 1 合格 四、判断依据:电气装置安装工程电气设备交接试验标准(GB50150-2006) 五、结论: 合格 六、使用仪器:直流电阻测试仪 ZT-200K 01-1860 兆欧表 ZC11D-10(2500V) 4-0151 试验变压器YDTSB-50KVA 917 数字式万用表 FLUKE15B 试验人员: 审核人: 山东正泰工业设备安装有限公司 2 10KV 干式铁芯串联电抗器试验报告 温度:20℃ 湿度:40% 2011年 10月 03日 工程项目:新疆兴和煤矿 35KV变电站 用 途: 10KV 无功自动补偿电抗器 一、铭牌: 型 号 CKSC-18/10-6 出厂日期 2011.7 额定容量 18Kvar 相 数 3 额定电压 10KV 额定电流 15.7A 额定电抗率 6% 绝缘等级 F 编 号 1107055 制 造 厂 山东迪生电气股份有限公司 二、电阻抗测试: () A 相 B 相 C 相 实测值 24.1 24.3 24.3 三、绝缘电阻及交流耐压试验: 绝缘电阻(M ) 加压(kV) 时间(min) 结论 试前 试后 A 相 2000 2000 28 1 合格 B 相 2000 2000 28 1 合格 C 相 2500 2500 28 1 合格 四、判断依据:电气装置安装工程电气设备交接试验标准(GB50150-2006) 五、结论: 合格 六、使用仪器:直流电阻测试仪 ZT-200K 01-1860 兆欧表 ZC11D-10(2500V) 4-0151 试验变压器YDTSB-50KVA 917 数字式万用表 FLUKE15B 试验人员: 审核人: 山东正泰工业设备安装有限公司 3 10KV 干式铁芯串联电抗器试验报告 温度:20℃ 湿度:40% 2011年 10月 03日 工程项目:新疆兴和煤矿 35KV变电站 用 途: 10KV 无功自动补偿电抗器 一、铭牌: 型 号 CKSC-36/10-6 出厂日期 2011.7 额...

1、当您付费下载文档后,您只拥有了使用权限,并不意味着购买了版权,文档只能用于自身使用,不得用于其他商业用途(如 [转卖]进行直接盈利或[编辑后售卖]进行间接盈利)。
2、本站所有内容均由合作方或网友上传,本站不对文档的完整性、权威性及其观点立场正确性做任何保证或承诺!文档内容仅供研究参考,付费前请自行鉴别。
3、如文档内容存在违规,或者侵犯商业秘密、侵犯著作权等,请点击“违规举报”。

碎片内容

10KV干式铁芯串联电抗器试验报告

您可能关注的文档

小辰2+ 关注
实名认证
内容提供者

出售各种资料和文档

相关文档

确认删除?
VIP
微信客服
  • 扫码咨询
会员Q群
  • 会员专属群点击这里加入QQ群
客服邮箱
回到顶部