电脑桌面
添加小米粒文库到电脑桌面
安装后可以在桌面快捷访问

10kV电缆线路用户分界负荷开关VIP免费

10kV电缆线路用户分界负荷开关_第1页
1/13
10kV电缆线路用户分界负荷开关_第2页
2/13
10kV电缆线路用户分界负荷开关_第3页
3/13
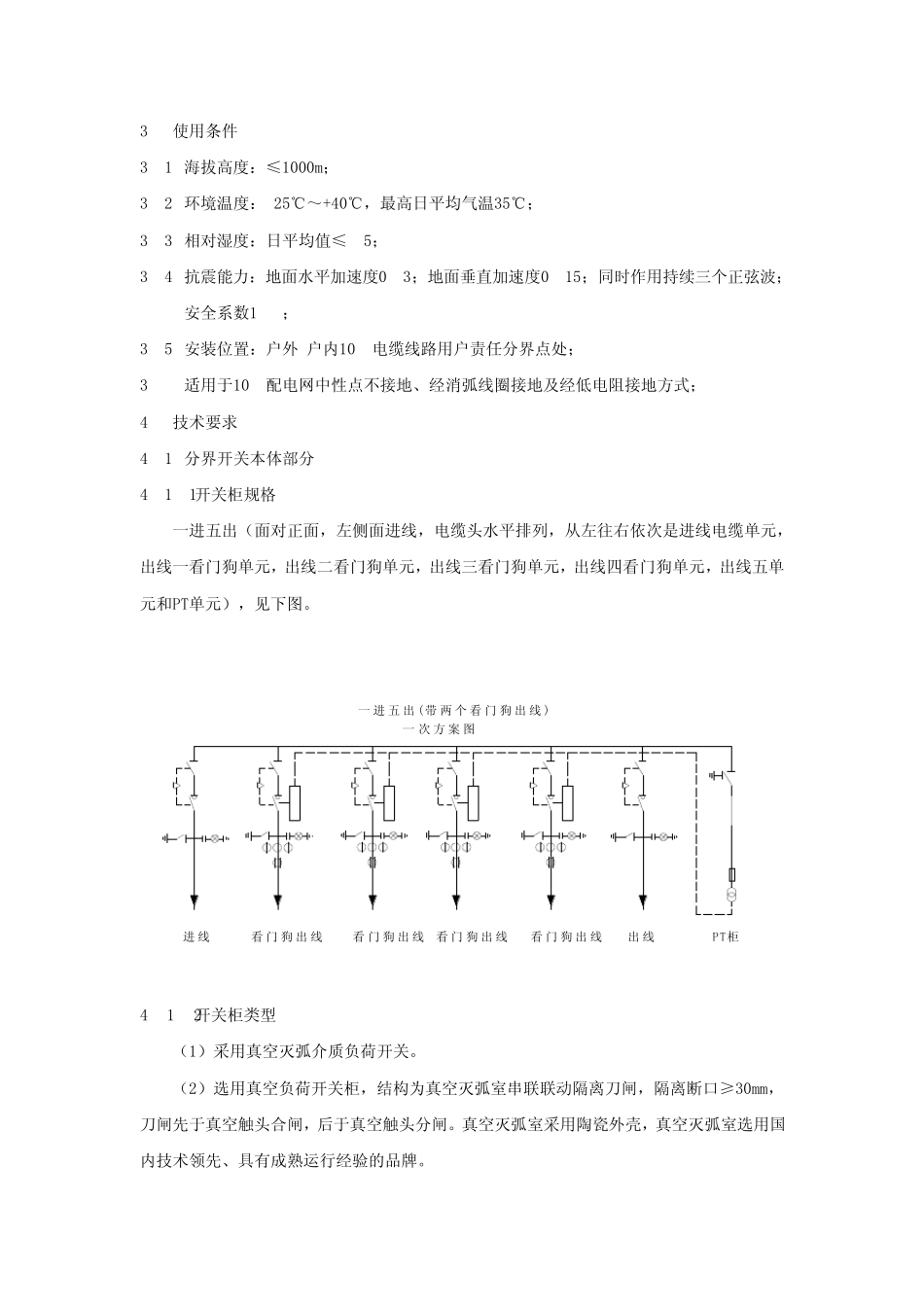
附件《10kV电缆线路用户分界负荷开关》 10kV电缆线路用户分界负荷开关 (Q/GDW0212331—2010) 1. 适用范围 本技术条件适用于亦庄2011年10千伏线路切改工程10kV电缆线路用户分界负荷开关的通用招标订货,是相关设备通用订货合同的技术条款。 本技术条件规定了10kV电缆线路用户分界负荷开关(以下简称分界开关)及其配套PT、CT、控制器等的使用环境条件、性能参数、结构尺寸、技术要求、型式试验、出厂试验、标志、包装、运输和贮存等具体内容。 2. 采用标准 供货方应使用最新颁布执行的国家标准、行业标准和IEC标准,在用户方同意时可以使用其他性能更高的标准。行业标准中已对产品质量分等作出规定的条款,供货方所提供的产品性能应达到优等品的标准。当以上标准中的条款与本技术条件发生偏差时,应以本技术条件为准。 负荷开关柜及配套PT、CT部分 GB311.1—1997高压输变电设备的绝缘配合 GB1208-1997电流互感器 GB3309—1989高压开关设备常温下机械试验 GB3804-20043.6kV~40.5kV高压交流负荷开关 GB3906—20063.6kV~40.5kV交流金属封闭开关设备和控制设备 GB/T11022—1999高压开关设备和控制设备标准的共用技术要求 DL404-1997户内交流高压开关柜订货技术条件 DL/T726—2000电力用电压互感器订货技术条件 控制器部分 GB/T7261-2000继电器及装置基本试验方法 GB/T11287-2000量度继电器和保护装置的振动试验(正弦)(idtIEC60255-21-1:1988) GB/T14537-1993量度继电器和保护装置的冲击与碰撞试验(idtIEC60255-21-2:1988) GB/T17626.4-1998电磁兼容试验和测量技术电快速瞬变脉冲群抗扰度试验(idtIEC61000-4-4:1995) DL/T721-2000配电网自动化系统远方终端 3. 使用条件 3.1. 海拔高度:≤1000m; 3.2. 环境温度:-25℃~+40℃,最高日平均气温35℃; 3.3. 相对湿度:日平均值≤95%; 3.4. 抗震能力:地面水平加速度0.3g;地面垂直加速度0.15g;同时作用持续三个正弦波;安全系数1.67; 3.5. 安装位置:户外/户内10kV电缆线路用户责任分界点处; 3.6. 适用于10kV配电网中性点不接地、经消弧线圈接地及经低电阻接地方式; 4. 技术要求 4.1. 分界开关本体部分 4.1.1. 开关柜规格 一进五出(面对正面,左侧面进线,电缆头水平排列,从左往右依次是进线电缆单元,出线一看门狗单元,出线二看门狗单元,出线三看门狗单元,出线四看门狗单元,出线五单元和PT单元),见下图。 一 进 五 出 (...

1、当您付费下载文档后,您只拥有了使用权限,并不意味着购买了版权,文档只能用于自身使用,不得用于其他商业用途(如 [转卖]进行直接盈利或[编辑后售卖]进行间接盈利)。
2、本站所有内容均由合作方或网友上传,本站不对文档的完整性、权威性及其观点立场正确性做任何保证或承诺!文档内容仅供研究参考,付费前请自行鉴别。
3、如文档内容存在违规,或者侵犯商业秘密、侵犯著作权等,请点击“违规举报”。

碎片内容

10kV电缆线路用户分界负荷开关

确认删除?
VIP
微信客服
  • 扫码咨询
会员Q群
  • 会员专属群点击这里加入QQ群
客服邮箱
回到顶部