电脑桌面
添加小米粒文库到电脑桌面
安装后可以在桌面快捷访问

11发酵操作规程VIP免费

11发酵操作规程_第1页
1/24
11发酵操作规程_第2页
2/24
11发酵操作规程_第3页
3/24
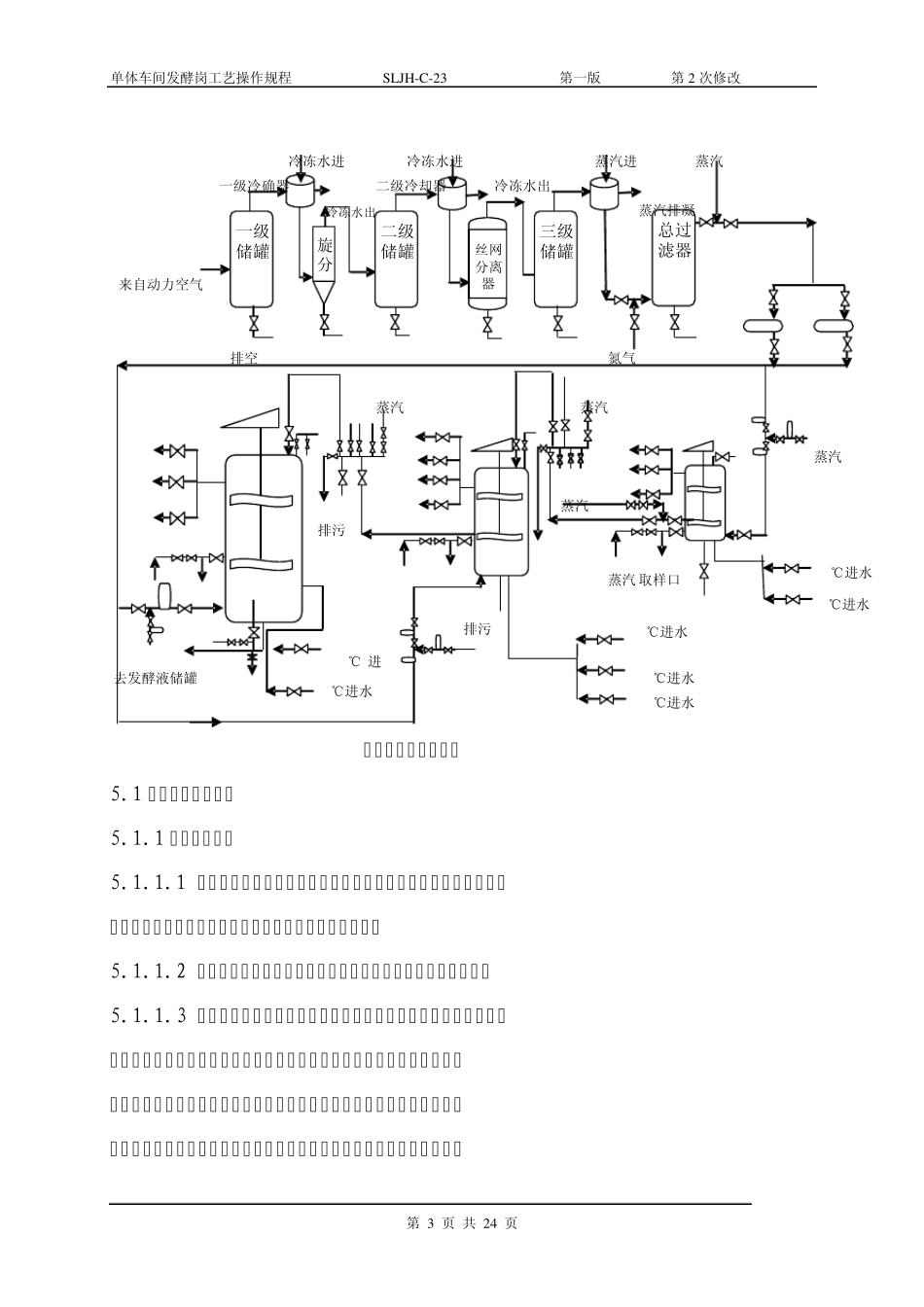
单体车间发酵岗工艺操作规程 SLJH-C-23 第一版 第2 次修改 第 1 页 共 24 页 发酵岗位工艺操作规程 1. 目的及适用范围 1.1 本规定的目的是严格工艺操作,提高工作质量,保证安全文明生产。 1.2 本规定适用于发酵工序消毒、接种、移种、温度控制、压力通气量控制、冷冻、取样、加热放罐、输送的过程控制。 2. 相关文件:无 3. 发酵岗位使用专业术语 3.1 延滞期:培养基接种以后,细胞并不立即生长繁殖,其细胞数在一定时期内无明显增加,这一阶段称为延滞期。延滞期是细胞在环境改变后表现出来的一个适应阶段,这是一个静态到动态的过程,须缓慢控制,即用低转速来控制好溶氧。 3.2 对数生长期:细胞经过延滞期后适应了新环境,生理状态也较为活跃,细胞开始迅速繁殖,由于细胞以分裂方式繁殖,细胞数目呈几何级数增加,故称对数生长期。进入对数生长期可提高转速满足菌种对氧的高呼吸要求。 3.3 稳定期:随着细胞的生长繁殖,培养基中营养物质渐趋耗尽,而代谢产物的逐渐增多,以及菌生长引起周围环境条件(如PH 值、温度等)的变化,使的细胞的繁殖速度逐渐降低,当细胞的繁殖速率与死亡速率相等时,细胞生长进入稳定期,细胞浓度达到最大。 3.4 衰亡期:培养基中营养成分耗尽,代谢产物大量堆积,这时能够继续繁殖的细胞数越来越少直至为零,而死亡的细胞则越来越多,即活细胞数显著下降,故此时期称为衰亡期。 3.5 球状菌:球状菌又可细分为单球菌、双球菌、四连球菌、八叠球菌、链球菌、葡萄球菌。 3.6 杆状菌: 单体车间发酵岗工艺操作规程 SLJH-C-23 第一版 第2 次修改 第 2 页 共 24 页 3.6.1 按菌的长短细分为长杆菌和短杆菌。 3.6.2 按菌的粗细细分为粗杆菌和细杆菌。 3.6.3 按菌的相连个数细分为单杆菌、双杆菌、链杆菌。 3.7 螺旋状菌:螺旋状菌又可细分为弧菌和螺旋菌。 注:芽孢菌(又称内生孢子)不具有分类学上的意义,其只是细菌(一般为杆菌,球菌也有)在生长过程中细胞内部产生了一些圆状或椭圆状的空心,以抵抗不良环境对其的影响。 4. 职责: 4.1 认真执行本公司各项管理规定和规章制度。 4.2 严格按单体操作规程和设备操作规程操作,严禁超温、超压,违章操作。 4.3 对本岗所有设备安全负责,定期对设备进行维护保养,冬季做好管线、设备的防冻凝工作。 4.4 控制好发酵的温度、压力、转速,发酵的染菌率。按时做好取样、镜检等工作。 4.5 提供足量的发酵...

1、当您付费下载文档后,您只拥有了使用权限,并不意味着购买了版权,文档只能用于自身使用,不得用于其他商业用途(如 [转卖]进行直接盈利或[编辑后售卖]进行间接盈利)。
2、本站所有内容均由合作方或网友上传,本站不对文档的完整性、权威性及其观点立场正确性做任何保证或承诺!文档内容仅供研究参考,付费前请自行鉴别。
3、如文档内容存在违规,或者侵犯商业秘密、侵犯著作权等,请点击“违规举报”。

碎片内容

11发酵操作规程

确认删除?
VIP
微信客服
  • 扫码咨询
会员Q群
  • 会员专属群点击这里加入QQ群
客服邮箱
回到顶部