电脑桌面
添加小米粒文库到电脑桌面
安装后可以在桌面快捷访问

12864液晶屏幕使用说明及程序VIP专享VIP免费

12864液晶屏幕使用说明及程序_第1页
1/15
12864液晶屏幕使用说明及程序_第2页
2/15
12864液晶屏幕使用说明及程序_第3页
3/15
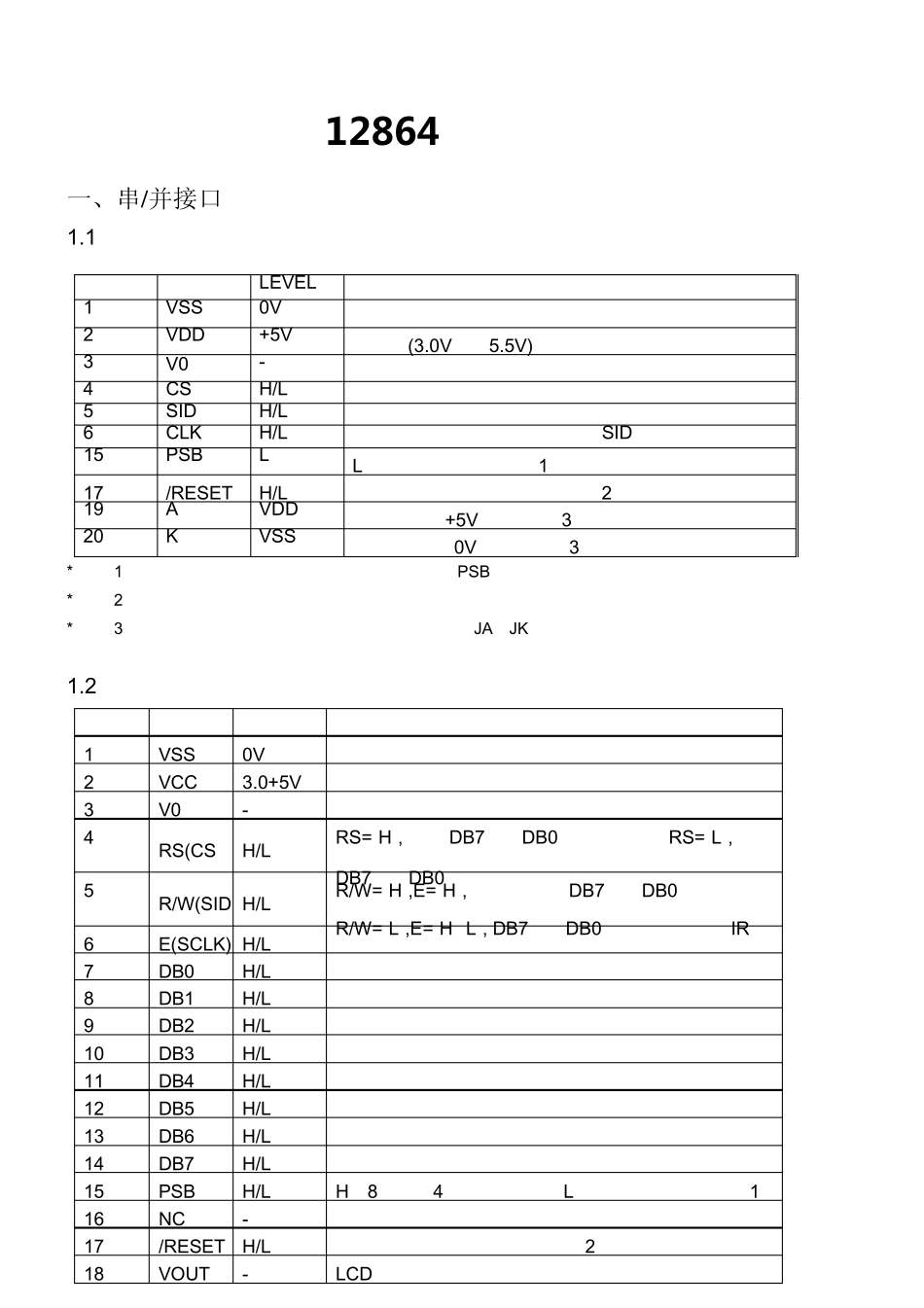
12864使用说明 一、串/并接口 1.1 串口接口管脚信号 管脚号 名称 LEVEL 功能 1 VSS 0V 电源地 2 VDD +5V 电源正(3.0V——5.5V) 3 V0 - 对比度(亮度)调整 4 CS H/L 模组片选端,高电平有效 5 SID H/L 串行数据输入端 6 CLK H/L 串行同步时钟:上升沿时读取 SID 数据 15 PSB L L:串口方式(见注释 1) 17 /RESET H/L 复位端,低电平有效(见注释 2) 19 A VDD 背光源电压+5V(见注释 3) 20 K VSS 背光源负端 0V (见注释 3) *注释 1:如在实际应用中仅使用并口通讯模式,可将 PSB 接固定高电平。 *注释 2:模块内部接有上电复位电路,因此在不需要经常复位的场合可将该端悬空。 *注释 3:如背光和模块共用一个电源,可以将模块上的 JA、JK 用焊锡短接。 1.2 并行接口管脚信号 管脚号 管脚名称 电平 管脚功能描述 1 VSS 0V 电源地 2 VCC 3.0+5V 电源正 3 V0 - 对比度(亮度)调整 4 RS(CS) H/L RS=“H”,表示 DB7——DB0 为显示数据 RS=“L”,表示 DB7——DB0 为显示指令数据 5 R/W (SID H/L R/W =“H”,E=“H”,数据被读到 DB7——DB0 R/W =“L”,E=“H→L”, DB7——DB0 的数据被写到 IR 或 6 E(SCLK) H/L 使能信号 7 DB0 H/L 三态数据线 8 DB1 H/L 三态数据线 9 DB2 H/L 三态数据线 10 DB3 H/L 三态数据线 11 DB4 H/L 三态数据线 12 DB5 H/L 三态数据线 13 DB6 H/L 三态数据线 14 DB7 H/L 三态数据线 15 PSB H/L H:8 位或 4 位并口方式,L:串口方式(见注释 1) 16 NC - 空脚 17 /RESET H/L 复位端,低电平有效(见注释 2) 18 VOUT - LCD 驱动电压输出端 19 A VDD 背光源正端(+5V)(见注释 3) 20 K VSS 背光源负端(见注释 3) *注释 1:如在实际应用中仅使用并口通讯模式,可将 PSB 接固定高电平。 *注释 2:模块内部接有上电复位电路,因此在不需要经常复位的场合可将该端悬空。 *注释 3:如背光和模块共用一个电源,可以将模块上的 JA、JK 用焊锡短接。 二、模块主要硬件构成说明 控制器接口信号说明: 2.1、 RS,R/W的配合选择决定控制界面的4种模式: 2.2、E信号 ●忙标志 BF BF 标志提供内部工作情况.BF=1 表示模块在进行内部操作,此时模块不接受外部指令和数据.BF=0 时, 模块为准备状态,随时可接受外部指令和数据.利用...

1、当您付费下载文档后,您只拥有了使用权限,并不意味着购买了版权,文档只能用于自身使用,不得用于其他商业用途(如 [转卖]进行直接盈利或[编辑后售卖]进行间接盈利)。
2、本站所有内容均由合作方或网友上传,本站不对文档的完整性、权威性及其观点立场正确性做任何保证或承诺!文档内容仅供研究参考,付费前请自行鉴别。
3、如文档内容存在违规,或者侵犯商业秘密、侵犯著作权等,请点击“违规举报”。

碎片内容

12864液晶屏幕使用说明及程序

确认删除?
VIP
微信客服
  • 扫码咨询
会员Q群
  • 会员专属群点击这里加入QQ群
客服邮箱
回到顶部