电脑桌面
添加小米粒文库到电脑桌面
安装后可以在桌面快捷访问

16G平法手册.VIP免费

16G平法手册._第1页
1/71
16G平法手册._第2页
2/71
16G平法手册._第3页
3/71
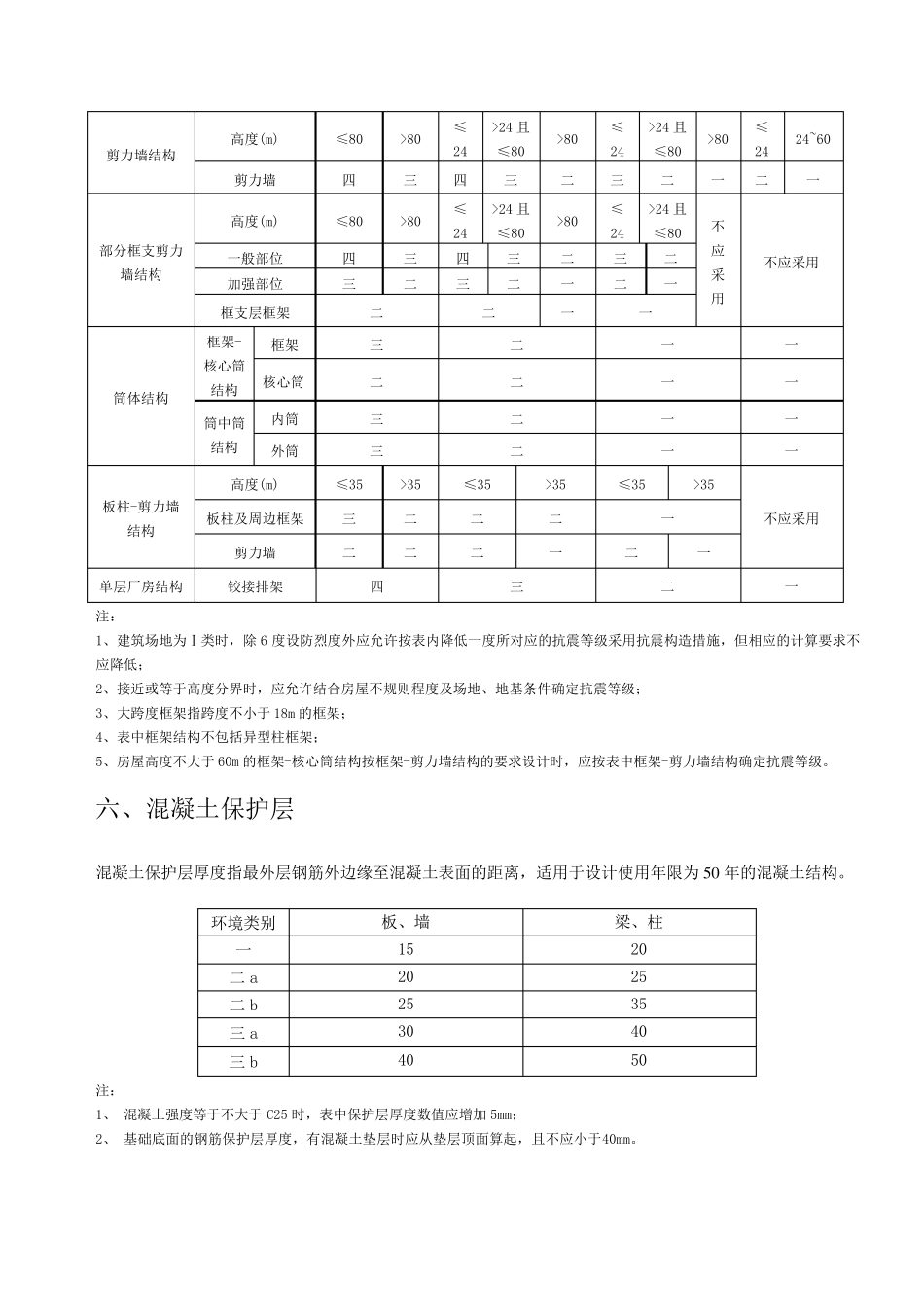
1 6 系钢筋平法知识 第一章钢筋计算相关知识 一、“平法”基本原理 “平法”视全部设计过程与施工过程为一个完整的主系统,主系统由多个子系统构成: 基础结构、柱墙结构、梁结构、板结构,各子系统有明确的层次性、关联性和相对完整性。 1、层次性:基础→柱、墙→梁→板,均为完整的子系统; 2、关联性:柱、墙以基础为支座→柱、墙与基础关联 ;梁以柱为支座→梁与柱关联;板以梁为支座→板与梁关联; 3、相对完整性:基础自成体系,柱、墙自成体系,梁自成体系,板自成体系。 二、“平法”应用原理 1、将结构设计分为“创造性设计”内容与“重复性”(非创造性)设计内容两部分,两部分为对应互补关系,合并构成完整的结构设计; 2、设计工程师以数字化、符号化的平面整体设计制图规则完成其创造性设计内容部分; 3、重复性设计内容部分:主要是节点构造和杆件构造以《广义标准化》方式编制成国家建筑标准构造设计。 正是由于“平法”设计的图纸拥有这样的特性,因此我们在计算钢筋工程量时首先结合“平法”的基本原理准确理解数字化、符号化的内容,才能正确的计算钢筋工程量。 三、钢筋计算原理 我们在计算钢筋工程量时,其最终原理就是就算钢筋的长度。如(图1.1) (图 1 .1 ) 四、钢筋的公称截面面积、计算截面面积及理论重量――GB50010-2010 称直径(mm) 不同根数钢筋的计算截面面积(mm2) 单根钢筋理论重量(kg/m) 1 2 3 4 5 6 7 8 9 6 28.3 57 85 113 142 170 198 226 255 0.222 6.5 33.2 66 100 133 166 199 232 265 299 0.26 8 50.3 101 151 201 252 302 352 402 453 0.395 8.2 52.8 106 158 211 264 317 370 423 475 0.432 10 78.5 157 236 314 393 471 550 628 707 0.617 12 113.1 226 339 452 565 678 791 904 1017 0.888 14 153.9 308 461 615 769 923 1077 1231 1385 1.21 16 201.1 402 603 804 1005 1206 1407 1608 1809 1.58 18 254.5 509 763 1017 1272 1527 1781 2036 2290 2 20 314.2 628 942 1256 1570 1884 2199 2513 2827 2.47 22 380.1 760 1140 1520 1900 2281 2661 3041 3421 2.98 25 490.9 982 1473 1964 2454 2945 3436 3927 4418 3.85 28 615.8 1232 1847 2463 3079 3695 4310 4926 5542 4.83 32 804.2 1609 2413 3217...

1、当您付费下载文档后,您只拥有了使用权限,并不意味着购买了版权,文档只能用于自身使用,不得用于其他商业用途(如 [转卖]进行直接盈利或[编辑后售卖]进行间接盈利)。
2、本站所有内容均由合作方或网友上传,本站不对文档的完整性、权威性及其观点立场正确性做任何保证或承诺!文档内容仅供研究参考,付费前请自行鉴别。
3、如文档内容存在违规,或者侵犯商业秘密、侵犯著作权等,请点击“违规举报”。

碎片内容

16G平法手册.

您可能关注的文档

确认删除?
VIP
微信客服
  • 扫码咨询
会员Q群
  • 会员专属群点击这里加入QQ群
客服邮箱
回到顶部