电脑桌面
添加小米粒文库到电脑桌面
安装后可以在桌面快捷访问

1钢船建造工艺流程VIP专享VIP免费

1钢船建造工艺流程_第1页
1/46
1钢船建造工艺流程_第2页
2/46
1钢船建造工艺流程_第3页
3/46
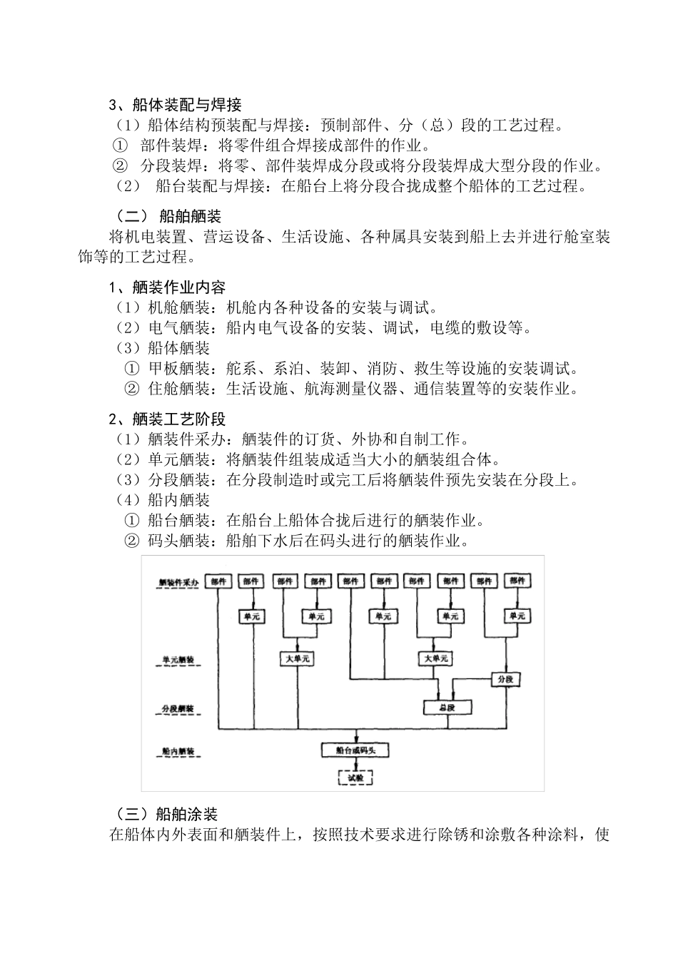
课题一 钢船建造工艺流程 【教学目的】 1、熟悉造船工艺的基本概念、内容。 2、熟悉钢船建造的工艺流程。 3、了解壳、舾、涂三大工程之间的关系和壳、舾、涂一体化的概念。 【教学重点】 1、钢船建造工艺流程。 2、几个基本概念: (1)造船工艺 (2)船体建造 (3)船舶舾装 (4)船舶涂装 【教学时数分配】 1、造船工艺的基本概念和流程 2 学时 2、造船模式与先进技术 2 学时 【教学方法】 1、采用多媒体,通过展示实船图片促进学生的认知。 2、本章节以知识的传授为主,通过介绍,使学生熟悉钢船建造工艺流程,了解造船模式及其关键技术,了解船舶工程的全貌,为后续学习打基础。 课题一 钢船建造工艺流程 第一节 船舶建造工艺的基本内容 船舶建造简称造船 一、造船工艺的定义及特点 造船工艺:造船施工方法和过程的统称。 造船工艺学:研究船舶建造过程及其工艺技术的一门应用科学。 特点:具有很强的实践性、理论性和综合性。 二、造船工艺的主要任务 1、为造船生产制订工艺方案 根据现有技术条件,制订优良的工艺方案: (1)船舶建造方案; (2)操作方法与工艺规程; (3)工艺装备和设备; (4)施工精度标准以及检测方法; (5)新技术的应用。 2、研究开发新工艺、新技术。 三、造船工艺的基本内容 (一) 船体建造 加工制作船体构件,再将它们组装焊接成中间产品(部件、分段、总段),然后吊运至船台上总装成船体的工艺过程。 1、船体放样和号料 (1)船体放样:主要工作内容包括船体型线光顺,纵横结构线放样,船体构件展开,制作放样资料等 ① 手工放样:利用手工操作的方式完成放样工作。 ② 数学放样:利用数学方法人机交互完成放样工作。 (2)船体号料:将放样展开的船体构件外形和大小依据草图、样棒、样板、样箱等划到钢材上,并标注加工装配符号等信息。 2、船体钢料加工 (1)钢材预处理:钢材的轿平、除锈涂底漆等。 (2)构件的边 缘 加工:切 割 、开坡 口 和打 磨 。 (3)构件的成形加工:将构件弯 制或 折 曲 成所 要求 的空 间形状 。 3、船体装配与焊接 (1)船体结构预装配与焊接:预制部件、分(总)段的工艺过程。 ① 部件装焊:将零件组合焊接成部件的作业。 ② 分段装焊:将零、部件装焊成分段或将分段装焊成大型分段的作业。 (2) 船台装配与焊接:在船台上将分段合拢成整个船体的工艺过程。 (二) 船舶舾装 将机电装置...

1、当您付费下载文档后,您只拥有了使用权限,并不意味着购买了版权,文档只能用于自身使用,不得用于其他商业用途(如 [转卖]进行直接盈利或[编辑后售卖]进行间接盈利)。
2、本站所有内容均由合作方或网友上传,本站不对文档的完整性、权威性及其观点立场正确性做任何保证或承诺!文档内容仅供研究参考,付费前请自行鉴别。
3、如文档内容存在违规,或者侵犯商业秘密、侵犯著作权等,请点击“违规举报”。

碎片内容

1钢船建造工艺流程

确认删除?
VIP
微信客服
  • 扫码咨询
会员Q群
  • 会员专属群点击这里加入QQ群
客服邮箱
回到顶部