电脑桌面
添加小米粒文库到电脑桌面
安装后可以在桌面快捷访问

20,5t行车主要部分电气工作原理图VIP免费

20,5t行车主要部分电气工作原理图_第1页
1/21
20,5t行车主要部分电气工作原理图_第2页
2/21
20,5t行车主要部分电气工作原理图_第3页
3/21
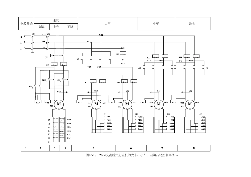
20/5t桥式主要部分电气工作原理 20/5t桥式起重机经常移动的。因此要采用移动的电源线供电,一般采用软电缆供电,软电缆可随大、小车的滑触线通过生产车间中常用的20/5t桥式起重机,它是一种用来吊起或放下重物并使重物在短距离内水平移动的起重设备,俗称吊车、行车或天车。起重设备按结构分,有桥式、塔式、门式、旋转式和缆索式等多种,不同结构的起重设备分别应用于不同的场合。生产车间内使用的是桥式起重机,常见的有5t、10t单钩和15/3t、20/5t双钩等。下面以20/5t双钩桥式起重机为例分析一下20/5t桥式起重机控制线路。20/5t桥式起重机主要由主钩(20t)、副钩(5t)、大车和小车等四部分组成。如图10-17所示是20/5t桥式起重机的外形结构图。 1-驾驶室 2-辅助滑线架 3-交流磁力控制器 4-电阻箱 5-起重小车 6-大车拖动电动7-端梁 8-主滑线 9-主梁 图 10-17 桥式起重机外形结构图 20/5t桥式起重机由五台电动机组成,其主要运动形式分析如下:大车的轨道设在沿车间两侧的柱子上,大车可在轨道上沿车间纵向移动;大车上有小轨道,供小车横向移动;主钩和副钩都安装在小车上。交流起重机的电源为380V。由于起重机工作时是电刷引入起重机驾驶室内的保护控制盘上,三根主滑触线是沿着平行于大车轨道方向敷设在车间厂房的一侧。提升机构、小车上的电动机和交流电磁制动器的电源是由架设在大车上的辅助滑触线(俗称拖令线)来供给的;转子电阻也是通过辅助滑触线与电动机连接的。滑触线通常用圆钢、角钢、V形钢或工字钢轨制成。 10.6.1 20/5t桥式起重机的工作原理 1.主电路分析 桥式起重机的工作原理如图10-18所示。大车由两台规格相同的电动机M1和M2拖动,用一台凸轮控制器Q1控制,电动机的定子绕组并联在同一电源上;YA1和YA2为交流电磁制动器,行程开关SQR和SQL作为大车前后两个方向的终端保护。小车移动机构由一台电动机M3拖动,用一台凸轮控制器Q2控制,YA3为交流电磁制动器,行程开关SQBW和SQFW作为小车前、后两个方向的终端保护。副钩提升由电动机M4拖动,由凸轮控制器Q3来控制,YA4为交流电磁制动器,SQU1为副钩提升的限位开关。主钩提升由电动机M5拖动,由主令控制器SA和一台磁力控制屏控制,YA5、YA6为交流电磁制动器,提升限位开关为SQU2,下降限位开关SQU3。 总电源由电源隔离开关QS1控制,整个起重机电路和各控制电路均用熔断器作为短路保护,起重机的导轨应当可靠地接零。在起重机上,每台电动机均由各自的过电流...

1、当您付费下载文档后,您只拥有了使用权限,并不意味着购买了版权,文档只能用于自身使用,不得用于其他商业用途(如 [转卖]进行直接盈利或[编辑后售卖]进行间接盈利)。
2、本站所有内容均由合作方或网友上传,本站不对文档的完整性、权威性及其观点立场正确性做任何保证或承诺!文档内容仅供研究参考,付费前请自行鉴别。
3、如文档内容存在违规,或者侵犯商业秘密、侵犯著作权等,请点击“违规举报”。

碎片内容

20,5t行车主要部分电气工作原理图

确认删除?
VIP
微信客服
  • 扫码咨询
会员Q群
  • 会员专属群点击这里加入QQ群
客服邮箱
回到顶部