电脑桌面
添加小米粒文库到电脑桌面
安装后可以在桌面快捷访问

PLC实验指导书THPFSM1.2型VIP免费

PLC实验指导书THPFSM1.2型_第1页
1/36
PLC实验指导书THPFSM1.2型_第2页
2/36
PLC实验指导书THPFSM1.2型_第3页
3/36
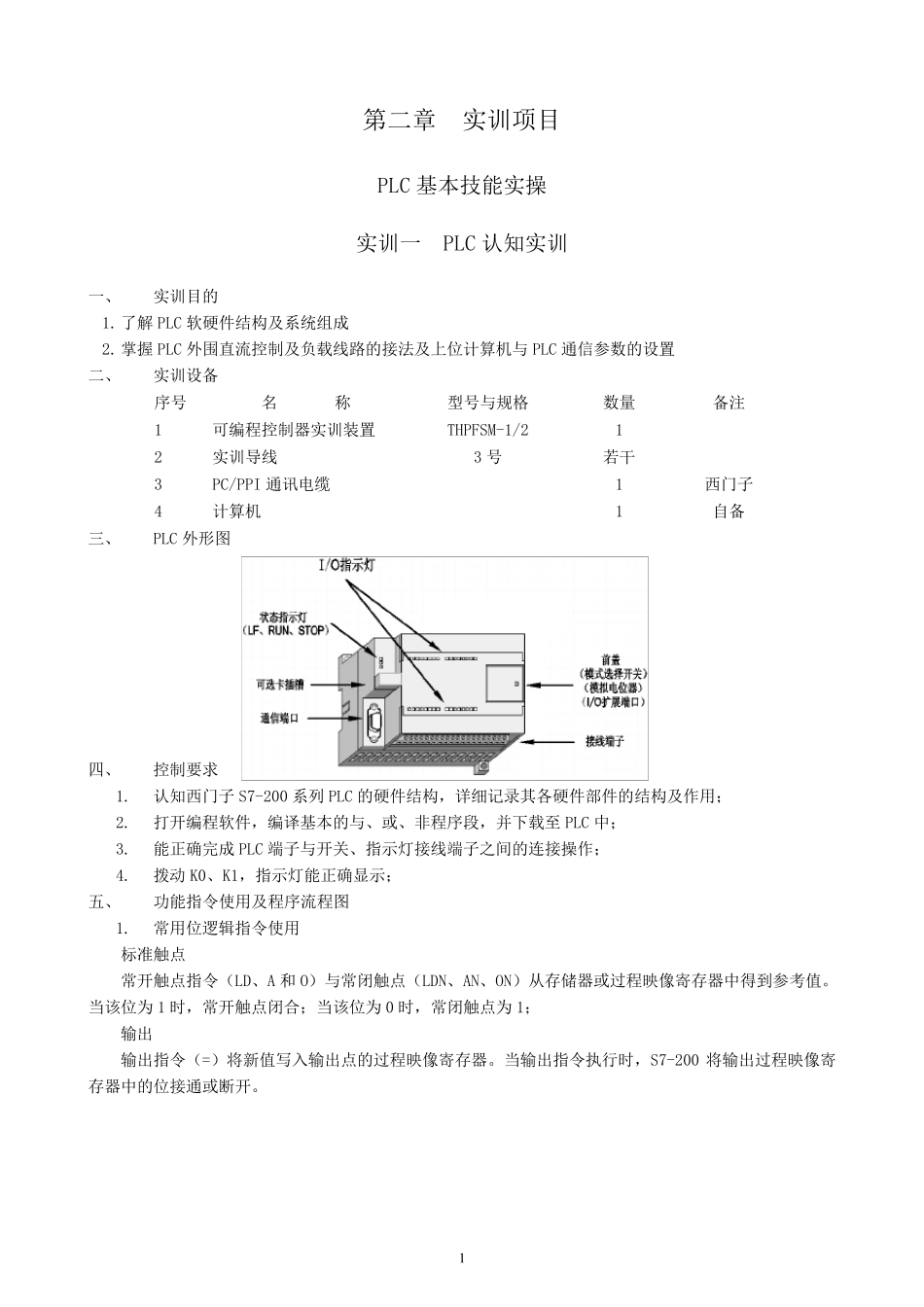
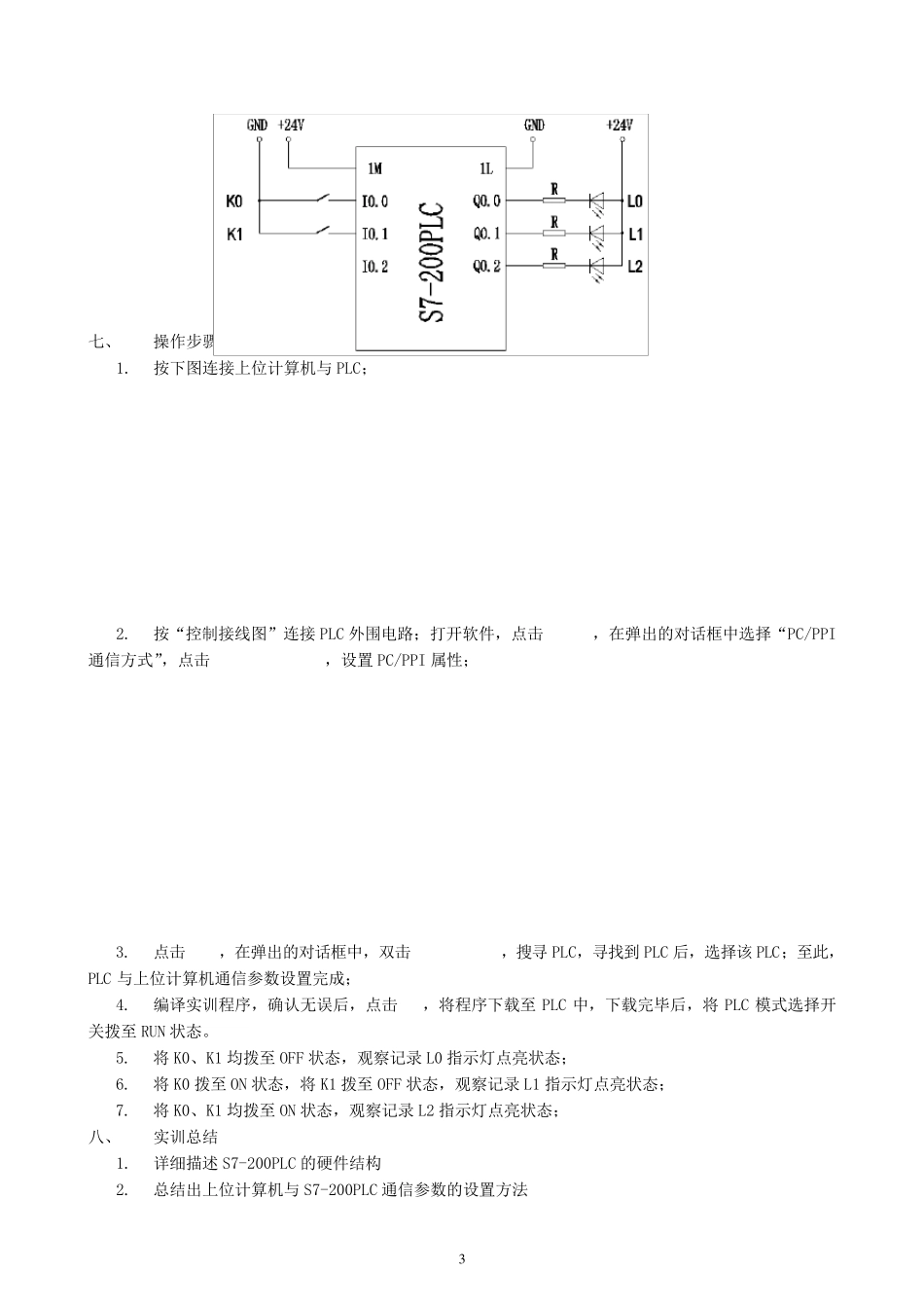
1 第二章 实训项目 PLC 基本技能实操 实训一 PLC 认知实训 一、 实训目的 1. 了解 PLC 软硬件结构及系统组成 2. 掌握 PLC 外围直流控制及负载线路的接法及上位计算机与 PLC 通信参数的设置 二、 实训设备 序号 名 称 型号与规格 数量 备注 1 可编程控制器实训装置 THPFSM-1/2 1 2 实训导线 3 号 若干 3 PC/PPI 通讯电缆 1 西门子 4 计算机 1 自备 三、 PLC 外形图 四、 控制要求 1. 认知西门子 S7-200 系列 PLC 的硬件结构,详细记录其各硬件部件的结构及作用; 2. 打开编程软件,编译基本的与、或、非程序段,并下载至 PLC 中; 3. 能正确完成 PLC 端子与开关、指示灯接线端子之间的连接操作; 4. 拨动 K0、K1,指示灯能正确显示; 五、 功能指令使用及程序流程图 1. 常用位逻辑指令使用 标准触点 常开触点指令(LD、A 和O)与常闭触点(LDN、AN、ON)从存储器或过程映像寄存器中得到参考值。当该位为1 时,常开触点闭合;当该位为0 时,常闭触点为1; 输出 输出指令(=)将新值写入输出点的过程映像寄存器。当输出指令执 行 时,S7-200 将输出过程映像寄存器中的位接通或断 开。 2 与逻辑:如上所示:I0.0、I0.1 状态均为1 时,Q0.0 有输出;当I0.0、I0.1 两者有任何一个状态为0,Q0.0 输出立即为0。 或逻辑:如上所示:I0.0、I0.1 状态有任意一个为1 时,Q0.1 即有输出;当I0.0、I0.1 状态均为0,Q0.1 输出为0。 与逻辑:如上所示:I0.0、I0.1 状态均为0 时,Q0.2 有输出;当I0.0、I0.1 两者有任何一个状态为1,Q0.2 输出立即为0。 2. 程序流程图 六、 端口分配及接线图 1. I/O 端口分配功能表 序号 PLC 地址(PLC端子) 电气符号 (面板端子) 功能说明 1. I0.0 K0 常开触点01 2. I0.1 K1 常开触点02 3. Q0.0 L0 “与”逻辑输出指示 4. Q0.1 L1 “或”逻辑输出指示 5. Q0.2 L2 “非”逻辑输出指示 6. 主机 1M、面板V+接电源+24V 电源正端 7. 主机 1L、2L、3L、面板COM 接电源GND 电源地端 2. 控制接线图 3 七、 操作步骤 1. 按下图连接上位计算机与PLC; 2. 按“控制接线图”连接PLC 外围电路;打开软件,点击 ,在弹出的对话框中选择“PC/PPI通信方式”,点击 ,设置 PC/PPI 属性; 3. 点击 ,在弹出的对话框中,双击 ,搜寻 PLC,寻找到 PLC 后,选择该 PLC;至此...

1、当您付费下载文档后,您只拥有了使用权限,并不意味着购买了版权,文档只能用于自身使用,不得用于其他商业用途(如 [转卖]进行直接盈利或[编辑后售卖]进行间接盈利)。
2、本站所有内容均由合作方或网友上传,本站不对文档的完整性、权威性及其观点立场正确性做任何保证或承诺!文档内容仅供研究参考,付费前请自行鉴别。
3、如文档内容存在违规,或者侵犯商业秘密、侵犯著作权等,请点击“违规举报”。

碎片内容

PLC实验指导书THPFSM1.2型

小辰5+ 关注
实名认证
内容提供者

出售各种资料和文档

确认删除?
VIP
微信客服
  • 扫码咨询
会员Q群
  • 会员专属群点击这里加入QQ群
客服邮箱
回到顶部