电脑桌面
添加小米粒文库到电脑桌面
安装后可以在桌面快捷访问

师大超重梁专项的技术交底VIP免费

师大超重梁专项的技术交底_第1页
1/9
师大超重梁专项的技术交底_第2页
2/9
师大超重梁专项的技术交底_第3页
3/9
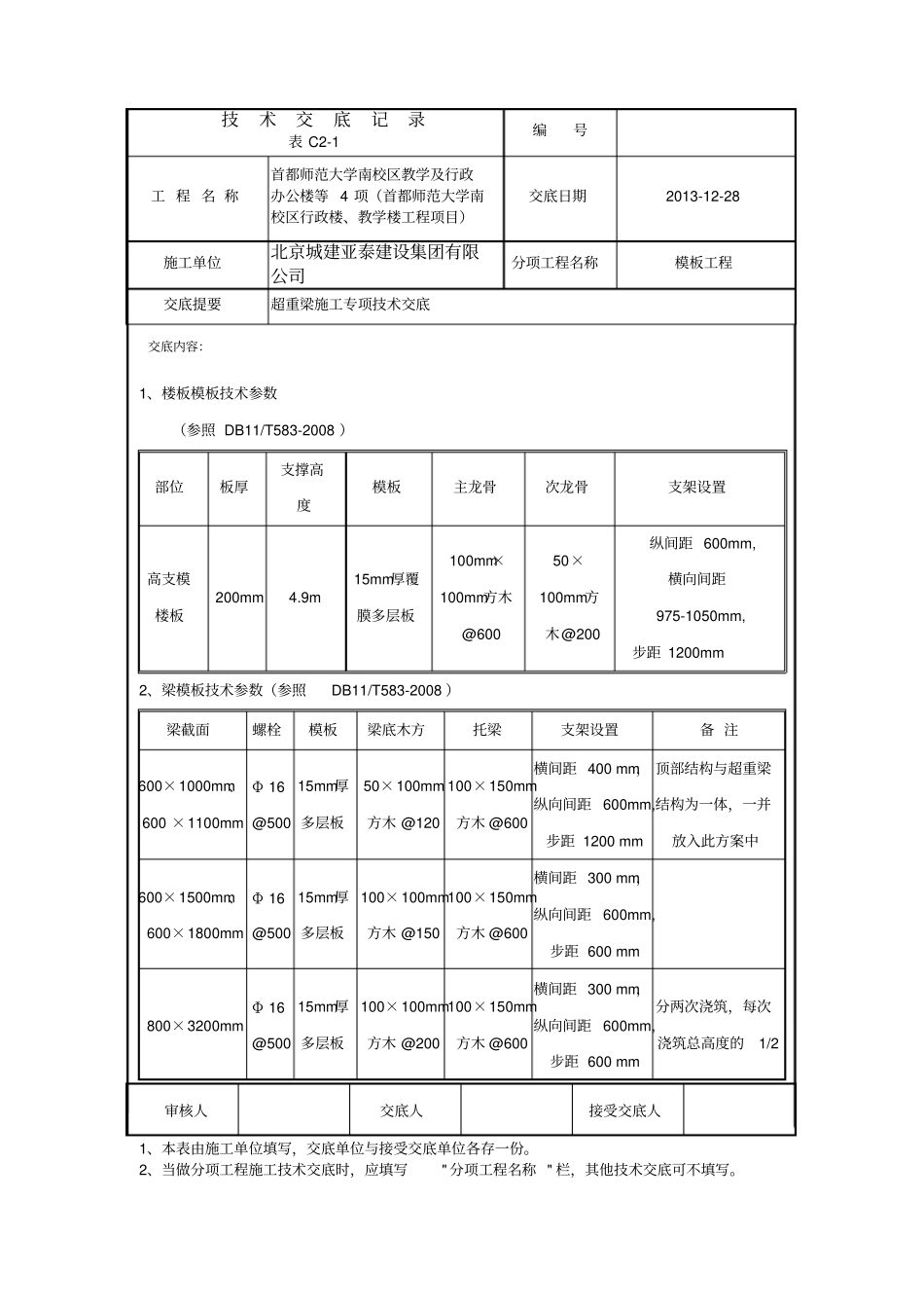
技术交底记录表 C2-1编号工 程 名 称首都师范大学南校区教学及行政办公楼等 4 项(首都师范大学南校区行政楼、教学楼工程项目)交底日期2013-12-28施工单位北京城建亚泰建设集团有限公司分项工程名称模板工程交底提要超重梁施工专项技术交底交底内容:审核人交底人接受交底人1、本表由施工单位填写,交底单位与接受交底单位各存一份。2、当做分项工程施工技术交底时,应填写" 分项工程名称 " 栏,其他技术交底可不填写。1、楼板模板技术参数(参照 DB11/T583-2008 )部位板厚支撑高度模板主龙骨次龙骨支架设置高支模楼板200mm 4.9m 15mm厚覆膜多层板100mm×100mm方木@600 50×100mm方木@200 纵间距 600mm, 横向间距975-1050mm, 步距 1200mm 2、梁模板技术参数(参照DB11/T583-2008 )梁截面螺栓模板梁底木方托梁支架设置备 注600×1000mm、 600 ×1100mm Φ 16 @500 15mm厚多层板50×100mm 方木 @120 100×150mm 方木 @600 横间距 400 mm,纵向间距 600mm, 步距 1200 mm 顶部结构与超重梁结构为一体,一并放入此方案中600×1500mm、600×1800mm Φ 16 @500 15mm厚多层板100×100mm 方木 @150 100×150mm 方木 @600 横间距 300 mm,纵向间距 600mm, 步距 600 mm 800×3200mm Φ 16 @500 15mm厚多层板100×100mm 方木 @200 100×150mm 方木 @600 横间距 300 mm,纵向间距 600mm, 步距 600 mm 分两次浇筑,每次浇筑总高度的1/2 技术交底记录表 C2-1编号工 程 名 称首都师范大学南校区教学及行政办公楼等 4 项(首都师范大学南校区行政楼、教学楼工程项目)交底日期2013-12-28施工单位北京城建亚泰建设集团有限公司分项工程名称模板工程交底提要超重梁施工专项技术交底交底内容:审核人交底人接受交底人1、本表由施工单位填写,交底单位与接受交底单位各存一份。2、当做分项工程施工技术交底时,应填写" 分项工程名称 " 栏,其他技术交底可不填写。3、详细设置(1)600 ×1000mm、600×1100mm的梁,梁下钢管架立杆纵向间距600mm,梁底为 2 根立杆支撑间距400mm,其外侧间隔400mm各设置一根立杆作为板底支撑,横杆步距为1200mm。底模次龙骨采用50×100mm方木,设置6 根,间距均匀排布;主龙骨采用100×150mm方木托梁,间距600mm;梁侧模内龙骨6 根,间距均匀排布,内龙骨采用50×100mm木方。外龙骨采用 φ 48.3 双钢管,间距500mm,并用锁扣将梁侧模固定。...

1、当您付费下载文档后,您只拥有了使用权限,并不意味着购买了版权,文档只能用于自身使用,不得用于其他商业用途(如 [转卖]进行直接盈利或[编辑后售卖]进行间接盈利)。
2、本站所有内容均由合作方或网友上传,本站不对文档的完整性、权威性及其观点立场正确性做任何保证或承诺!文档内容仅供研究参考,付费前请自行鉴别。
3、如文档内容存在违规,或者侵犯商业秘密、侵犯著作权等,请点击“违规举报”。

碎片内容

师大超重梁专项的技术交底

您可能关注的文档

确认删除?
VIP
微信客服
  • 扫码咨询
会员Q群
  • 会员专属群点击这里加入QQ群
客服邮箱
回到顶部