电脑桌面
添加小米粒文库到电脑桌面
安装后可以在桌面快捷访问

平刨机操作规程与维修保养作业指导书VIP免费

平刨机操作规程与维修保养作业指导书_第1页
1/2
平刨机操作规程与维修保养作业指导书_第2页
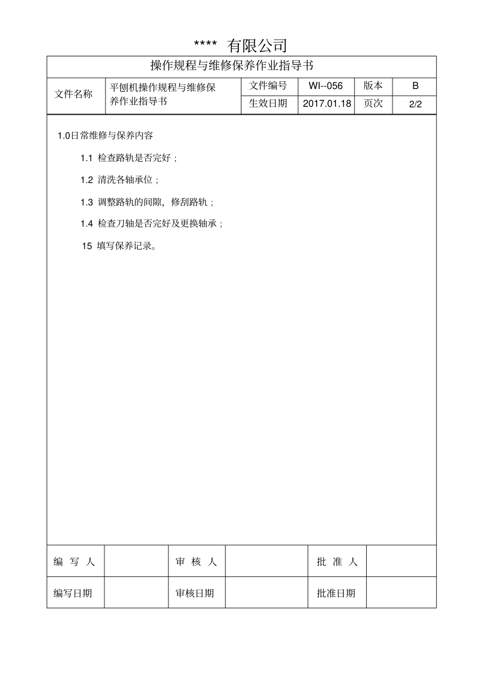
2/2
**** 有限公司操作规程与维修保养作业指导书文件名称平刨机操作规程与维修保养作业指导书文件编号WI--056 版本B 生效日期2017.01.18 页次1/2 设备自检操作步骤相关要求及注意事项辅 助 工 具备注1、电机开关是 否 正常一、主机与支架要平行。1、先将两块支承板与平刨台面板用螺丝固定好。2、支架放置于支承板上,用螺丝固定形成龙门架,要求升降、滑动。3、摇动支架手轮,使主机稍许上升,此时收回主机卡吼穿进横内向滑杆锁紧。二 、刀具与台面的平行度。三、安全防扩四、工件4、摇动支架手轮,使主机稍许上升,此时收回主机上4 只支承螺栓 ,让主机准备工作。5、根据加工产品的原度来调机。**** 有限公司操作规程与维修保养作业指导书文件名称平刨机操作规程与维修保养作业指导书文件编号WI--056 版本B 生效日期2017.01.18 页次2/2 1.0日常维修与保养内容1.1 检查路轨是否完好﹔1.2 清洗各轴承位﹔1.3 调整路轨的间隙,修刮路轨﹔1.4 检查刀轴是否完好及更换轴承﹔15 填写保养记录。编 写 人审 核 人批 准 人编写日期审核日期批准日期

1、当您付费下载文档后,您只拥有了使用权限,并不意味着购买了版权,文档只能用于自身使用,不得用于其他商业用途(如 [转卖]进行直接盈利或[编辑后售卖]进行间接盈利)。
2、本站所有内容均由合作方或网友上传,本站不对文档的完整性、权威性及其观点立场正确性做任何保证或承诺!文档内容仅供研究参考,付费前请自行鉴别。
3、如文档内容存在违规,或者侵犯商业秘密、侵犯著作权等,请点击“违规举报”。

碎片内容

平刨机操作规程与维修保养作业指导书

您可能关注的文档

文库当当响+ 关注
实名认证
内容提供者

该用户很懒,什么也没介绍

确认删除?
VIP
微信客服
  • 扫码咨询
会员Q群
  • 会员专属群点击这里加入QQ群
客服邮箱
回到顶部