电脑桌面
添加小米粒文库到电脑桌面
安装后可以在桌面快捷访问

SMG2000E数字双钳相位伏安表说明书VIP专享VIP免费

SMG2000E数字双钳相位伏安表说明书_第1页
1/8
SMG2000E数字双钳相位伏安表说明书_第2页
2/8
SMG2000E数字双钳相位伏安表说明书_第3页
3/8
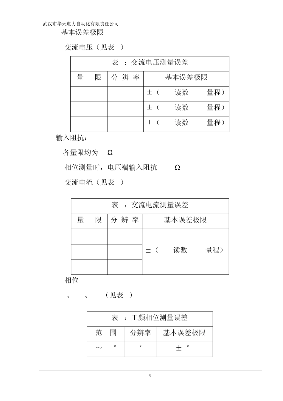
武汉市华天电力自动化有限责任公司 1 SMG2000E 数字双钳相位伏安表说明书 目 录 概 述 „„„„„„„„„„„„„„„2 1、基本误差 „„„„„„„„„„„„„„„„2 2、工作误差 „„„„„„„„„„„„„„„„4 3、安全特性 „„„„„„„„„„„„„„„„4 4、其它技术特性 „„„„„„„„„„„„„„5 5、使用操作 „„„„„„„„„„„„„„„„5 6、显示屏角度选择 „„„„„„„„„„„„„8 7、电池更换 „„„„„„„„„„„„„„„„8 8、警告 „„„„„„„„„„„„„„„„„„8 武汉市华天电力自动化有限责任公司 2 概述 SMG2000E数字双钳相位伏安表是专为现场测量电压、电流及相位而设计的一种高精度、低价位、便携手持式、双通道输入测量仪器。用该表可以很方便地在现场测量 U-U、I-I及 U-I之间的相位,判别感性、容性电路及三相电压的相序,检测变压器的接线组别,测试二次回路和母差保护系统,读出差动保护各组 CT之间的相位关系,检查电度表的接线正确与否等。采用钳形电流互感器转换方式输入被测电流,因而测量时无需断开被测线路。测量 U1-U2之间相位时,两输入回路完全绝缘隔离,因此完全避免了可能出现的误接线造成的被测线路短路、以致烧毁测量仪表。显示器采用了高反差液晶显示屏,屏幕角度可自由转换约70°,以获得最佳视觉效果。 1、 基本误差 1.1 参比工作条件 (a)环境温度:(23±5)℃ (b)环境湿度:(45~75)% RH (c)被测信号波形:正弦波、β =0.02 (d)被测信号频率:(50±0.2)Hz (e)被测载流导线在钳口中的位置:任意 (f)测量相位时被测信号幅值范围: 100~220V、0.5A~1.5A (g)外参比频率电磁场干扰:应避免 武汉市华天电力自动化有限责任公司 3 1.2 基本误差极限 1.2.1 交流电压(见表1) 表1:交流电压测量误差 量 限 分 辨 率 基本误差极限 20V 0.01V ±(0.3%读数+0.2%量程) 200V 0.1V ±(0.3%读数+0.2%量程) 500V 1V ±(0.3%读数+0.2%量程) 输入阻抗: 各量限均为2MΩ 相位测量时,电压端输入阻抗>500KΩ 1.2.2 交流电流(见表2) 表2:交流电流测量误差 量 限 分 辨 率 基本误差极限 200mA 0.1mA ±(0.3%读数+0.2%量程) 2A 1mA 10A 10mA 1.2.3 相位 U-U、U-I、I-I(见表3) 表3:工频相位测量误差 范 围 分辨率 基本误差极限 0~360° 1° ±2° ...

1、当您付费下载文档后,您只拥有了使用权限,并不意味着购买了版权,文档只能用于自身使用,不得用于其他商业用途(如 [转卖]进行直接盈利或[编辑后售卖]进行间接盈利)。
2、本站所有内容均由合作方或网友上传,本站不对文档的完整性、权威性及其观点立场正确性做任何保证或承诺!文档内容仅供研究参考,付费前请自行鉴别。
3、如文档内容存在违规,或者侵犯商业秘密、侵犯著作权等,请点击“违规举报”。

碎片内容

SMG2000E数字双钳相位伏安表说明书

确认删除?
VIP
微信客服
  • 扫码咨询
会员Q群
  • 会员专属群点击这里加入QQ群
客服邮箱
回到顶部