电脑桌面
添加小米粒文库到电脑桌面
安装后可以在桌面快捷访问

SNMA伺服电机VIP专享VIP免费

SNMA伺服电机_第1页
1/6
SNMA伺服电机_第2页
2/6
SNMA伺服电机_第3页
3/6
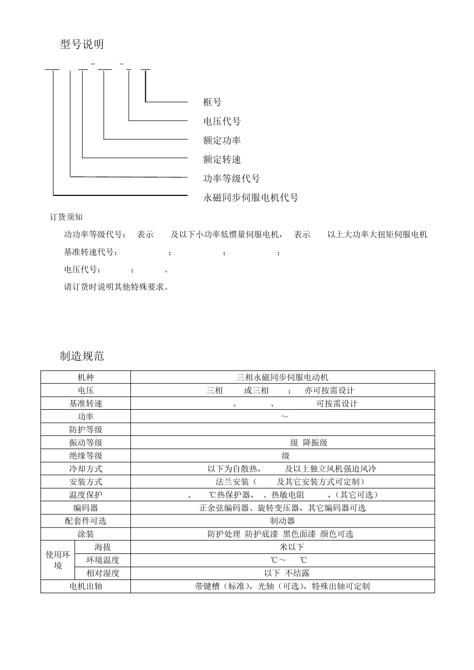
SMF 系列永磁同步伺服电机 概 述: “稳定,拥抱高精度”是森力玛电机推出新一代 SMF系列永磁同步伺服电机时的基本思路。森力玛以多年设计制造特殊电机、专配电机的经验基础,结合欧洲、日本伺服电机的先进设计制造技术,采用目前全球领先的“电机电磁设计”技术为机器产业界精心打造出了全新一代“SMF系列永磁同步伺服电机”。SMF系列永磁同步伺服电机使用独特的高性能钕铁硼永磁体,电机具有高能积性比与高转矩惯量比,体积小、惯量低、动态快速响应能力强是该系列伺服电机最大的特点。森力玛 SMF永磁同步伺服电机中的 L小功率低惯量系列与 H大功率大扭矩系列将为机器产业界中正在寻求更具稳定、更具精准、更具操控性能的工程师们提供最佳解决方案,让我们的运动更精彩! 特点: ● 高能积比、能量密度强、功率密度高,伺服电机的结构紧凑,尺寸小巧美观 ● 高转矩惯量比使低惯量与大力矩紧密配合实现高动态响应特性 ● 特殊定子、转子尺寸搭配独特磁场设计最大程度地降低齿槽转矩,运行更加平稳 ● 大转矩设计提高了伺服电机的操控性,控制精度得以完美表现 ● 定转子采用高性能低损耗矽钢片,转子磁钢为高性能钕铁硼永磁材料,超高的内禀矫顽力保证了永磁体的抗去磁能力更坚强 ● B级温升设计 F级绝缘制造,采用高分子绝缘材料、真空压力浸漆制造工艺及特殊的绝缘结构设计,使电气绕组绝缘耐力及机械强度得以大大提升,足以胜任伺服电机的高加速度提升及抵抗变频的高频电流冲击突破电压对绝缘的破坏 ● 正弦波磁场设计具有效率高、恒转矩调速特性范围宽、宽范围恒功率调速特性,调速平稳、转矩平稳无转矩脉动现象 ● 平衡质量高,振动等级为 R级(降振级) 应用领域: ● 加工设备和机床、塑料机械、食品机械、纺织机械、包装机械、印刷机械、瓦楞纸设备…… 1. 型号说明 SFM -L 15–1.8 –3 B2 框号 电压代号 额定功率(kW) 额定转速(rpm) 功率等级代号 永磁同步伺服电机代号 订货须知: 1. 功功率等级代号:L表示 3kW及以下小功率低惯量伺服电机,H表示 3kW以上大功率大扭矩伺服电机 2. 基准转速代号:10- 1000rpm;15- 1500rpm;30- 3000rpm; 3. 电压代号:2-220V;3-380V。 4. 请订货时说明其他特殊要求。 2. 制造规范 机种 三相永磁同步伺服电动机 电压 三相 380V或三相 220V; (亦可按需设计) 基准转速 3000rpm、1500rpm、1000rpm (可按需设计) 功率 0.3kW~75kW...

1、当您付费下载文档后,您只拥有了使用权限,并不意味着购买了版权,文档只能用于自身使用,不得用于其他商业用途(如 [转卖]进行直接盈利或[编辑后售卖]进行间接盈利)。
2、本站所有内容均由合作方或网友上传,本站不对文档的完整性、权威性及其观点立场正确性做任何保证或承诺!文档内容仅供研究参考,付费前请自行鉴别。
3、如文档内容存在违规,或者侵犯商业秘密、侵犯著作权等,请点击“违规举报”。

碎片内容

SNMA伺服电机

小辰8+ 关注
实名认证
内容提供者

出售各种资料和文档

确认删除?
VIP
微信客服
  • 扫码咨询
会员Q群
  • 会员专属群点击这里加入QQ群
客服邮箱
回到顶部