电脑桌面
添加小米粒文库到电脑桌面
安装后可以在桌面快捷访问

船用电缆基本知识培训VIP免费

船用电缆基本知识培训_第1页
1/6
船用电缆基本知识培训_第2页
2/6
船用电缆基本知识培训_第3页
3/6
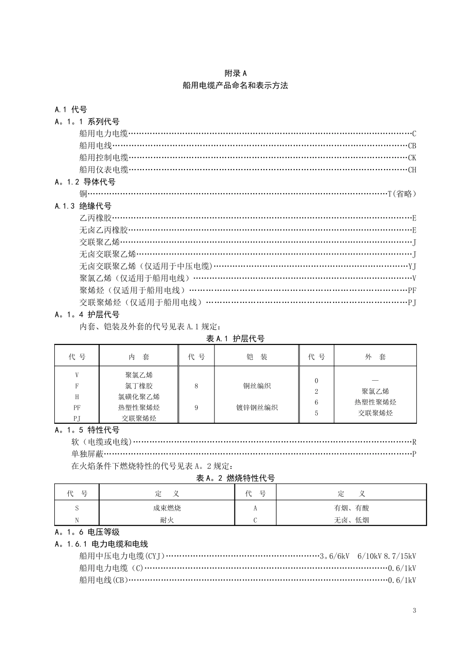
1 电缆基本知识培训 一、按标准分类 其它相关标准: 导体:IEC 60228,2 类(硬结构) 5 类(软结构) 结构:IEC 60092—350 绝缘:IEC 60092—351 护套:IEC 60092-359 单根阻燃:IE6 0332-1-2 成束阻燃:IEC 60332—3—22(850℃ 40min 7L), 耐火:IEC 60331—21(750℃ 2A 90min) 带冲击耐火: IEC 60331—31 (830℃ 2A 2h 5min) 低烟无卤:IEC 60754,IEC 61034,IEC 60684—2 二、按用途分类 产品标准 IEC 标准 IEC 60092-353 IEC 60092-354 IEC 60092-376 GJB1916-94 船用电缆 船用电力电缆 船用控制电缆 船用仪表电缆 舰用电缆 舰用电力电缆 舰用控制电缆 舰用通信电缆 产品分类 2 三、按绝缘材料分类 乙丙电缆 交联聚乙烯电缆 PVC 电缆 …… 四、按燃烧等级分类 阻燃电缆 无卤电缆 耐火电缆 …… 3 附录A 船用电缆产品命名和表示方法 A.1 代号 A。1。1 系列代号 船用电力电缆……………………………………………………………………………………………C 船用电线………………………………………………………………………………………………CB 船用控制电缆…………………………………………………………………………………………CK 船用仪表电缆…………………………………………………………………………………………CH A。1.2 导体代号 铜…………………………………………………………………………………………………T(省略) A.1.3 绝缘代号 乙丙橡胶…………………………………………………………………………………………………E 无卤乙丙橡胶……………………………………………………………………………………………E 交联聚乙烯………………………………………………………………………………………………J 无卤交联聚乙烯…………………………………………………………………………………………J 无卤交联聚乙烯(仅适用于中压电缆)………………………………………………………………YJ 聚氯乙烯(仅适用于船用电线)………………………………………………………………………V 聚烯烃(仅适用于船用电线)……………………………………………………………………PF 交联聚烯烃(仅适用于船用电线)………………………………………………………………PJ A。1。4 护层代号 内套、铠装及外套的代号见表A.1 规定: 表A.1 护层...

1、当您付费下载文档后,您只拥有了使用权限,并不意味着购买了版权,文档只能用于自身使用,不得用于其他商业用途(如 [转卖]进行直接盈利或[编辑后售卖]进行间接盈利)。
2、本站所有内容均由合作方或网友上传,本站不对文档的完整性、权威性及其观点立场正确性做任何保证或承诺!文档内容仅供研究参考,付费前请自行鉴别。
3、如文档内容存在违规,或者侵犯商业秘密、侵犯著作权等,请点击“违规举报”。

碎片内容

船用电缆基本知识培训

确认删除?
VIP
微信客服
  • 扫码咨询
会员Q群
  • 会员专属群点击这里加入QQ群
客服邮箱
回到顶部