电脑桌面
添加小米粒文库到电脑桌面
安装后可以在桌面快捷访问

轴系结构设计与组装实验VIP免费

轴系结构设计与组装实验_第1页
1/14
轴系结构设计与组装实验_第2页
2/14
轴系结构设计与组装实验_第3页
3/14
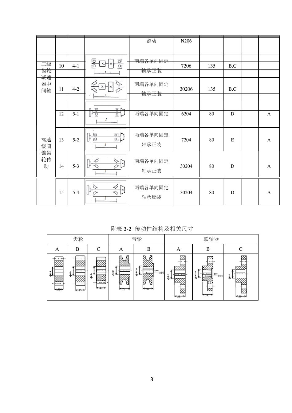
1 轴系结构设计与组装实验 一、实验目的 熟悉和掌握轴的结构设计和轴承组合设计的基本要求和设计方法 二、实验设备 1. 模块化轴段(可组装成不同结构形状的阶梯轴); 2. 轴上零件:齿轮、蜗杆、带轮、联轴器、轴承、轴承座、端盖、套杯、套筒、圆螺母、止动垫片、轴端挡圈、轴用弹性挡圈、孔用弹性挡圈、螺钉、螺母等; 3. 工具:活扳手、游标卡尺、胀钳。 三、实验准备 1. 从轴系结构设计实验方案表中选择设计实验方案号; 2. 根据实验方案规定的设计条件确定需要哪些轴上零件; 3. 绘出轴系结构设计装配草图,并注意以下几点: (1)设计应满足轴的结构设计、轴承组合设计的基本要求,如轴上零件的固定、装拆、轴承间隙的调整、密封、轴的结构工艺性等;(暂不考虑润滑问题) (2)标出每段轴的直径和长度,其余零件的尺寸可不标注。 各项准备工作应在实验室完成。 四、实验步骤 1. 利用模块化轴段组装阶梯轴,该轴应与装配草图中轴的结构尺寸一致或尽可能相近; 2. 根据轴系结构设计装配草图,选择相应的零件实物,按装配工艺要求顺序装到轴上,完成轴系结构设计; 3. 检查轴系结构设计是否合理,并对不合理的结构进行修改。合理的轴系结构应满足下述要求: (1)轴上零件装拆方便,轴的加工工艺性良好; (2)轴上零件固定(轴向,周向)可靠; (3)轴承固定方式应符合给定的设计条件,轴承间隙调整方便; (4)锥齿轮轴系的位置应能作轴向调整。 2 因实验条件的限制,本实验忽略过盈配合的松紧程度、轴肩过渡圆角及润滑问题。 4. 测绘各零件的实际结构尺寸(底板不测绘,轴承座只测量轴向宽度); 5. 将实验零件放回箱内,排列整齐,工具放回原处; 6. 按比例完成轴系结构设计装配图(只标出各段轴的直径和长度即可,公差配合及其余尺寸不注,零件序号、标题栏可省略) 五、学时安排 完成本实验需2~4 学时。 附表3-1 轴系结构设计实验方案 方案类型 序号 方案号 设计条件 轴系布置简图 轴承固定方式 轴承代号 l=(mm) 传动件 齿轮 带轮 联轴器 单级 齿轮 减速 器输 入轴 01 1-1 两端各单向固定 6206 95 A A 02 1-2 两端各单向固定 轴承正装 7206C 95 A B 03 1-3 两端各单向固定 轴承正装 30206 95 A B 二级 齿轮 减速 器输 入轴 04 2-1 两端各单向固定 6206 145 B A 05 2-2 两端各单向固定 轴承正装 7206C 145 B B 06 2-3 两端各单向...

1、当您付费下载文档后,您只拥有了使用权限,并不意味着购买了版权,文档只能用于自身使用,不得用于其他商业用途(如 [转卖]进行直接盈利或[编辑后售卖]进行间接盈利)。
2、本站所有内容均由合作方或网友上传,本站不对文档的完整性、权威性及其观点立场正确性做任何保证或承诺!文档内容仅供研究参考,付费前请自行鉴别。
3、如文档内容存在违规,或者侵犯商业秘密、侵犯著作权等,请点击“违规举报”。

碎片内容

轴系结构设计与组装实验

精品文库+ 关注
实名认证
内容提供者

该用户很懒,什么也没介绍

确认删除?
VIP
微信客服
  • 扫码咨询
会员Q群
  • 会员专属群点击这里加入QQ群
客服邮箱
回到顶部