电脑桌面
添加小米粒文库到电脑桌面
安装后可以在桌面快捷访问

07.01施工组织设计和管理方案编制程序VIP专享VIP免费

07.01施工组织设计和管理方案编制程序_第1页
1/7
07.01施工组织设计和管理方案编制程序_第2页
2/7
07.01施工组织设计和管理方案编制程序_第3页
3/7
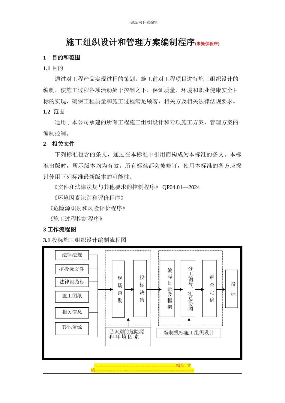
下载后可任意编辑施工组织设计和管理方案编制程序(未提供程序)1目的和范围1.1 目的通过对工程产品实现过程的策划,施工前对工程项目进行施工组织设计的编制,使施工过程各项活动处于控制之下,保证质量、环境和职业健康安全目标的实现,确保工程质量和施工过程满足顾客、相关方及相关法律法规要求。1.2 范围适用于本公司承建的所有工程施工组织设计和专项施工方案、管理方案的编制控制。2相关文件下列标准包含的条文,通过在本标准中引用而构成为本标准的条文。本标准出版时,所示版本均为有效。所有标准都会被修订,使用本标准的各方应探讨使用下列标准最新版本的可能性。《文件和法律法规与其他要求的控制程序》 QP04.01—2024 《环境因素识别和评价程序》 《危险源识别和风险评价程序》 《施工过程控制程序》3 工作流程图3.1 投标施工组织设计编制流程图3.2 施工组织设计编制流程图注: 注:△为主要控制点 ---------------------------------------------------------精品 文档---------------------------------------------------------------------法律法规招投标文件法律规范标准施工图纸相关信息其他资源现 场 踏 勘投 标 决 策编 写 目 录及 框 架分工编写、汇总协调审 查 定 稿投 标已识别的危险源和 环 境 因 素编制投标施工组织设计下载后可任意编辑 3.3 管理方案编制流程图 注:△为主要控制点 △ △ △4 资源配置4.1 招标文件、建设工程合同。4.2 施工图纸、相应的法律规范、标准和图集。4.3 相关人员、办公设备。4.4 经费支持。4.5 相关信息。5 职责5.1 总工程师或分公司技术负责人负责批准施工组织设计;生产副经理负责批准管理方案。重大施工组织设计由公司总工程师审批。5.2 分公司负责施工组织设计的审批和重大施工组织设计的审核。指导重大特别---------------------------------------------------------精品 文档---------------------------------------------------------------------优先重要环境因素清单优先重大危险源清单初始环境、安全评估资料法律法规和其他要求新工程新增环境、安全影 响 因 素编 制 管 理 方 案审 核批 准实 施改 进投 标 施 工 组 织 设 计施工图纸正式合同图纸会审相关信息编制施工组织设计审 核定 稿批 准实 施改 进重大变更下载后可任意编辑工程施工组织设计的编制,检查、监督施工组织设计的实施;工程管理一部负...

1、当您付费下载文档后,您只拥有了使用权限,并不意味着购买了版权,文档只能用于自身使用,不得用于其他商业用途(如 [转卖]进行直接盈利或[编辑后售卖]进行间接盈利)。
2、本站所有内容均由合作方或网友上传,本站不对文档的完整性、权威性及其观点立场正确性做任何保证或承诺!文档内容仅供研究参考,付费前请自行鉴别。
3、如文档内容存在违规,或者侵犯商业秘密、侵犯著作权等,请点击“违规举报”。

碎片内容

07.01施工组织设计和管理方案编制程序

确认删除?
VIP
微信客服
  • 扫码咨询
会员Q群
  • 会员专属群点击这里加入QQ群
客服邮箱
回到顶部