电脑桌面
添加小米粒文库到电脑桌面
安装后可以在桌面快捷访问

切削速度计算公式VIP免费

切削速度计算公式_第1页
1/6
切削速度计算公式_第2页
2/6
切削速度计算公式_第3页
3/6
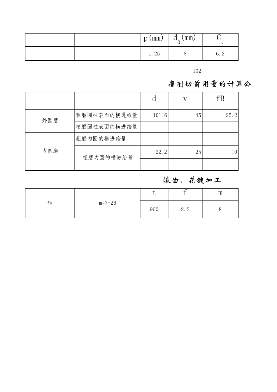
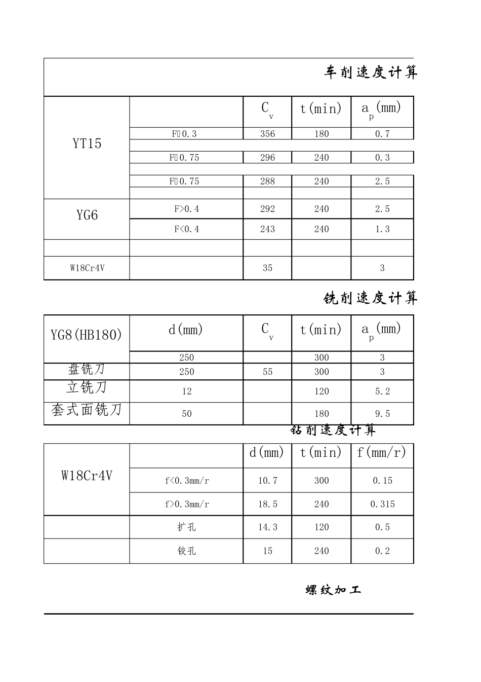
Cvt(min)ap(mm)F≤0.33561800.7F≤0.752962400.3F>0.752882402.5F>0.42922402.5F<0.42432401.3W18Cr4V353d(mm)Cvt(min)ap(mm)2503003盘铣刀250553003立铣刀121205.2套式面铣刀501809.5d(mm)t(min)f(mm/r)f<0.3mm/r10.73000.15f>0.3mm/r18.52400.315扩孔14.31200.5铰孔152400.2钻削速度计算YG6螺纹加工车削速度计算W18Cr4VYT15铣削速度计算YG8(HB180)p(mm)d0(mm)Cv1.2586.2102dvfB粗磨圆柱表面的横进给量101.64525.2精磨圆柱表面的横进给量粗磨内圆的横进给量22.22510tfm9602.28滚齿、花键加工钢m=7-26磨削切前用量的计算公外圆磨内圆磨粗磨内圆的横进给量f(mm/r) V(m/min)v(r/min)D(mm)0.3169.1245056522.59245421030.7134.2446418414.81414291030.7595.47324186296.7396173102.40.6104.3251701335.3881596990.3126.3641908395.8440596101.60.442.82287879168.677951580.8fz(mm/r)ae(mm)zV(m/min) v(r/min)0.081121685.94624551109.48566310.181121669.2046762688.158823260.0312339.197813241040.2816680.12503252.0948671605.69979V(m/min) v(r/min)ap(mm)35.739126981063.7278117.427.37954645471.329771823.29979101518.903189322.57.544887266160.18868932计算计算t(min)xmyV(m/min)301.20.60.97.99112472825K1K2ftK30.810.000124165#DIV/0!#DIV/0!0.810.002338930.67 D>12#DIV/0!D=10-12V19.8791677457.55404673计算公式n)v(r/min)318.118022622500

1、当您付费下载文档后,您只拥有了使用权限,并不意味着购买了版权,文档只能用于自身使用,不得用于其他商业用途(如 [转卖]进行直接盈利或[编辑后售卖]进行间接盈利)。
2、本站所有内容均由合作方或网友上传,本站不对文档的完整性、权威性及其观点立场正确性做任何保证或承诺!文档内容仅供研究参考,付费前请自行鉴别。
3、如文档内容存在违规,或者侵犯商业秘密、侵犯著作权等,请点击“违规举报”。

碎片内容

切削速度计算公式

小辰7+ 关注
实名认证
内容提供者

出售各种资料和文档

相关文档

确认删除?
VIP
微信客服
  • 扫码咨询
会员Q群
  • 会员专属群点击这里加入QQ群
客服邮箱
回到顶部