电脑桌面
添加小米粒文库到电脑桌面
安装后可以在桌面快捷访问

城市道路交叉口设计规程VIP免费

城市道路交叉口设计规程_第1页
1/7
城市道路交叉口设计规程_第2页
2/7
城市道路交叉口设计规程_第3页
3/7
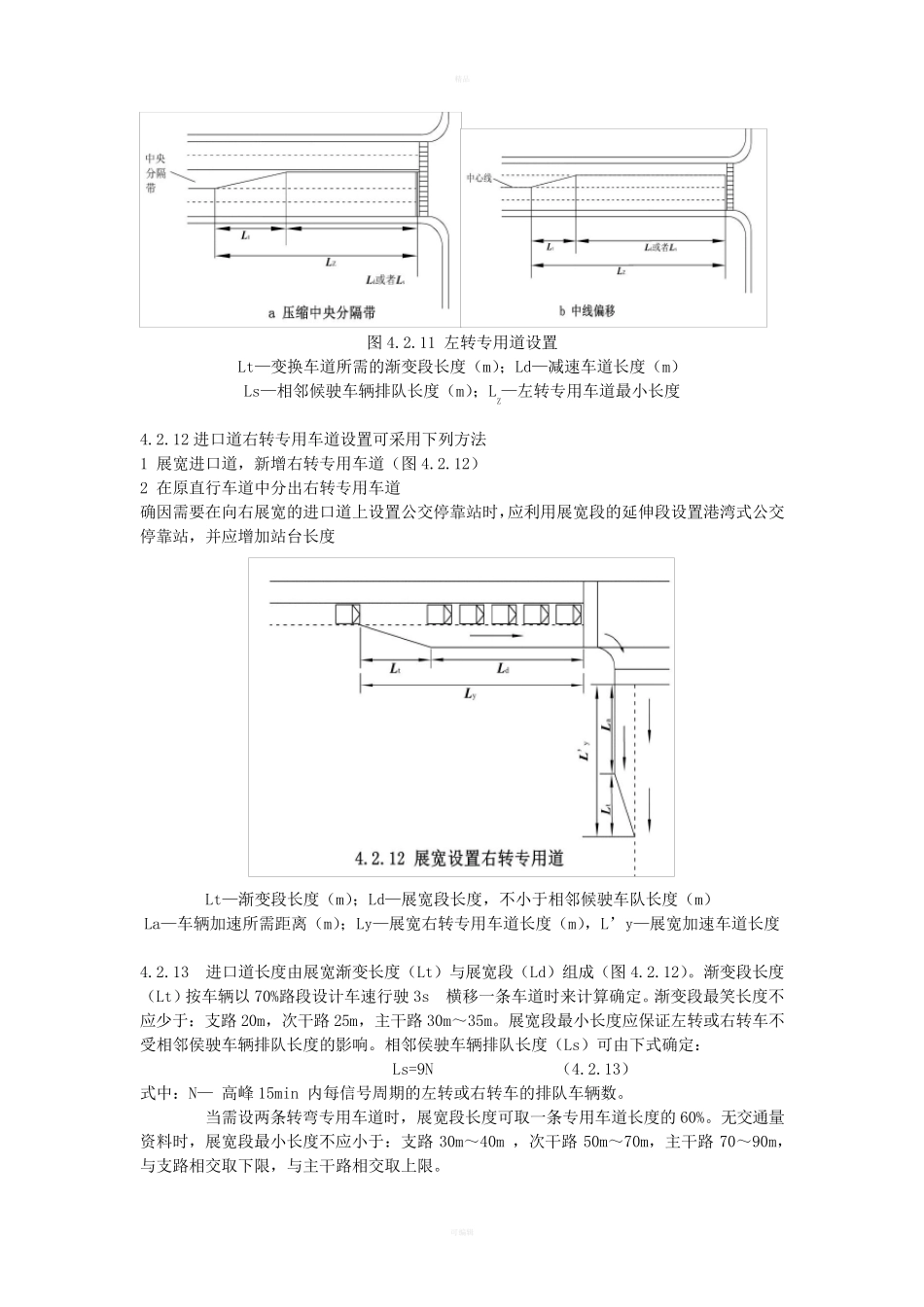
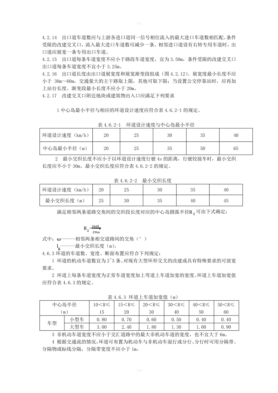
精品 可编辑 3.1 道路交叉的分类及其选择 3.1.1 城市道路交叉宜分为平面交叉和立体交叉两类。应根据道路交通网规划、相交道路等级及有关技术、经济和环境效益的分析合理确定。 3.1.2 平面交叉口应按交通组织方式分类,并应符合满足下列要求: 1 A 类:信号控制交叉口 平A1 类:交通信号控制,进口道展宽交叉口。 平A2 类:交通信号控制,进口道不展宽交叉口。 2 B 类:无信号控制交叉口 平B1 类:干路中心隔离封闭、支路只准右转通行的交叉口(简称右转交叉口)。 平B2 类:减速让行或停车让行标志管制交叉口(简称让行交叉口)。 平B3 类:全无管制交叉口。 3 C 类:环形交叉口 平C 类:环形交叉口。 3.1.3 平面交叉口的选用类型,应符合表3.1.3 的规定。 表3.1.3 平面交叉口选型 平面交叉口类型 选型 推荐形式 可用形式 主干路—主干路 平A1 类 — 主干路—次干路 平A1 类 — 主干路—支路 平B1 类 平A1 类 次干路—次干路 平A1 类 — 次干路—支路 平B2 类 平A1 类或平B1 类 支路—支路 平B2 类或平B3 类 平C 类或平A2 类 注: 1 人口在 50 万以上的大城市,主干路与主干路相交,经交通预测分析,需要设置立体交叉时,宜按本规程表3.1.4 选用; 2 人口在 50 万以上的大城市,次干路与次干路相交,因景观需要,采用环形交叉口时,应充分论证。 4.2.9 平面交叉口一条进口车道的宽度宜为3.25m,困难情况下的最小宽度可取3.0m;当改建交叉口用地受到限制时,一条进口车道的最小宽度可取2.80m。转角导流交通岛右侧右转专用车道应按设计速度及转弯半径大小设置车道加宽。 4.2.10 当高 峰 15min 内 每 信号周 期 左 转车平均 流量 达2 辆 时,宜设左 转专用车道;当每 信号周 期 左 转车平均 流量 达 10 辆 时,或需要的左 转专用车道长 度达 90m 时,宜设两条左 转专用车道。左 转交通量 特 别 大且 进口道上游 路段 车道数 为4 条或者 和4 条以上时,可设 3 条左转专用车道。 4.2.11 进口道左 转专用车道设置可采用下列方法 : 1 展宽进口道,以便 新 增 左 转专用车道。 2 压 缩 较 宽的中央 分隔带 ,新 辟 左 转专用车道,但 压 缩 后 的中央 分隔带 宽度对 于 新 建交叉口至 少 应为2m,对 改建交叉口至 少 应为1.5m,其 端 部 宜为半圆 形[图 4.2.11(a)]。 3 道路中线...

1、当您付费下载文档后,您只拥有了使用权限,并不意味着购买了版权,文档只能用于自身使用,不得用于其他商业用途(如 [转卖]进行直接盈利或[编辑后售卖]进行间接盈利)。
2、本站所有内容均由合作方或网友上传,本站不对文档的完整性、权威性及其观点立场正确性做任何保证或承诺!文档内容仅供研究参考,付费前请自行鉴别。
3、如文档内容存在违规,或者侵犯商业秘密、侵犯著作权等,请点击“违规举报”。

碎片内容

城市道路交叉口设计规程

小辰6+ 关注
实名认证
内容提供者

出售各种资料和文档

确认删除?
VIP
微信客服
  • 扫码咨询
会员Q群
  • 会员专属群点击这里加入QQ群
客服邮箱
回到顶部